KManual.net
Русский English
Български
Беларускі
Український
Српски
Hrvatski
Română
Polski
Slovenský
Magyar
| Статьи | Карта | Контакты |  | В закладки
АвтоВАЗ Лада Ауди Фольксваген Ленд Ровер Ниссан Рено
 
 
 
 
 
 
 
 
  Ceed   Cerato   Optima   Rio   Sorento   Soul   Sportage   Другие
 
Сид 1 (2006-2012)
  • Главная
  • Киа Сид
  • ED (2006-2012)
  • Электрооборудование
  • Электрические схемы
  • Система кондиционирования воздуха с автоматическим управлением

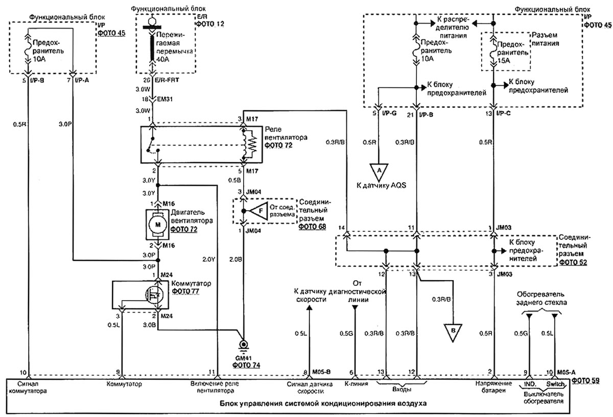
Система кондиционирования воздуха с автоматическим управлением (Kia Ceed ED)

0
Открыть большую картинку в новой вкладке »
Открыть большую картинку в новой вкладке »


Открыть большую картинку в новой вкладке »
Открыть большую картинку в новой вкладке »


Открыть большую картинку в новой вкладке »
Открыть большую картинку в новой вкладке »


Открыть большую картинку в новой вкладке »
Открыть большую картинку в новой вкладке »


Открыть большую картинку в новой вкладке »
Открыть большую картинку в новой вкладке »
Эту статью проверил автоэксперт Дмитрий Смирнов
Эта статья доступна на: английском, болгарском, белорусском, украинском, сербском, хорватском, румынском, польском, словацком, венгерском
Поделиться в соц. сетях:
Предыдущие
Сид 1: Электрические схемы
Следующие

Заднее освещение, габаритное освещение и освещение номерного знака
Электрическая схема стоп-сигналов
Лампы света заднего хода
Указатели поворота и аварийной световой сигнализации
Электрическая схема противотуманных фар
Электрическая схема фар
Очиститель и омыватель ветрового стекла
Очиститель и омыватель заднего стекла
Расположение элементов электрооборудования
Еще статьи по теме мануалов для автомобилей Киа:

➤ Система кондиционирования воздуха с автоматическим управлением Киа Церато 1 (2004-2009)
➤ Соединение элементов системы кондиционирования воздуха Киа Оптима 1 (2000-2005)
➤ Диагностика система кондиционирования воздуха с использованием манометров Киа Рио 1 (2000-2005)
➤ Кондиционер с автоматическим управлением Киа Соренто 1 (2002-2009)
➤ Системы вентиляции, отопления и кондиционирования воздуха Киа Спортейдж 1 (1993-2005)
➤ Система отопления и кондиционирования воздуха Киа Кларус (1995-2001)
Ссылка в разных форматах на эту статью
Комментарии посетителей
Комментариев пока нет


Сколько будет 37 + 50 ?

       



Сид 1 (2006-2012) 
  • Общая информация
  • Руководство по эксплуатации
  • Техническое обслуживание
  • Силовой агрегат
  • Бензиновые двигатели 1.4, 1.6 л
  • Бензиновые двигатели 2.0 л
  • Дизельный двигатель 1.6 л
  • Дизельный двигатель 2.0 л
  • Система охлаждения
  • Система контроля выхлопа
  • Топливная система (бензин)
  • Топливная система (дизель)
  • Система зажигания
  • Трансмиссия
  • Сцепление
  • Механическая коробка передач
  • Автоматическая коробка передач
  • Приводные валы
  • Шасси
  • Подвеска автомобиля
  • Рулевое управление
  • Тормозная система
  • Кузов
  • Экстерьер
  • Интерьер
  • Двери и окна
  • Кондиционер воздуха
  • Электрооборудование
  • Электрика двигателя
  • Оборудование и приборы
  • Датчики и указатели
  • Система освещения
  • Системы безопасности
  • Электрические схемы
 
   Автомобильный анекдот:
хочу ещё один
 
 
Мобильная версия · Сид 1 (ED) · Церато 1 (LD) · Оптима 1 (MS) · Рио 1 (DC) · Рио 2 (JB-p) · Соренто 1 (EX) · Спортейдж 1 (NB-7) · Спектра · Авелла · Кларус · Шума 1 · Новости автомобилей Kia · Современные технологии · Диагностика автомобилей · Электронные приборы · Новичок за рулем авто
 
Kmanual.net © 2018–2026 · Карта сайта: EN BG BY UA RS HR RO PL SK HU · Обратная связь · Поиск по сайту · В закладки · Автомобильные статьи
Используем cookie-файлы 🍪 для статистики и удобной навигации.