Внутренние элементы системы охлаждения находятся в состоянии химической стабильности до тех пор, пока используются чистые, без влаги, хладагент и масло для смазки. Незначительное количество грязи, влаги и влажного масла могут нарушить химическую стабильность системы и работоспособность или вывести из строя систему кондиционирования воздуха.
Меры предосторожности
1. Жидкий хладагент R –134 a очень легко испаряется с интенсивным поглощением тепла. Попадание его на кожу может закончиться обморожением, поэтому при работе с хладагентом необходимо надевать защитные перчатки.
2. В качестве стандартных мер защиты при работе с хладагентом необходимо использовать очки для защиты глаз. При попадании хладагента на одежду или защитные средства немедленно промойте пораженное место большим количеством воды.
3. Жидкий хладагент R –134 a необходимо хранить в герметичном контейнере при температуре не более 52°C (126°F).
4. Для проверки герметичности системы кондиционирования используется указатель утечки. Имейте в виду, что R –134 a, после контакта с пламенем указателя утечки образует ядовитый газ фосген.
5. Для смазки системы и узлов используйте только рекомендованный смазочный материал для R –134 a. Если использовать другие смазочные материалы кроме рекомендованного, возможно повреждение системы.
6. Смазка PAG интенсивно поглощает влагу из атмосферного воздуха, поэтому необходимо соблюдать следующие предосторожности:
- при разъединении компонентов системы кондиционирования воздуха немедленно закройте соединения соответствующими крышками для исключения попадания влаги в систему;
- при установке новых компонентов системы кондиционирования воздуха снимайте с них защитные крышки непосредственно перед их установкой;
- подсоединяйте трубки и шланги системы кондиционирования воздуха как можно быстрее, чтобы уменьшить попадание в систему влаги;
- используйте смазку для системы кондиционирования воздуха только из герметичного контейнера.
7. Если произошла случайная разрядка системы кондиционирования воздуха, перед обслуживанием системы проветрите рабочее место.
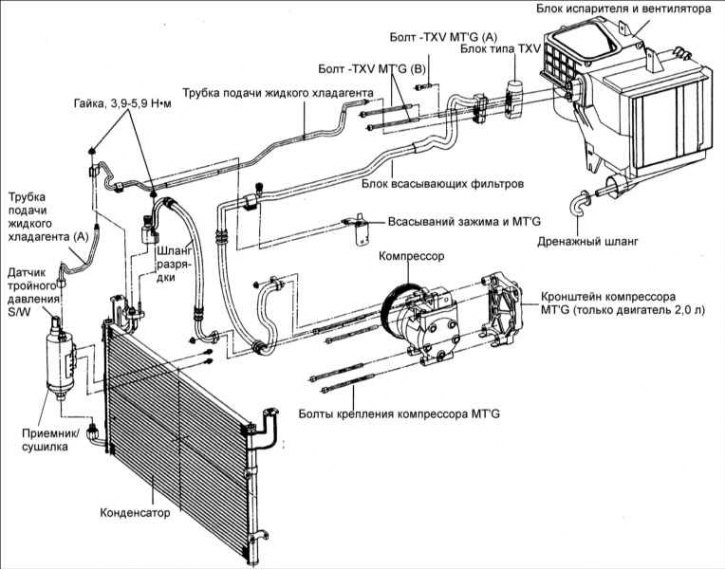
Расположение элементов системы кондиционирования воздуха на автомобиле

