Русский
English
Български
Беларускі
Український
Српски
Hrvatski
Română
Polski
Slovenský
Magyar
|
Статьи
|
Карта
|
Контакты
|
Поиск
|
В закладки
Ceed
Cerato
Optima
Rio
Sorento
Soul
Sportage
Другие
Оптима 1
(2000-2005)
Главная
Киа Оптима
MS
(2000-2005)
Электрооборудование
Электрические схемы
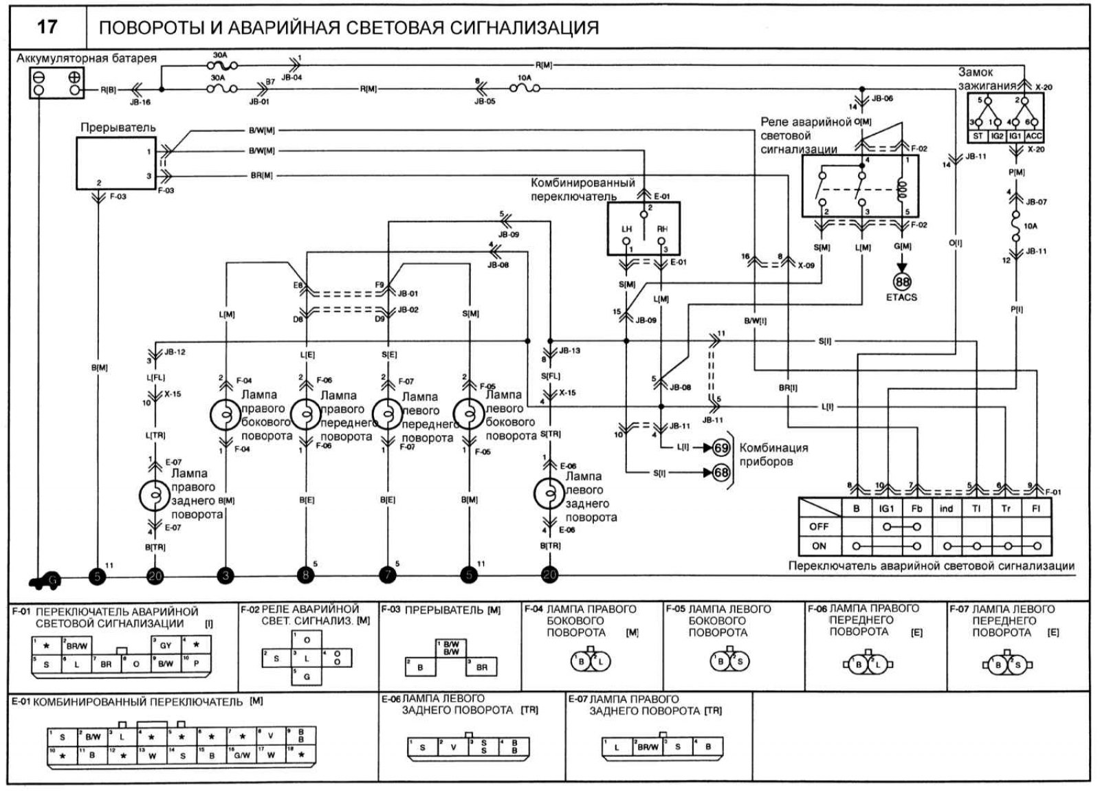
Электросхема поворотников и аварийной световой сигнализации
Электросхема поворотников и аварийной световой сигнализации
(Kia Optima MS)
0
Повороты и аварийная световая сигнализация
Открыть большую картинку в новой вкладке »
Эту статью проверил автоэксперт
Дмитрий Смирнов
Эта статья доступна на:
английском
,
болгарском
,
белорусском
,
украинском
,
сербском
,
хорватском
,
румынском
,
польском
,
словацком
,
венгерском
Поделиться в соц. сетях:
Предыдущие
Оптима 1: Электрические схемы
Следующие
Электросхема фар
Электросхема омывателя фар
Электросхема стеклоочистителя и стеклоомывателя
Электросхема антиблокировочной системы тормозов (ABS)
Электросхема системы охлаждения
Электросхема блока управления двигателем, коробкой передач (ECU/TCU)
Электросхема стоп-сигналов и фонарей заднего хода
Электросхема вентиляции и кондиционера с ручным управлением
Электросхема стеклоподъемников с электрическим приводом
Электросхема зеркал с электрическим приводом
Электросхема сиденья водителя с электрическим приводом
Электросхема сиденья пассажира с электрическим приводом
Еще статьи по теме мануалов для автомобилей Киа:
➤ Указатели поворота и аварийной световой сигнализации
Киа Сид 1 (2006-2012)
➤ Электросхема системы пуска и зарядки
Киа Церато 1 (2004-2009)
➤ Электросхема звукового сигнала и блока аварийной световой сигнализации
Киа Рио 1 (2000-2005)
➤ Снятие, проверка исправности функционирования и установка прерывателя указателей поворотов / аварийной сигнализации
Киа Спортейдж 1 (1993-2005)
➤ Кнопка аварийной сигнализации
Киа Авелла (1994-2000)
Ссылка в разных форматах на эту статью
Text
HTML
BB Code
Статья о ремонте южнокорейских автомобилей Киа Оптима 1 (2000-2005): Электросхема поворотников и аварийной световой сигнализации: http://www.kmanual.net/Optima/MS/electrics/schemes/elektroshema-povorotnikov-i-avariynoy-svetovoy-signalizacii
Киа Оптима 1 (2000-2005): Электросхема поворотников и аварийной световой сигнализации
- статья на сайте www.kmanual.net о ремонте автомобилей южнокорейской компании Киа.
[url=http://www.kmanual.net/Optima/MS/electrics/schemes/elektroshema-povorotnikov-i-avariynoy-svetovoy-signalizacii]Киа Оптима 1 (2000-2005): Электросхема поворотников и аварийной световой сигнализации[/url] - статья на сайте www.kmanual.net о ремонте автомобилей южнокорейской компании Киа.
Комментарии посетителей
Комментариев пока нет
Сколько будет 49 + 50 ?
Оптима 1
(2000-2005)
Силовой агрегат
Двигатели 2,0 литра DOHC
Двигатели 2,5 литра V6
Система смазки
Система охлаждения
Снижение токсичности
Топливная система
Система зажигания
Трансмиссия
Сцепление
Механическая коробка
Автоматическая коробка
Приводные валы и оси
Шасси
Подвеска автомобиля
Рулевое управление
Тормозная система
Кузов
Экстерьер
Интерьер
Система кондиционирования
Электрооборудование
Оборудование и приборы
Силовые устройства
Освещение и сигнализация
Стеклоочистители и омыватели
Электрические схемы
Автомобильный анекдот:
хочу ещё один
Используем cookie-файлы 🍪 для статистики и удобной навигации.
Логично