KManual.net
Русский English
Български
Беларускі
Український
Српски
Hrvatski
Română
Polski
Slovenský
Magyar
| Статьи | Карта | Контакты |  | В закладки
АвтоВАЗ Лада Ауди Фольксваген Ленд Ровер Ниссан Рено
 
 
 
 
 
 
 
 
  Ceed   Cerato   Optima   Rio   Sorento   Soul   Sportage   Другие
 
Оптима 1 (2000-2005)
  • Главная
  • Киа Оптима
  • MS (2000-2005)
  • Электрооборудование
  • Электрические схемы
  • Электросхема стеклоочистителя и стеклоомывателя

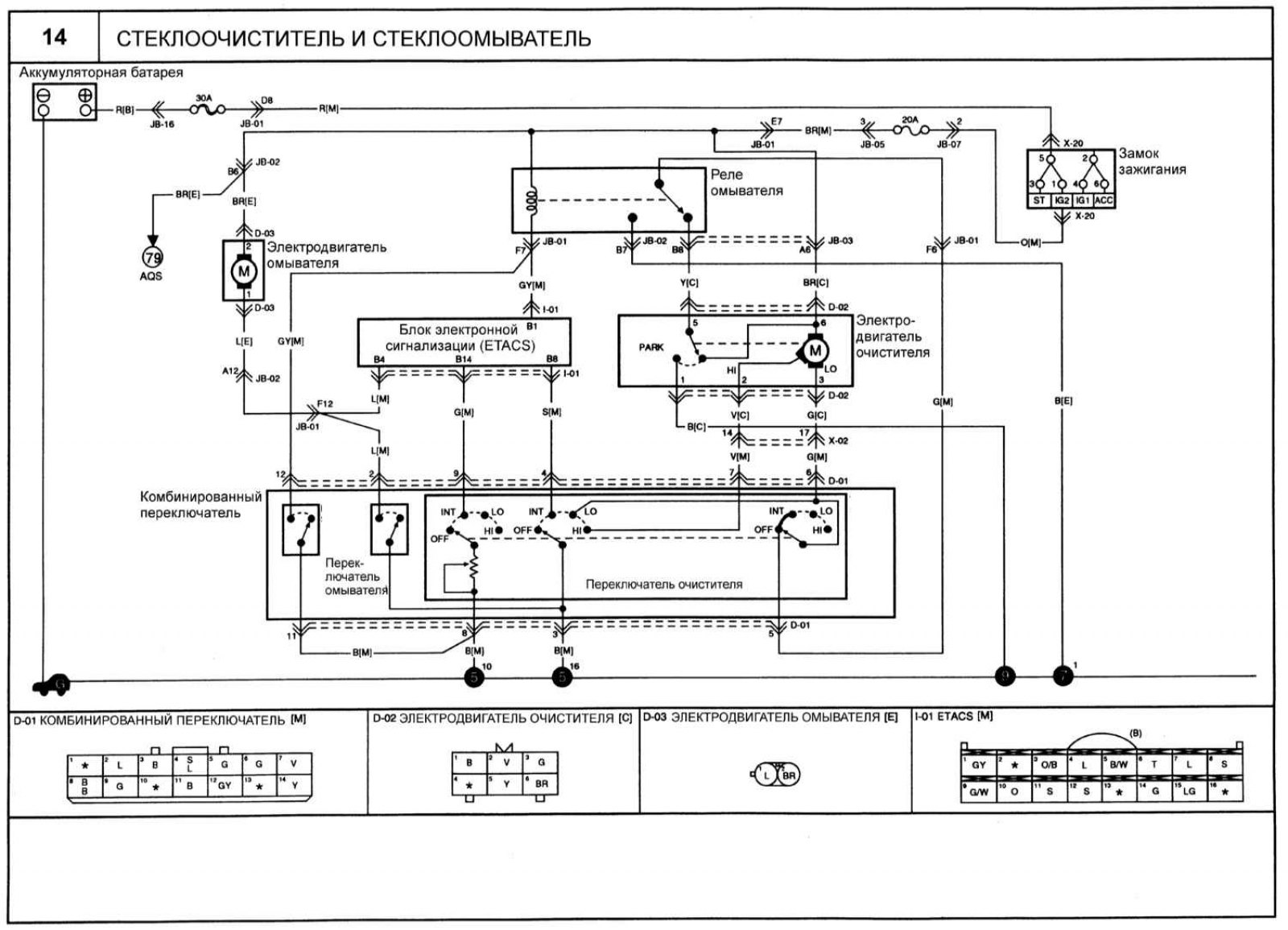
Электросхема стеклоочистителя и стеклоомывателя (Kia Optima MS)

0

Стеклоочиститель и стеклоомыватель



Открыть большую картинку в новой вкладке »
Открыть большую картинку в новой вкладке »
Эту статью проверил автоэксперт Дмитрий Смирнов
Эта статья доступна на: английском, болгарском, белорусском, украинском, сербском, хорватском, румынском, польском, словацком, венгерском
Поделиться в соц. сетях:
Предыдущие
Оптима 1: Электрические схемы
Следующие

Электросхема антиблокировочной системы тормозов (ABS)
Электросхема системы охлаждения
Электросхема блока управления двигателем, коробкой передач (ECU/TCU)
Электросхема блока управления двигателем
Электросхема блока управления двигателем (ECU)
Электросхема системы зарядки
Электросхема омывателя фар
Электросхема фар
Электросхема поворотников и аварийной световой сигнализации
Электросхема стоп-сигналов и фонарей заднего хода
Электросхема вентиляции и кондиционера с ручным управлением
Электросхема стеклоподъемников с электрическим приводом
Еще статьи по теме мануалов для автомобилей Киа:

➤ Электросхема системы пуска и зарядки Киа Церато 1 (2004-2009)
➤ Щетки стеклоочистителя Киа Рио 1 (2000-2005)
➤ Антиобледенитель щеток стеклоочистителя лобового стекла, обогреватель стекла задней двери и обогреватели боковых зеркал заднего вида Киа Соренто 1 (2002-2009)
➤ Электросхема распределения питания Киа Спортейдж 1 (1993-2005)
➤ Снятие и установка привода стеклоочистителя Киа Спектра (2000-2009)
Ссылка в разных форматах на эту статью
Комментарии посетителей
Комментариев пока нет


Сколько будет 22 + 44 ?

       



Оптима 1 (2000-2005) 
  • Силовой агрегат
  • Двигатели 2,0 литра DOHC
  • Двигатели 2,5 литра V6
  • Система смазки
  • Система охлаждения
  • Снижение токсичности
  • Топливная система
  • Система зажигания
  • Трансмиссия
  • Сцепление
  • Механическая коробка
  • Автоматическая коробка
  • Приводные валы и оси
  • Шасси
  • Подвеска автомобиля
  • Рулевое управление
  • Тормозная система
  • Кузов
  • Экстерьер
  • Интерьер
  • Система кондиционирования
  • Электрооборудование
  • Оборудование и приборы
  • Силовые устройства
  • Освещение и сигнализация
  • Стеклоочистители и омыватели
  • Электрические схемы
 
   Автомобильный анекдот:
хочу ещё один
 
 
Мобильная версия · Сид 1 (ED) · Церато 1 (LD) · Оптима 1 (MS) · Рио 1 (DC) · Рио 2 (JB-p) · Соренто 1 (EX) · Спортейдж 1 (NB-7) · Спектра · Авелла · Кларус · Шума 1 · Новости автомобилей Kia · Современные технологии · Диагностика автомобилей · Электронные приборы · Новичок за рулем авто
 
Kmanual.net © 2018–2026 · Карта сайта: EN BG BY UA RS HR RO PL SK HU · Обратная связь · Поиск по сайту · В закладки · Автомобильные статьи
Используем cookie-файлы 🍪 для статистики и удобной навигации.