KManual.net
Русский English
Български
Беларускі
Український
Српски
Hrvatski
Română
Polski
Slovenský
Magyar
| Статьи | Карта | Контакты |  | В закладки
АвтоВАЗ Лада Ауди Фольксваген Ленд Ровер Ниссан Рено
 
 
 
 
 
 
 
 
  Ceed   Cerato   Optima   Rio   Sorento   Soul   Sportage   Другие
 
Оптима 1 (2000-2005)
  • Главная
  • Киа Оптима
  • MS (2000-2005)
  • Электрооборудование
  • Электрические схемы
  • Электросхема зеркал с электрическим приводом

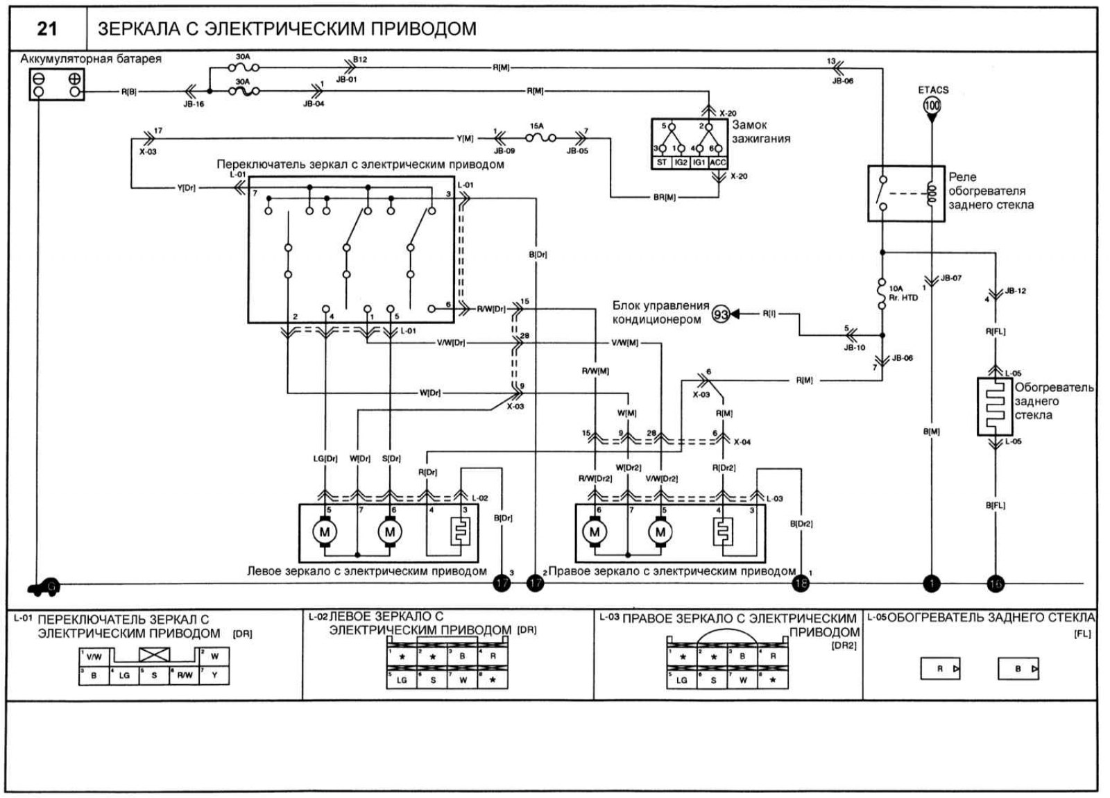
Электросхема зеркал с электрическим приводом (Kia Optima MS)

0

Зеркала с электрическим приводом



Открыть большую картинку в новой вкладке »
Открыть большую картинку в новой вкладке »
Эту статью проверил автоэксперт Дмитрий Смирнов
Эта статья доступна на: английском, болгарском, белорусском, украинском, сербском, хорватском, румынском, польском, словацком, венгерском
Поделиться в соц. сетях:
Предыдущие
Оптима 1: Электрические схемы
Следующие

Электросхема стеклоподъемников с электрическим приводом
Электросхема вентиляции и кондиционера с ручным управлением
Электросхема стоп-сигналов и фонарей заднего хода
Электросхема поворотников и аварийной световой сигнализации
Электросхема фар
Электросхема омывателя фар
Электросхема сиденья водителя с электрическим приводом
Электросхема сиденья пассажира с электрическим приводом
Электросхема сиcтемы круиз-контроля
Еще статьи по теме мануалов для автомобилей Киа:

➤ Стеклоподъемники с электрическим приводом Киа Сид 1 (2006-2012)
➤ Электросхема стеклоподъемников с электрическим приводом Киа Церато 1 (2004-2009)
➤ Электросхема наружного зеркала заднего вида с электрическим приводом Киа Рио 1 (2000-2005)
➤ Антиобледенитель щеток стеклоочистителя лобового стекла, обогреватель стекла задней двери и обогреватели боковых зеркал заднего вида Киа Соренто 1 (2002-2009)
➤ Электросхема электропривода дверных зеркал Киа Спортейдж 1 (1993-2005)
➤ Стеклоподъемники с электрическим приводом Киа Кларус (1995-2001)
Ссылка в разных форматах на эту статью
Комментарии посетителей
Комментариев пока нет


Сколько будет 27 + 22 ?

       



Оптима 1 (2000-2005) 
  • Силовой агрегат
  • Двигатели 2,0 литра DOHC
  • Двигатели 2,5 литра V6
  • Система смазки
  • Система охлаждения
  • Снижение токсичности
  • Топливная система
  • Система зажигания
  • Трансмиссия
  • Сцепление
  • Механическая коробка
  • Автоматическая коробка
  • Приводные валы и оси
  • Шасси
  • Подвеска автомобиля
  • Рулевое управление
  • Тормозная система
  • Кузов
  • Экстерьер
  • Интерьер
  • Система кондиционирования
  • Электрооборудование
  • Оборудование и приборы
  • Силовые устройства
  • Освещение и сигнализация
  • Стеклоочистители и омыватели
  • Электрические схемы
 
   Автомобильный анекдот:
хочу ещё один
 
 
Мобильная версия · Сид 1 (ED) · Церато 1 (LD) · Оптима 1 (MS) · Рио 1 (DC) · Рио 2 (JB-p) · Соренто 1 (EX) · Спортейдж 1 (NB-7) · Спектра · Авелла · Кларус · Шума 1 · Новости автомобилей Kia · Современные технологии · Диагностика автомобилей · Электронные приборы · Новичок за рулем авто
 
Kmanual.net © 2018–2026 · Карта сайта: EN BG BY UA RS HR RO PL SK HU · Обратная связь · Поиск по сайту · В закладки · Автомобильные статьи
Используем cookie-файлы 🍪 для статистики и удобной навигации.