
1. На автомобилях без усилителя рулевого управления ослабьте болт A крепления механизма натяжения, ослабьте регулировочный болт В и снимите ремень привода компрессора кондиционера.

2. На автомобилях с усилителем рулевого управления ослабьте болты A, B и C, ослабьте регулировочный болт D и снимите ремень привода компрессора кондиционера.
3. Разрядите систему кондиционирования воздуха.
4. Отсоедините шланги от компрессора кондиционера.

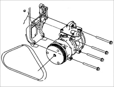
5. Снимите компрессор кондиционера. Немедленно закройте все открытые отверстия и трубки для исключения попадания влаги из воздуха в систему кондиционирования воздуха.
6. Установка компрессора кондиционера проводится в последовательности, обратной снятию, с учетом следующего:
- залейте в компрессор свежее масло;
- перед установкой уплотнительных колец, смажьте их маслом;
- не смазывайте соединительные гайки штуцеров компрессора кондиционера;
- затяните входной и выходной шланги требуемым моментом;
- отрегулируйте натяжение ремня привода компрессора кондиционера.
Момент затяжки: 24–36 Н·м
7. Заправьте хладагентом систему кондиционирования воздуха.
