Оглавление: Расположение элементов системы…⇣ Элементы системы кондиционирования…⇣ Инструкция по применению хладагента ⇣

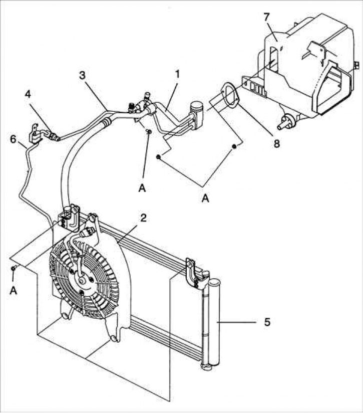
Расположение элементов системы кондиционирования воздуха на автомобиле
1 – всасывающая трубка; 2 – вентилятор конденсатора; 3 – трубка; 4 – датчик двойного давления; 5 – приемник/ сушилка; 6 – более холодная труба; 7 – испаритель; 8 – крышка испарителя.
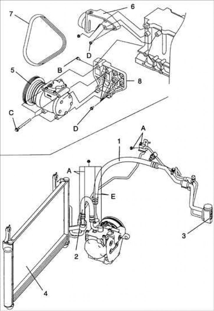
Элементы системы кондиционирования воздуха
1 – всасывающая трубка; 2 – шланг разрядки; 3 – шланг расширения; 4 – конденсатор; 5 – компрессор кондиционера; 6 – направляющий шкив; 7 – ремень привода компрессора кондиционера; 8 – кронштейн компрессора кондиционера; А – гайки, 18–23 Н·м; В – болт, 16–32 Н·м; С – болт, 24–36 Н·м; D – гайка, 32–48 Н·м; Е – гайка, 24–32 Н·м.
Инструкция по применению хладагента

Жидкий хладагент R–134a с высоким содержанием летучих веществ. Попадание его на кожу может закончиться обморожением, поэтому при работе с хладагентом необходимо одевать защитные перчатки.
В качестве стандартных мер защиты при работе с хладагентом необходимо использовать очки для защиты глаз. При попадании хладагента на одежду или защитные средства, немедленно промойте пораженное место большим количеством воды.
Жидкий хладагент R-134a хранится в контейнерах (баллонах). Храните баллон с хладагентом при температуре не более 52°C.
Для проверки герметичности системы кондиционирования используйте электронный датчик. Имейте в виду, что хладагент R-134a после контакта с пламенем разлагается с выделением очень ядовитого газа.
Используйте только рекомендованное масло для смазки элементов системы кондиционирования воздуха, так как в противном случае система может выйти из строя.
Смазка PAG интенсивно поглощает влагу из атмосферного воздуха, поэтому необходимо соблюдать следующие предосторожности:
- при разъединении компонентов системы кондиционирования воздуха, немедленно закройте соединения соответствующими крышками для исключения попадания влаги в систему;
- при установке новых компонентов системы кондиционирования воздуха снимайте с них защитные крышки непосредственно перед их установкой;
- подсоединяйте трубки и шланги системы кондиционирования воздуха как можно быстрее, чтобы уменьшить попадание в систему влаги;
- используйте смазку для системы кондиционирования воздуха только из герметичного контейнера.
Если произошла случайная разрядка системы кондиционирования воздуха, перед обслуживанием системы проветрите рабочее место.
