Оглавление: Рулевая передача с усилителем…⇣ Элементы рулевой передачи с…⇣ Снятие ⇣ Разборка ⇣ Проверка ⇣ Сборка ⇣ Установка ⇣
Рулевая передача с усилителем рулевого управления
1 – промежуточный вал рулевой колонки; 2 – рулевая передача; 3 – защитный чехол; 4 – болты; 5 – наконечник рулевой тяги; 6 – поворотный кулак; 7 – гайка крепления наконечника рулевой тяги; 8 – шплинт.
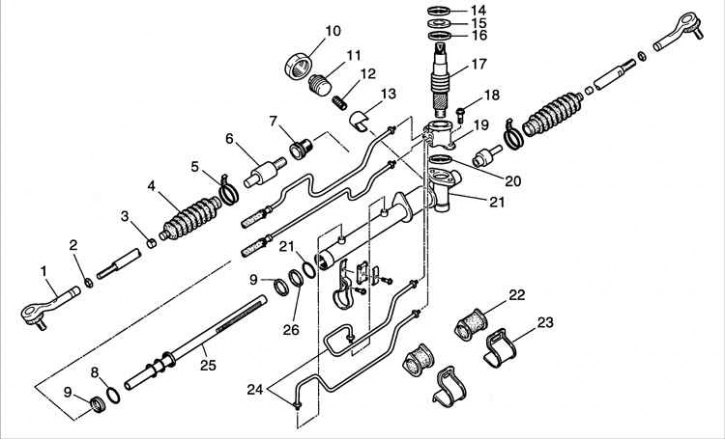
Элементы рулевой передачи с усилителем рулевого управления
1 – наконечник рулевой тяги; 2 – контргайка; 3 – хомут; 4 – защитный чехол; 5 – проволочный хомут; 6 – соединитель; 7 – втулка передачи; 8 – уплотнительное кольцо; 9 – уплотнение рейки; 10 – контргайка; 11 – пробка; 12 – пружина; 13 – скользящий упор; 14 – стопорное кольцо; 15 – масляное уплотнительное кольцо; 16 – втулка входного вала; 17 – вал шестерни; 18 – болт; 19 –корпус регулирующего клапана; 20 – уплотнительное кольцо; 21 – картер рулевой передачи; 22 – резиновая опора; 23 – кронштейн; 24 – маслопроводы; 25 – зубчатая рейка; 26 – внутренняя направляющая.
Снятие
1. Поднимите переднюю часть автомобиля и закрепите на опорах.
2. Снимите колеса.
3. Извлеките шплинты и отверните гайки крепления цапф шаровых шарниров наконечников рулевых тяг к поворотным кулакам.

4. Съемником OK670 321 019 выдавите цапфы шаровых шарниров наконечников рулевых тяг с поворотных кулаков.
Внимание! Для исключения повреждения резьбы цапфы наверните на резьбу временную гайку.
5. Снимите каталитический нейтрализатор.

6. Отсоедините возвратный и напорный шланги.
Внимание! При отсоединении шлангов используйте ветошь или подходящий контейнер для сбора жидкости из гидравлической системы усилителя рулевого управления.
7. Снимите промежуточный вал.

8. Выверните четыре болта крепления рулевой передачи.
9. Переместите рулевую передачу влево и извлеките правую рулевую тягу через отверстие в арке крыла.
10. Снимите рулевую передачу с правой стороны автомобиля.
Разборка
1. Закрепите рулевую передачу в тисках, губки которых закрыты латунными пластинами.

2. Снимите маслопроводы.
3. Перед отворачиванием наконечника рулевой тяги отметьте взаимное расположение рулевой тяги, контргайки и наконечника рулевой тяги.
4. Ослабьте контргайку и отверните левый наконечник рулевой тяги с рулевой тяги.

5. Снимите малый хомут крепления защитного чехла рулевой тяги.

6. Снимите проволочный хомут крепления защитного чехла рулевой тяги.
7. Снимите защитный чехол.

8. Отделите рулевую тягу от зубчатой рейки.

9. Отверните контргайку фиксации пробки и выверните пробку.

10. Снимите пружину и скользящий упор.

11. Снимите пружинное стопорное кольцо регулирующего клапана.

12. Снимите масляное уплотнительное кольцо.
13. Выверните два болта крепления корпуса регулирующего клапана.

14. Снимите корпус регулирующего клапана и узел регулирующего клапана.

15. При необходимости снимите прокладку из картера рулевой передачи.

16. Снимите уплотнительное кольцо.
17. Снимите низкий подшипник шестерни из картера рулевой передачи.

18. Резиновым молотком выбейте шестерню и узел регулирующего клапана из корпуса.
19. Снимите четыре тефлоновых регулировочных прокладки из узла регулирующего клапана.

20. Специальным инструментом выбейте подшипник из корпуса регулирующего клапана.
21. Специальным инструментом вращайте втулку зубчатой рейки, пока зацеп не совместится с пазом в картере рулевой передачи.

22. Поверните втулку.

23. Снимите зубчатую рейку с правой стороны рулевой передачи.
24. Снимите втулку с зубчатой рейки.
25. Снимите уплотнительное кольцо круглого сечения.

26. Специальным инструментом снимите уплотнительное кольцо, ударяя молотком по зубчатой рейке.

27. Инерционным молотком и съемником извлеките уплотнительное кольцо зубчатой рейки.
28. Снимите кронштейны и уплотняющие кольца.
Проверка
1. Проверьте детали рулевой передачи на отсутствие трещин или повреждений, а также на неравномерность износа зубьев рейки. При необходимости замените изношенные детали.
2. Проверьте уплотнительные кольца на отсутствие неравномерного износа и повреждений. При необходимости замените изношенные детали.
3. Установите зубчатую рейку на V–образных блоках и индикатором часового типа измерьте прогиб рейки. Если прогиб превышает допустимое значение замените рейку.
Сборка
1. Установите уплотняющие кольца и кронштейны.
Внимание! Установите торец пружины и выступы уплотнительных колец на специальный инструмент.

2. Специальным инструментом установите уплотнительное кольцо на зубчатую рейку.

3. Специальным инструментом установите уплотнительное кольцо круглого сечения на поршень.

4. Установите на торец зубчатой рейки защитный колпачок и по колпачку установите втулку.

5. Установите на зубчатую рейку защиту масляного уплотняющего кольца, как показано на рисунке. Установите зубчатую рейку с защитой в картер рулевой передачи.

6. Молотком и специальным инструментом установите нижний подшипник в корпус регулирующего клапана.

7. Если проводилась замена корпуса клапана, узла регулирующего клапана или картера рулевой передачи, подберите регулировочные прокладки при установке корпуса регулирующего клапана.
Если замена деталей не проводилась, установите все ранее снятые прокладки.

8. Специальным инструментом установите тефлоновые регулировочные прокладки в узел регулирующего клапана.
- установите первое уплотнительное кольцо (наиболее близкое к подшипнику), перемещая толкатель к первой канавке.
- установите прокладку, перемещая большой конец оправки по уплотнительному кольцу.
- перед установкой второй прокладки установите распорную втулку в корпус регулирующего клапана, как показано на рисунке. Установите прокладку, используя оправку и толкатель.
- перед установкой третьей прокладки установите две распорных втулки в корпус регулирующего клапана. Проверьте, что две распорных втулки установлены как одно целое. Установите третью прокладку.
- чтобы устанавливать четвертую прокладку, переверните вторую распорную втулку так, чтобы маленькие концы распорных втулок встретились на узле регулирующего клапана.

9. Вставьте узел регулирующего клапана в корпус и удостоверьтесь, что он установился должным образом.
10. Установите новое уплотнительное кольцо круглого сечения.
11. Установите корпус с узлом регулирующего клапана и закрепите болтами, затянув их требуемым моментом.
Момент затяжки: 21–26 Н·м
12. Специальным инструментом установите подшипник.

13. Специальным адаптером установите прокладку.
14. Установите скользящий упор.
15. Установите пружину.

16. Нанесите тонкий слой герметика на резьбу пробки. Вверните пробку и затяните ее требуемым моментом.
Момент затяжки: 19,6 Н·м
17. Ослабьте пробку.

18. Затяните пробку скользящего упора моментом затяжки 4,9 Н·м, затем ослабьте ее на 67,5°

19. Специальным инструментом ОК130 322 020 измерьте момент проворачивания вала рулевой передачи.
Момент проворачивания в центре зубчатой рейки ±90°: 0,8–1,3 Н·м
20. Если момент проворачивания не соответствует требуемым значениям, повторите шаги 18–21.

21. Затяните контргайку моментом 39–49 Н·м.
22. Установите рулевые тяги.
23. Совместите шайбу с углублением зубчатой рейки и загните ее.
24. Надвигая по рулевым тягам установите защитные чехлы рулевой передачи.
25. Закрепите большую сторону чехла проволокой обернув ее на два оборота и закрутите концы проволоки 4–4,5 раза.
Внимание! Будьте осторожны, чтобы не повредить провод крепления чехла.
26. Закрепите чехол с меньшей стороны хомутом.
27. Наверните контргайку левой рулевой тяги и совместите метки, нанесенные перед выворачиванием гайки. Наверните наконечник левой рулевой тяги и совместите метки, нанесенные перед выворачиванием наконечника. Затяните контргайку наконечника рулевой тяги.

28. Установите маслопроводы.
Установка
1. Установите рулевую передачу с правой стороны автомобиля.

2. Соедините промежуточный вал с валом шестерни рулевой передачи и закрепите стяжным болтом.
Момент затяжки: 18–26 Н·м

3. Подсоедините возвратный и напорный шланги.
Момент затяжки: 39–59 Н·м

4. Закрепите рулевую передачу болтами и гайками.
Момент затяжки: 37–52 Н·м
5. Установите каталитический нейтрализатор.
Момент затяжки: 37–52 Н·м
6. Установите цапфы шаровых шарниров наконечников рулевых тяг в поворотные кулаки. Наверните гайки крепления цапф, затяните их требуемым моментом.
Момент затяжки: 37–52 Н·м
7. Установите шплинты.
8. Установите колеса.
Момент затяжки: 88–118 Н·м
9. Опустите автомобиль.
10. Залейте жидкость с гидравлическую систему усилителя рулевого управления и удалите из нее воздух.
