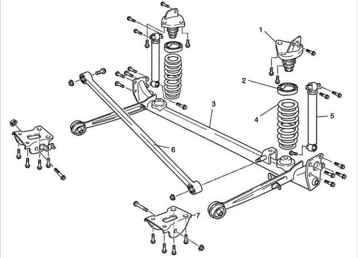
Элементы задней подвески
1 – опора; 2 – резиновая опора пружины; 3 – балка задней подвески; 4 – цилиндрическая пружина; 5 – амортизатор; 6 – тяга компенсации бокового перемещения балки задней подвески; 7 – кронштейн переднего крепления балки задней подвески.
Снятие
1. Поднимите заднюю часть автомобиля и закрепите на опорах.
2. Снимите колесо.
3. Установите домкрат под балкой задней подвески и немного приподнимите балку.

4. Выверните болт нижнего крепления амортизатора.
5. Опустите домкрат и снимите цилиндрическую пружину.

6. Отверните соединительную гайку и отсоедините задний тормозной шланг от трубки, затем освободите его из кронштейна.
Внимание! Для исключения попадания грязи и предотвращения вытекания тормозной жидкости закройте тормозной шланг и трубку подходящими пробками.
7. Снимите зажим крепления тормозного шланга.
8. Отсоедините гибкий тормозной шланг от балки задней подвески.
9. Отсоедините трос стояночного тормоза от балки задней подвески.

10. Отверните по четыре гайки с каждой стороны и снимите с балки задней подвески оси с тормозными механизмами.

11. Выверните болт крепления тяги компенсации бокового перемещения балки задней подвески к балке.

12. Отверните гайки и извлеките болты крепления передних частей продольных рычагов балки задней подвески к кронштейнам. Выверните болты крепления кронштейнов к кузову.

13. Отверните гайку и извлеките болт крепления тяги компенсации бокового перемещения балки задней подвески к кронштейну.
14. Выверните болт крепления тяги компенсации бокового перемещения балки задней подвески к балке и снимите тягу.
Внимание! Соблюдайте осторожность чтобы не повредить трос стояночного тормоза.
15. Снимите балку задней подвески.
16. Выверните болт верхнего крепления амортизатора.

17. Снимите верхнюю опору цилиндрической пружины.
![]() |
![]() |
18. Специальным приспособлением ОК670 990 АА0 выдавите втулки из передней части продольных рычагов балки задней подвески.
Проверка
Проверьте детали задней подвески на отсутствие повреждений или деформации и, при необходимости, замените их.
Установка

1. Установите втулку напротив отверстия в передней части продольных рычагов балки задней подвески и специальным приспособлением ОК670 990 АА0 запрессуйте ее.
Внимание! Метка на втулке должна быть направлена к передней части автомобиля. Для облечения установки втулки предварительно смажьте ее мыльной водой или смазочным материалом.
2. Установите опору верхней части цилиндрической пружины.
Момент затяжки: 36–54 Н·м
3. Вверните болт верхнего крепления амортизатора.
Момент затяжки: 46–57 Н·м
4. Установите передние части продольных рычагов балки задней подвески в кронштейны и закрепите болтами и гайками, но не затягивайте их окончательно.
5. Установите кронштейны на кузов и закрепите их болтами.
6. Установите тягу компенсации бокового перемещения балки задней подвески на кузов и закрепите ее.
Момент затяжки: 78–98 Н·м
7. Установите тягу компенсации бокового перемещения балки задней подвески на балку и закрепите ее.
Момент затяжки: 78–98 Н·м
8. Затяните болты и гайки крепления передних частей продольных рычагов балки задней подвески к кронштейнам требуемыми моментами.
Момент затяжки: 54–68 Н·м
9. Затяните болты крепления кронштейнов к кузову.
Момент затяжки: 98–118 Н·м

10. Установите оси с тормозными механизмами и закрепите их.
Момент затяжки: 43–61 Н·м
11. Установите кронштейн троса стояночного тормоза и закрепите его на балке.
Момент затяжки: 19–26 Н·м
12. Установите гибкий тормозной шланг на балку.

13. Закрепите зажимом гибкий тормозной шланг.
14. Соедините тормозной шланг и тормозную трубку.
Момент затяжки: 13–23 Н·м
15. Немного опустите заднюю балку и установите цилиндрические пружины.
16. Домкратом приподнимите заднюю балку и вверните болт нижнего крепления амортизатора.
Момент затяжки: 78–98 Н·м


