KManual.net
Русский English
Български
Беларускі
Український
Српски
Hrvatski
Română
Polski
Slovenský
Magyar
| Статьи | Карта | Контакты |  | В закладки
АвтоВАЗ Лада Ауди Фольксваген Ленд Ровер Ниссан Рено
 
 
 
 
 
 
 
 
  Ceed   Cerato   Optima   Rio   Sorento   Soul   Sportage   Другие
 
Рио 2 (2005-2011, бензин) Рио 1 (2000-2005)
  • Главная
  • Киа Рио
  • DC (2000-2005)
  • Электрооборудование
  • Электрические схемы
  • Электросхема антиблокировочной системы тормозов (ABS)

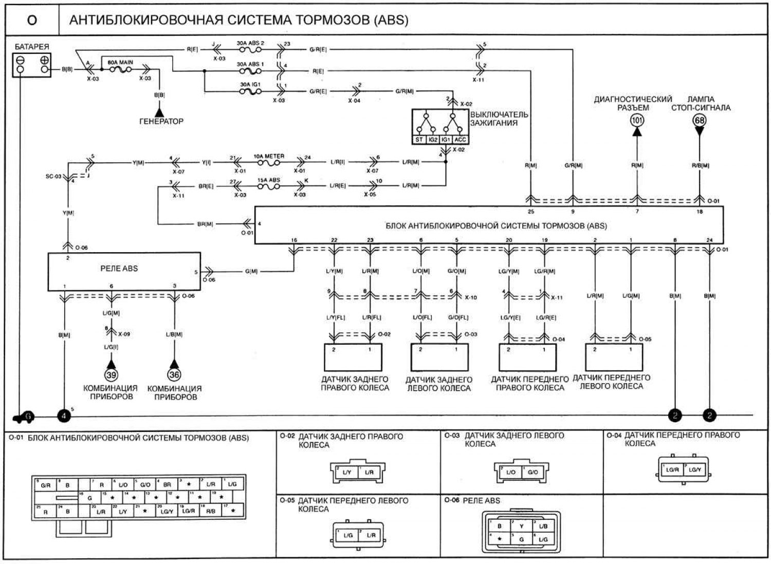
Электросхема антиблокировочной системы тормозов (ABS) (Kia Rio DC)

0

Антиблокировочная система тормозов (ABS)



Открыть большую картинку в новой вкладке »
Открыть большую картинку в новой вкладке »
Эту статью проверил автоэксперт Дмитрий Смирнов
Эта статья доступна на: английском, болгарском, белорусском, украинском, сербском, хорватском, румынском, польском, словацком, венгерском
Поделиться в соц. сетях:
Предыдущие
Рио 1: Электрические схемы
Следующие

Электросхема внутреннего освещения и люка
Электросхема наружного зеркала заднего вида с электрическим приводом
Электросхема центрального замка
Электросхема стеклоподъемников (4 двери)
Электросхема стеклоподъемников (2 двери)
Электросхема радиоприемника
Электросхема обогревателя сиденья
Электросхема подушек безопасности (без боковых подушек)
Электросхема подушек безопасности (с боковыми подушками)
Электросхема обогревателя заднего стекла и освещения багажного отделения
Электросхема штепсельной розетки, прикуривателя и иммобилайзера
Электросхема diagnosis connector, OBD-II check connector
Еще статьи по теме мануалов для автомобилей Киа:

➤ Прокачка гидравлической системы привода тормозов Киа Сид 1 (2006-2012)
➤ Электросхема системы пуска и зарядки Киа Церато 1 (2004-2009)
➤ Электросхема антиблокировочной системы тормозов (ABS) Киа Оптима 1 (2000-2005)
➤ Антиблокировочная система тормозов (ABS) Киа Соренто 1 (2002-2009)
➤ Электросхема системы управления двигателем Киа Спортейдж 1 (1993-2005)
➤ Схема 17. Соединения антиблокировочной системы тормозов (ABS) Киа Спектра (2000-2009)
Ссылка в разных форматах на эту статью
Комментарии посетителей
Комментариев пока нет


Сколько будет 14 + 36 ?

       



Рио 2 (2005-2011) 
  • Общая информация
  • Руководство по эксплуатации
  • Техническое обслуживание
  • Силовой агрегат
  • Ремонт двигателей
  • Система охлаждения
  • Система смазки
  • Система впрыска топлива
  • Система пуска и заряда
  • Трансмиссия
  • Сцепление и приводные валы
  • Механическая коробка
  • Автоматическая коробка
  • Шасси
  • Подвеска и колеса
  • Рулевое управление
  • Тормозная система
  • Кузов
  • Экстерьер
  • Интерьер
  • Двери и окна
  • Кондиционер и отопитель
  • Системы безопасности
  • Электрооборудование
  • Оборудование и приборы
  • Фары и освещение
  • Электрические схемы
 
Рио 1 (2000-2005) 
  • Общая информация
  • Руководство по эксплуатации
  • Силовой агрегат
  • Ремонт двигателя
  • Система смазки
  • Система охлаждения
  • Топливная система
  • Система зажигания
  • Трансмиссия
  • Сцепление
  • Механическая коробка
  • Автоматическая коробка
  • Приводные валы и оси
  • Шасси
  • Подвеска автомобиля
  • Колеса и шины
  • Рулевое управление
  • Тормозная система
  • Кузов
  • Экстерьер
  • Интерьер
  • Система кондиционирования
  • Электрооборудование
  • Оборудование и приборы
  • Силовые устройства
  • Электрические схемы
 
   Автомобильный анекдот:
хочу ещё один
 
 
Мобильная версия · Сид 1 (ED) · Церато 1 (LD) · Оптима 1 (MS) · Рио 1 (DC) · Рио 2 (JB-p) · Соренто 1 (EX) · Спортейдж 1 (NB-7) · Спектра · Авелла · Кларус · Шума 1 · Новости автомобилей Kia · Современные технологии · Диагностика автомобилей · Электронные приборы · Новичок за рулем авто
 
Kmanual.net © 2018–2026 · Карта сайта: EN BG BY UA RS HR RO PL SK HU · Обратная связь · Поиск по сайту · В закладки · Автомобильные статьи
Используем cookie-файлы 🍪 для статистики и удобной навигации.