KManual.net
Русский English
Български
Беларускі
Український
Српски
Hrvatski
Română
Polski
Slovenský
Magyar
| Статьи | Карта | Контакты |  | В закладки
АвтоВАЗ Лада Ауди Фольксваген Ленд Ровер Ниссан Рено
 
 
 
 
 
 
 
 
  Ceed   Cerato   Optima   Rio   Sorento   Soul   Sportage   Другие
 
Рио 2 (2005-2011, бензин) Рио 1 (2000-2005)
  • Главная
  • Киа Рио
  • DC (2000-2005)
  • Электрооборудование
  • Электрические схемы
  • Электросхема штепсельной розетки, прикуривателя и иммобилайзера

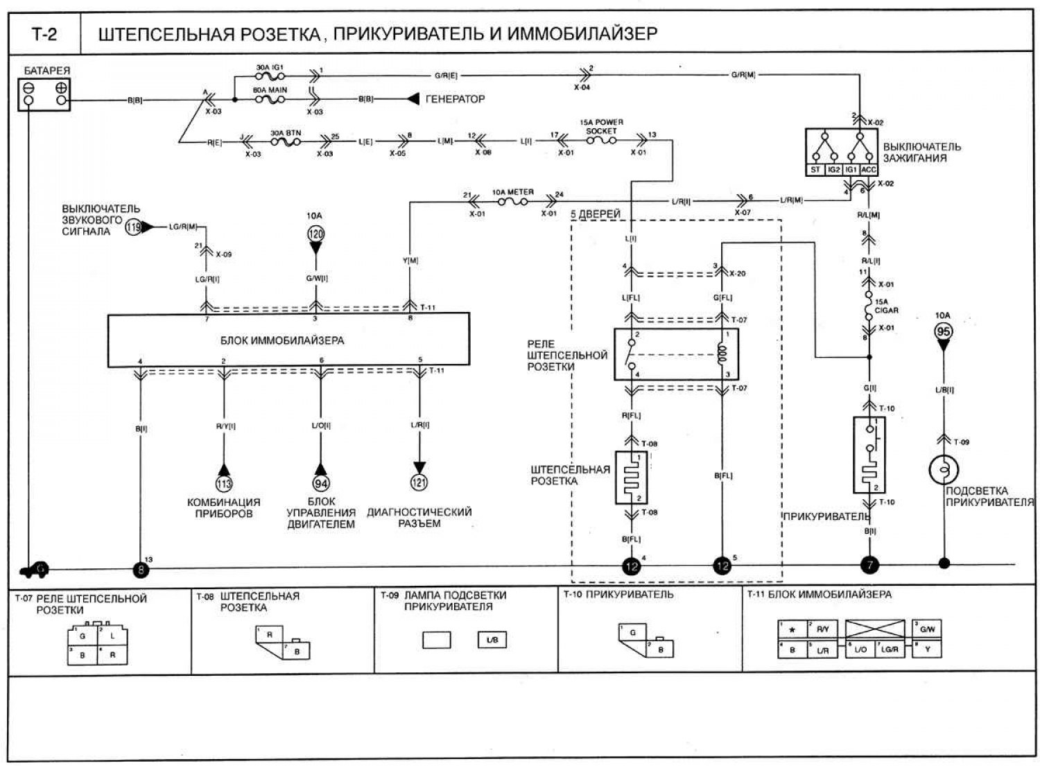
Электросхема штепсельной розетки, прикуривателя и иммобилайзера (Kia Rio DC)

0

Штепсельная розетка, прикуриватель и иммобилайзер



Открыть большую картинку в новой вкладке »
Открыть большую картинку в новой вкладке »
Эту статью проверил автоэксперт Дмитрий Смирнов
Эта статья доступна на: английском, болгарском, белорусском, украинском, сербском, хорватском, румынском, польском, словацком, венгерском
Поделиться в соц. сетях:
Предыдущие
Рио 1: Электрические схемы
Следующие

Электросхема обогревателя заднего стекла и освещения багажного отделения
Электросхема подушек безопасности (с боковыми подушками)
Электросхема подушек безопасности (без боковых подушек)
Электросхема обогревателя сиденья
Электросхема антиблокировочной системы тормозов (ABS)
Электросхема внутреннего освещения и люка
Электросхема diagnosis connector, OBD-II check connector
Еще статьи по теме мануалов для автомобилей Киа:

➤ Электросхема системы пуска и зарядки Киа Церато 1 (2004-2009)
➤ Электросхема системы запуска Киа Оптима 1 (2000-2005)
➤ Система иммобилайзера (G6CU, с 2002 года) Киа Соренто 1 (2002-2009)
➤ Электросхема распределения питания Киа Спортейдж 1 (1993-2005)
➤ Снятие и установка патрона прикуривателя Киа Спектра (2000-2009)
Ссылка в разных форматах на эту статью
Комментарии посетителей
Комментариев пока нет


Сколько будет 41 + 48 ?

       



Рио 2 (2005-2011) 
  • Общая информация
  • Руководство по эксплуатации
  • Техническое обслуживание
  • Силовой агрегат
  • Ремонт двигателей
  • Система охлаждения
  • Система смазки
  • Система впрыска топлива
  • Система пуска и заряда
  • Трансмиссия
  • Сцепление и приводные валы
  • Механическая коробка
  • Автоматическая коробка
  • Шасси
  • Подвеска и колеса
  • Рулевое управление
  • Тормозная система
  • Кузов
  • Экстерьер
  • Интерьер
  • Двери и окна
  • Кондиционер и отопитель
  • Системы безопасности
  • Электрооборудование
  • Оборудование и приборы
  • Фары и освещение
  • Электрические схемы
 
Рио 1 (2000-2005) 
  • Общая информация
  • Руководство по эксплуатации
  • Силовой агрегат
  • Ремонт двигателя
  • Система смазки
  • Система охлаждения
  • Топливная система
  • Система зажигания
  • Трансмиссия
  • Сцепление
  • Механическая коробка
  • Автоматическая коробка
  • Приводные валы и оси
  • Шасси
  • Подвеска автомобиля
  • Колеса и шины
  • Рулевое управление
  • Тормозная система
  • Кузов
  • Экстерьер
  • Интерьер
  • Система кондиционирования
  • Электрооборудование
  • Оборудование и приборы
  • Силовые устройства
  • Электрические схемы
 
   Автомобильный анекдот:
хочу ещё один
 
 
Мобильная версия · Сид 1 (ED) · Церато 1 (LD) · Оптима 1 (MS) · Рио 1 (DC) · Рио 2 (JB-p) · Соренто 1 (EX) · Спортейдж 1 (NB-7) · Спектра · Авелла · Кларус · Шума 1 · Новости автомобилей Kia · Современные технологии · Диагностика автомобилей · Электронные приборы · Новичок за рулем авто
 
Kmanual.net © 2018–2026 · Карта сайта: EN BG BY UA RS HR RO PL SK HU · Обратная связь · Поиск по сайту · В закладки · Автомобильные статьи
Используем cookie-файлы 🍪 для статистики и удобной навигации.