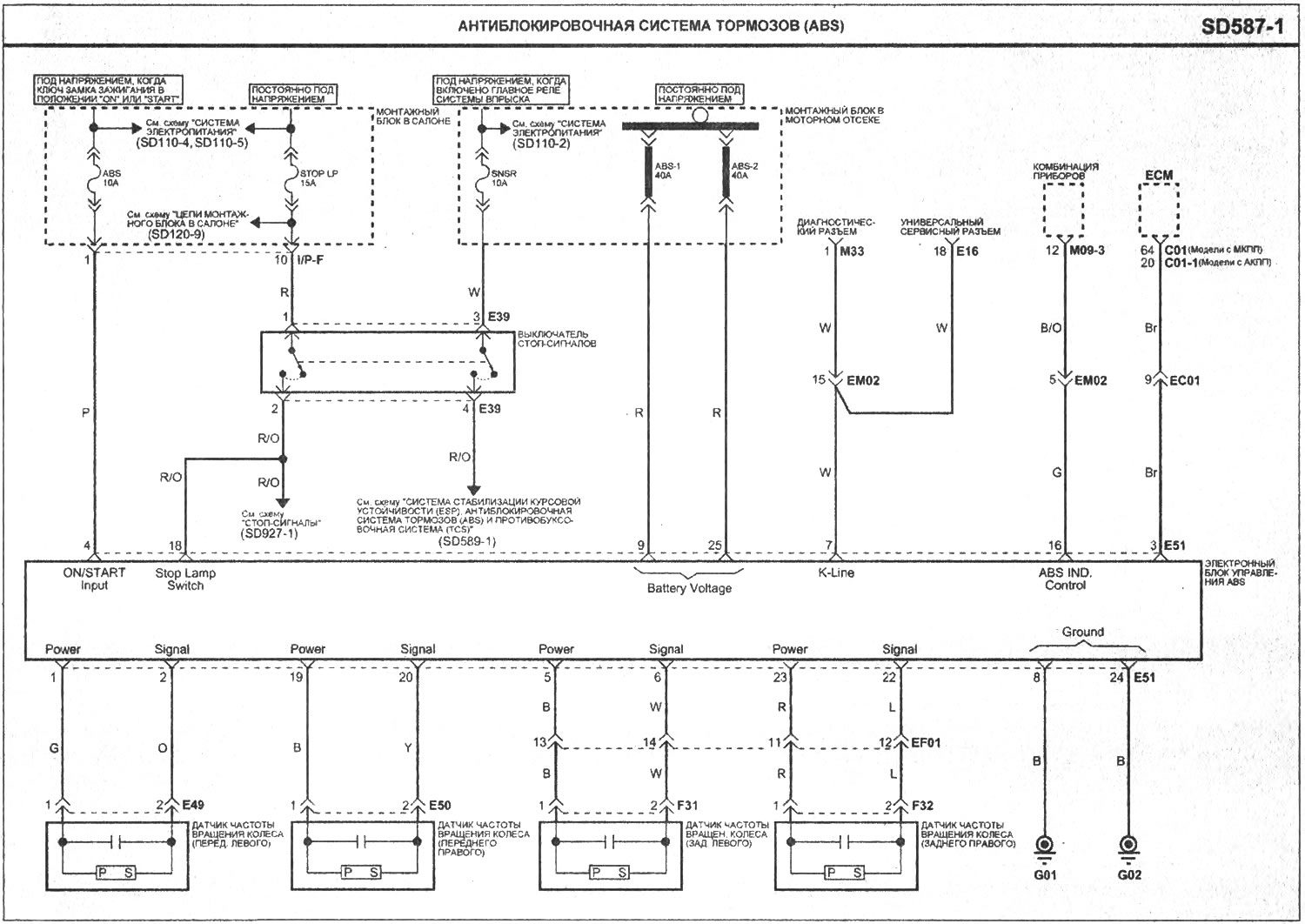
Антиблокировочная система тормозов (ABS) (Kia Rio DC)
0
Эта статья доступна на: английском, болгарском, белорусском, украинском, сербском, хорватском, румынском, польском, словацком, венгерском
Предыдущие
Следующие
Система выпуска отработавших газов — снятие и установка
Зубчатый ремень — снятие, проверка и установка
Проверка пружины клапана
Проверка седла клапана
Проверка клапанов
Головка блока цилиндров — снятие, проверка и установка
Зубчатый ремень — снятие, проверка и установка
Проверка пружины клапана
Проверка седла клапана
Проверка клапанов
Головка блока цилиндров — снятие, проверка и установка
Еще статьи по теме мануалов для автомобилей Киа:
➤ Антиблокировочная система тормозов (ABS) Киа Сид 1 (2006-2012)
➤ Антиблокировочная система тормозов (ABS) и система управления тягой (TCS) Киа Церато 1 (2004-2009)
➤ Антиблокировочная система тормозов Киа Оптима 1 (2000-2005)
➤ Антиблокировочная система тормозов (ABS) Киа Соренто 1 (2002-2009)
➤ Электросхема система антиблокировки тормозов (ABS) Киа Спортейдж 1 (1993-2005)
➤ Антиблокировочная система тормозов (ABS) Киа Кларус (1995-2001)
Ссылка в разных форматах на эту статью
Комментарии посетителей
Комментариев пока нет
- Общая информация
- Руководство по эксплуатации
- Техническое обслуживание
- Силовой агрегат
- Ремонт двигателей
- Система охлаждения
- Система смазки
- Система впрыска топлива
- Система пуска и заряда
- Трансмиссия
- Сцепление и приводные валы
- Механическая коробка
- Автоматическая коробка
- Шасси
- Подвеска и колеса
- Рулевое управление
- Тормозная система
- Кузов
- Экстерьер
- Интерьер
- Двери и окна
- Кондиционер и отопитель
- Системы безопасности
- Электрооборудование
- Оборудование и приборы
- Фары и освещение
- Электрические схемы
- Общая информация
- Руководство по эксплуатации
- Силовой агрегат
- Ремонт двигателя
- Система смазки
- Система охлаждения
- Топливная система
- Система зажигания
- Трансмиссия
- Сцепление
- Механическая коробка
- Автоматическая коробка
- Приводные валы и оси
- Шасси
- Подвеска автомобиля
- Колеса и шины
- Рулевое управление
- Тормозная система
- Кузов
- Экстерьер
- Интерьер
- Система кондиционирования
- Электрооборудование
- Оборудование и приборы
- Силовые устройства
- Электрические схемы
Автомобильный анекдот:
хочу ещё один


