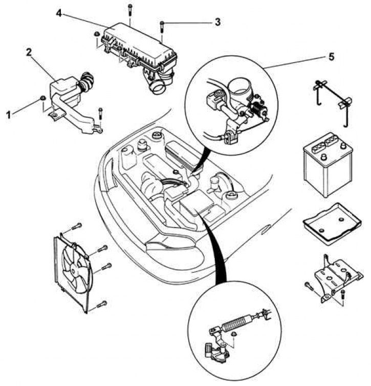
Воздушный фильтр (ACL) и элементы моторного отсека
1 – гайка, 7,8–11 Нм; 2 – заборник свежего воздуха; 3 – болт, 7,8–11 Нм; 4 – узел воздушного фильтра; 5 – трос акселератора.
Проверка фильтрующего элемента воздушного фильтра

Проверьте фильтрующий элемент воздушного фильтра на отсутствие чрезмерного загрязнения, повреждения или попадания на него масла.
Внимание! Для очистки фильтрующего элемента используйте сжатый воздух, подавая его с внутренней стороны фильтрующего элемента. При необходимости, замените фильтрующий элемент воздушного фильтра.
