Оглавление: Элементы крепления масляного насоса ⇣ Последовательность разборки…⇣ Снятие ⇣ Проверка ⇣ Установка ⇣
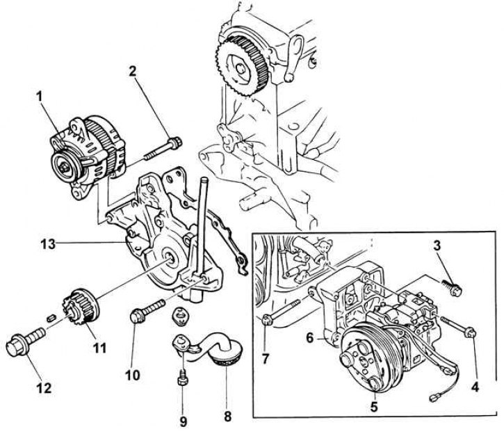
Элементы крепления масляного насоса
1 – генератор; 2 – болт, 37–52 Н·м; 3 – болт, 37–52 Н·м; 4 – болт, 24–35 Н·м; 5 – компрессор кондиционера; 6 – кронштейн компрессора кондиционера; 7 – болт, 19–25 Н·м; 8 – сетчатый фильтр; 9 – болт, 7,8–11 Н·м; 10 – болт, 19–25 Н·м; 11 – шкив зубчатого ремня; 12 – болт, 108–118 Н·м (заменить); 13 – масляный насос.
Последовательность разборки масляного насоса
1 – уплотнительное кольцо (заменить); 2 – болт, 5,9–8,8 Н·м; 3 – крышка насоса; 4 – внешний ротор; 5 – внутренний ротор; 6 – стопорное кольцо; 7 – гнездо пружины; 8 – пружина; 9 – плунжер; 10 – корпус насоса.
Снятие
1. Отсоедините провод от отрицательной клеммы аккумуляторной батареи.
2. Выверните пробку слива масла и слейте масло из двигателя.
3. Снимите ремень привода вспомогательных агрегатов.
4. Снимите зубчатый ремень привода газораспределительного механизма.
5. Снимите детали в последовательности, показанной на рис. Последовательность разборки масляного насоса.
Проверка
1. Очистите все детали масляного насоса.
2. Проверьте состояние и, при необходимости, замените следующие детали:
- деформированные или поврежденные корпус и/ или крышка масляного насоса;
- изношенный или поврежденный плунжер;
- ослабленная или сломанная пружина.
3. Металлической линейкой и щупом измерьте боковой зазор роторов масляного насоса.
Предельно допустимый боковой зазор роторов масляного насоса: 0,10 мм
4. Щупом измерьте зазор между зубьями роторов масляного насоса.
Предельно допустимый зазор между зубьями роторов масляного насоса: 0,18 мм
5. Щупом измерьте зазор между внешним ротором и корпусом масляного насоса.
Предельно допустимый зазор между внешним ротором и корпусом масляного насоса: 0,20 мм
Установка
Установка масляного насоса проводится в последовательности, обратной снятию.
