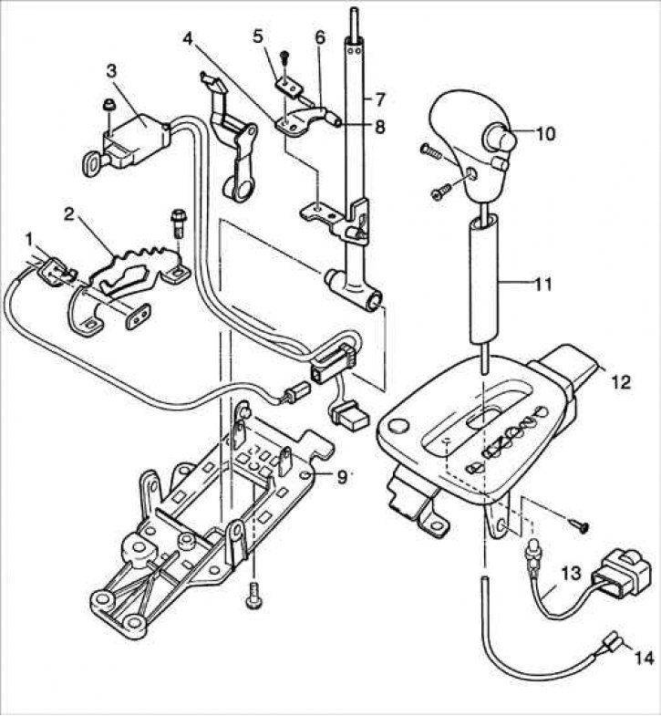
Рычаг селектора
1 – выключатель парковки; 2 – направляющая пластина; 3 – модулятор; 4 – пружинная пластина; 5 – пластина; 6 – штифт; 7 – рычаг селектора; 8 – ролик фиксатора; 9 – опорная плита; 10 – кнопка рычага селектора; 11 – кожух; 12 – панель индикатора; 13 – лампа индикатора позиции селектора; 14 – разъем выключателя O/D.
Разборка

1. Отверткой с плоским лезвием освободите контакты разъема. Извлеките контакты из разъема.
2. Тонкой выколоткой и молотком выбейте со стороны коробки передач штифт и снимите две шайбы, шестерню привода и вал.
3. Снимите панель индикатора.
4. Снимите кожух.
5. Поверните лампу индикатора положения рычага селектора против часовой стрелки и снимите ее.
6. Выверните два винта и снимите ролик фиксатора в сборе, затем снимите пластину, верхнюю пружинную пластину и пружинную пластину.
7. Выверните болт из опорной плиты.
8. Выверните два болта крепления направляющей пластины и снимите ее.
9. Снимите рычаг замка и рычаг селектора.
Сборка

1. Установите рычаг селектора на опорную плиту.
2. Установите направляющую пластину на опорную плиту и закрепите двумя болтами.
Момент затяжки: 6,8–9,8 Н·м
3. Нанесите смазку 0-GL02 на внутреннюю часть ролика.
4. Переместите рычаг селектора в позицию P.
5. Свободно установите пружинную пластину, верхнюю пружинную пластину и пластину.
Момент затяжки: 2,0–2,9 Н·м
6. Нанесите смазку 0-GL02 на внешнюю и внутреннюю части направляющей пластины.
7. Дальнейшая сборка проводится в последовательности, обратной разборке.
8. Проверьте, что положение рычага селектора соответствуют индикации рычага селектора.
