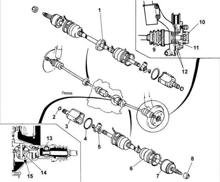
Приводные валы
1 – динамический демпфер; 2 – стопорное кольцо; 3 – корпус шарнира (внешнее кольцо); 4 – стопорное кольцо; 5 – опора роликов трипоидного соединения; 6 – защитный чехол; 7 – ШРУС Birfield; 8 – гайка; 9 – ШРУС типа Birfield; 10 – гайка; 11 – ступица колеса; 12 – подшипники; 13 – ШРУС типа Трипоид; 14 – полуосевая шестерня дифференциала; 15 – ШРУС типа Трипоид.
Приводные валы передают крутящий момент от двигателя, коробки передач и дифференциала на передние колеса. В картере коробки передач приводные валы крепятся шлицевыми соединениями с полуосевыми шестернями дифференциала. Фиксация шлицевого наконечника внутреннего шарнира приводного вала в полуосевой шестерне производится пружинным стопорным кольцом.
При установке стопорное кольцо сжимается, входя в канавку вала. После того как вал полностью установлен в полуосевую шестерню дифференциала стопорное кольцо разжимается и фиксирует шлицевой наконечник от осевого перемещения. Наружные шарниры проводных валов крепятся к ступицам передних колес, установленных на подшипниках. Крепление вала к ступице осуществляется гайкой с буртиком.
Для исключения отворачивания гайки буртик гайки загибается в выемку приводного вала. Люфт между ступицей и приводным валом устраняется расположением шлицов. Шлицы в ступице расположены прямо, а шлицы на валу выполнены под небольшим углом. Различное исполнение шлицов обеспечивает соединение с предварительным натягом, то есть неподвижной посадкой исключающей все регулировки.
Шарниры равных угловых скоростей (ШРУСы) установлены с двух сторон приводного вала. Все наружные ШРУСы типа Birfield, а внутренние – трипоидного типа. ШРУСы трипоидного типа используются для предотвращения передачи вибраций двигателя через приводные валы на кузов автомобиля. ШРУСы необходимы для передачи крутящего момента и компенсации движения передней подвески. Также, ШРУСы позволяют изменять длину приводного вала и передавать крутящий момент под постоянно меняющимися углами. Для обеспечения гибкости в ШРУСах типа Birfield используют шарики, расположенные в корпусе шарнира. В шарнирах типа Tripoid (трипоидного типа) используется три ролика, установленных на основании с тремя осями.
Трипоидные ШРУСы могут сниматься и обслуживаться. ШРУСы типа Birfield (шариковые) не снимаются и не обслуживаются, на них возможна замена только защитного чехла.
