Оглавление: Снятие и установка ⇣ Проверка ⇣
Снятие и установка
1. Слейте охлаждающую жидкость.
Примечание: во избежание ожогов не снимайте крышку радиатора нли крышку расширительного бачка на горячем двигателе, так как жидкость и пар находятся под давлением.
2. Ослабьте болты шкива насоса охлаждающей жидкости.
- Момент затяжки — 8-9 Нм
3. Снимите ремни привода навесных агрегатов (А, В и С).

4. Снимите шкив насоса охлаждающей жидкости.
5. Снимите ремень привода ГРМ (см. раздел "Ремень привода ГРМ").
6. Снимите промежуточный ролик.
7. Снимите насос охлаждающей жидкости.
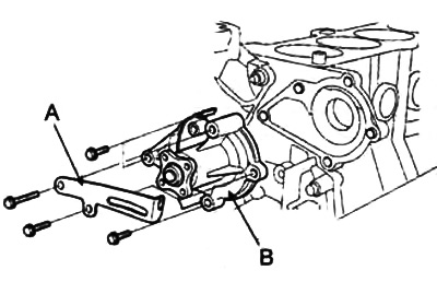
а) Отверните два болта и снимите регулировочную пластину генератора (А).
- Момент затяжки — 20-60 Нм
б) Отверните три болта и снимите насос охлаждающей жидкости (В) с прокладкой.
- Момент затяжки — 12-14 Нм

8. Установка производится в порядке, обратном снятию.
Проверка
1. Проверьте каждую деталь на отсутствие трещин, повреждения или износа, и, в случае необходимости, замените насос охлаждающей жидкости в сборе.
2. Проверьте подшипник на отсутствие повреждения, повышенного шума при работе и медленного вращения, и замените насос охлаждающей жидкости в сборе если необходимо.
3. Проверьте насос на отсутствие утечек охлаждающей жидкости. Если имеются утечки охлаждающей жидкости, то узел сальника неисправен. Замените насос охлаждающей жидкости в сборе.

