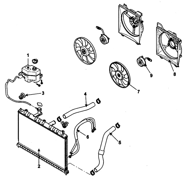
Снятие и установка радиатора и вентилятора (тип 1).
1 - расширительный бачок,
2 - радиатор,
3 - опора радиатора,
4 - верхние шланги радиатора,
5 - нижние шланги радиатора,
6 - шланги маслоохладителя,
7 - вентилятор,
8 - кожух вентилятора,
9 - электродвигатель вентилятора.
Снятие и установка радиатора и вентилятора (тип 2).
1 - расширительный бачок,
2 - радиатор,
3 - опора радиатора,
4 - верхний шланг радиатора,
5 - нижний шланг радиатора,
6 - шланги маслоохладителя,
7 - вентилятор,
8 - кожух вентилятора,
9 - электродвигатель вентилятора.
