2. Снимите ремень привода навесных агрегатов.
3. Снимите масляный поддон.
4. Снимите маслоприемник.
- Момент затяжки — 14 -11 Нм
5. Снимите генератор.
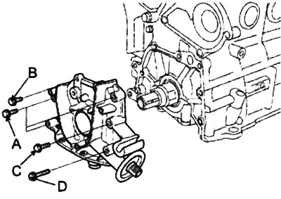
6. Снимите кронштейн (А) натяжителя ремня привода компрессора кондиционера.

7. Отверните болты и снимите масляный насос.
Снятие и установка масляного насоса.
1 - масляный насос,
2 - масляный фильтр,
3 - прокладка,
4 - маслоприемник,
5 - сливная пробка,
6 - прокладка,
7 - масляный поддон.
8. Установите масляный насос и заверните болты.
Длина болтов:
- болт "А" — 30 мм
- болт "В" — 22 мм
- болт "С" — 45 мм
- болт "D" — 60 мм
Момент затяжки — 20 - 26 Нм

8. Дальнейшая установка производится в порядке, обратном снятию.
