Внимание! Попадание тормозной жидкости на окрашенные кузовные поверхности сопряжено с риском повреждения лакокрасочного покрытия, - случайно попавшие брызги следует немедленно удалять сухой ветошью или чистыми бумажными полотенцами!
Снятие
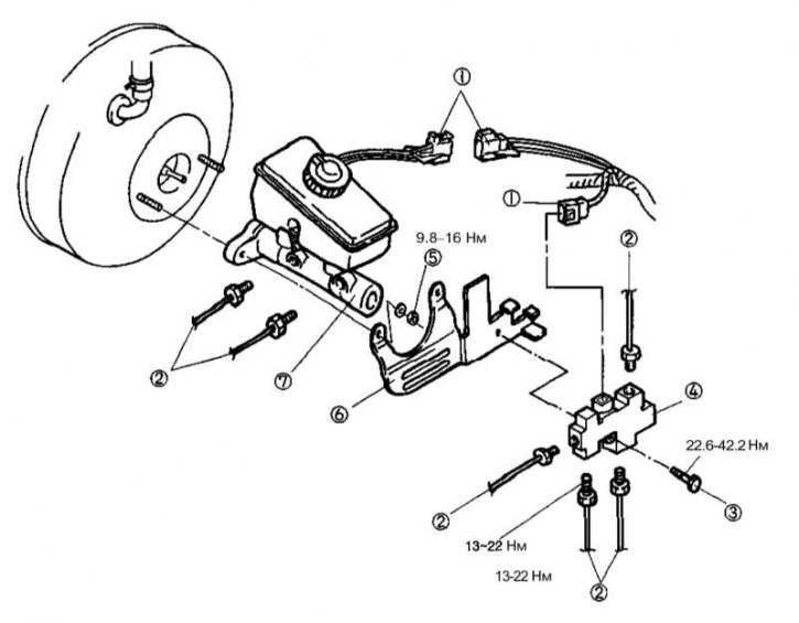
При снятии действуйте в порядке нумерации компонентов.
Детали установки ГТЦ
1 - Разъемы электропроводки датчика-выключателя уровня тормозной жидкости и дифференциального датчика-выключателя 2 - Гидравлические линии 3 - Болт 4 - Дифференциальный клапан-регулятор 5 - Гайка 6 - Опорный кронштейн 7 - ГТЦ
1. Подложите под ГТЦ ветошь с целью предотвращения попадания тормозной жидкости на окрашенные поверхности кузовных панелей. Откачайте из резервуара ГТЦ гидравлическую жидкость.

2. Отсоедините электропроводку от датчика-выключателя уровня тормозной жидкости в резервуаре тормозной жидкости и дифференциального датчика-выключателя клапана-регулятора давления.

3. При помощи специального накидного ключа с разрезной головкой отсоедините от ГТЦ гидравлические линии.

4. Действуя в аналогичной манере, отсоедините гидравлические линии от расположенного под сборкой ГТЦ клапана-регулятора, - модели с тормозной системой базовой конструкцией.

5. Выверните крепежный болт и снимите ГТЦ вместе с клапаном-регулятором с вакуумного усилителя тормозов, - постарайтесь не погнуть шток толкателя.
Обслуживание
Разборка и сборка
Внимание! Постарайтесь не допустить повреждения зеркала цилиндра и рабочих поверхностей поршневых сборок!
Порядок разборки ГТЦ
1 - Разъем электропроводки датчика-выключателя уровня тормозной жидкости 2 - Винт 3 - Крышка резервуара со встроенным сетчатым фильтром 4 - Поплавок 5 - Резервуар тормозной жидкости 6 - Посадочные втулки 7 - Упорный винт с уплотнительным кольцом 8 - Стопорное кольцо 9 - Сборка первичного поршня 10 - Сборка вторичного поршня 11 - Корпус ГТЦ

1. Выверните крепежный болт и снимите с корпуса цилиндра резервуар тормозной жидкости.
2. В случае необходимости снимите с резервуара крышку и извлеките подложенный под нее сетчатый фильтр.

3. Аккуратно поддев тупой отверткой, извлеките из приемных гнезд в корпусе ГТЦ резиновые посадочные втулки резервуара.

4. Обмотанной изоляционной лентой отверткой отожмите поршень внутрь цилиндра и выверните упорный болт.

5. Удерживая поршень отжатым, при помощи подходящих щипцов снимите стопорное кольцо и извлеките из цилиндра сборку первичного поршня.
Примечание. При извлечении поршня цилиндр должен занимать горизонтальное положение, - постарайтесь не повредить зеркало цилиндра.

6. Для извлечения сборки вторичного поршня разверните цилиндр вертикально и постучите его посадочным фланцем о края уложенных на твердую поверхность пары деревянных блоков.
7. Внимательно изучите внешнее состояние извлеченных компонентов, - в случае выявления признаков чрезмерного износа, следов развития коррозии, трещин, задиров и прочих механических повреждений приготовьте сменные детали. Ослабшие/поврежденные поршневые пружины также подлежат замене.
8. Оцените состояние резервуара тормозной жидкости, - в случае необходимости приготовьте замену.

9. Действуя в порядке, обратном порядку демонтажа компонентов, произведите сборку ГТЦ, - резиновые манжеты поршней перед заправкой последних в цилиндр следует смазать чистой тормозной жидкостью. Проследите за соблюдением требований Спецификаций Главы Тормозная система к усилиям затягивания резьбового крепежа.
Регулировка длины штока толкателя
1. Перед установкой сборки ГТЦ на автомобиль следует произвести регулировку длины штока толкателя.

2. Уложите на посадочный фланец ГТЦ уплотнительную прокладку, сверху установите регулировочное приспособление, затянув регулировочный болт до упора его в дно приемного гнезда поршневой сборки.

3. При помощи ручного вакуумного насоса создайте в сборке тормозного усилителя разрежение глубиной 66.7 кПа (500 мм рт.ст.).

4. Снимите регулировочное приспособление с ГТЦ и прижмите его к торцевой поверхности вакуумного усилителя.
5. Замерьте величину зазора между шляпкой регулировочного болта и торцом штока толкателя. Если результат измерения выходит за пределы допустимого диапазона (0.1÷0.3 мм), отпустите контргайку и произведите соответствующую корректировку путем вращения штока.
Установка
1. Установка производится в порядке, обратном порядку демонтажа компонентов, - не забудьте заменить уплотнительную прокладку, проследите за соблюдением требований Спецификаций Главы Тормозная система к усилиям затягивания резьбового крепежа.
Примечание. Для затягивания штуцерных гаек воспользуйтесь накидным ключом с разрезной головкой.
2. В заключение произведите прокачку гидравлического контура тормозной системы (см. Раздел Прокачка тормозов).
