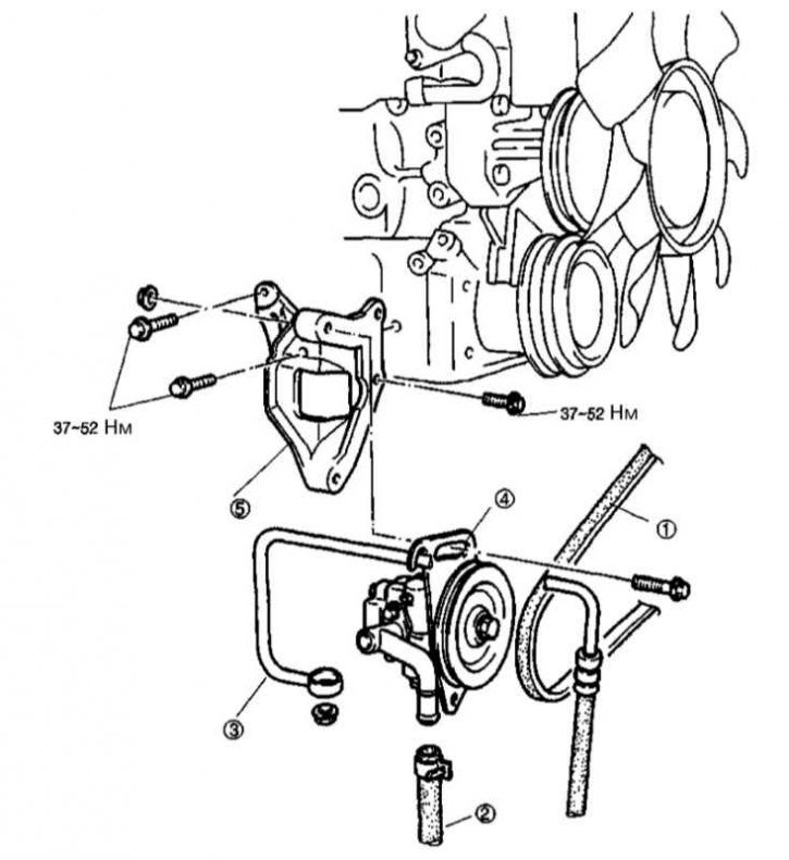
Детали установки рулевого насоса
1 - Приводной ремень; 2 - Всасывающий шланг; 3 - Напорная линия; 4 - Насосная сборка; 5 - Опорный кронштейн
1. Установка производится в обратном порядке, проследите за соблюдением требований Спецификаций Главы Подвеска и рулевое управление к усилиям затягивания резьбового крепежа.
