KManual.net
Русский English
Български
Беларускі
Український
Српски
Hrvatski
Română
Polski
Slovenský
Magyar
| Статьи | Карта | Контакты | Поиск | В закладки
АвтоВАЗ Лада Ауди Фольксваген Ленд Ровер Ниссан Рено
 
 
 
 
 
 
 
 
  Ceed   Cerato   Optima   Rio   Sorento   Soul   Sportage   Другие
 
Спортейдж 1 (1993-2005)
  • Главная
  • Киа Спортейдж
  • NB-7 (1993-2005)
  • Электрооборудование
  • Электрические схемы
  • Электросхема единого замка

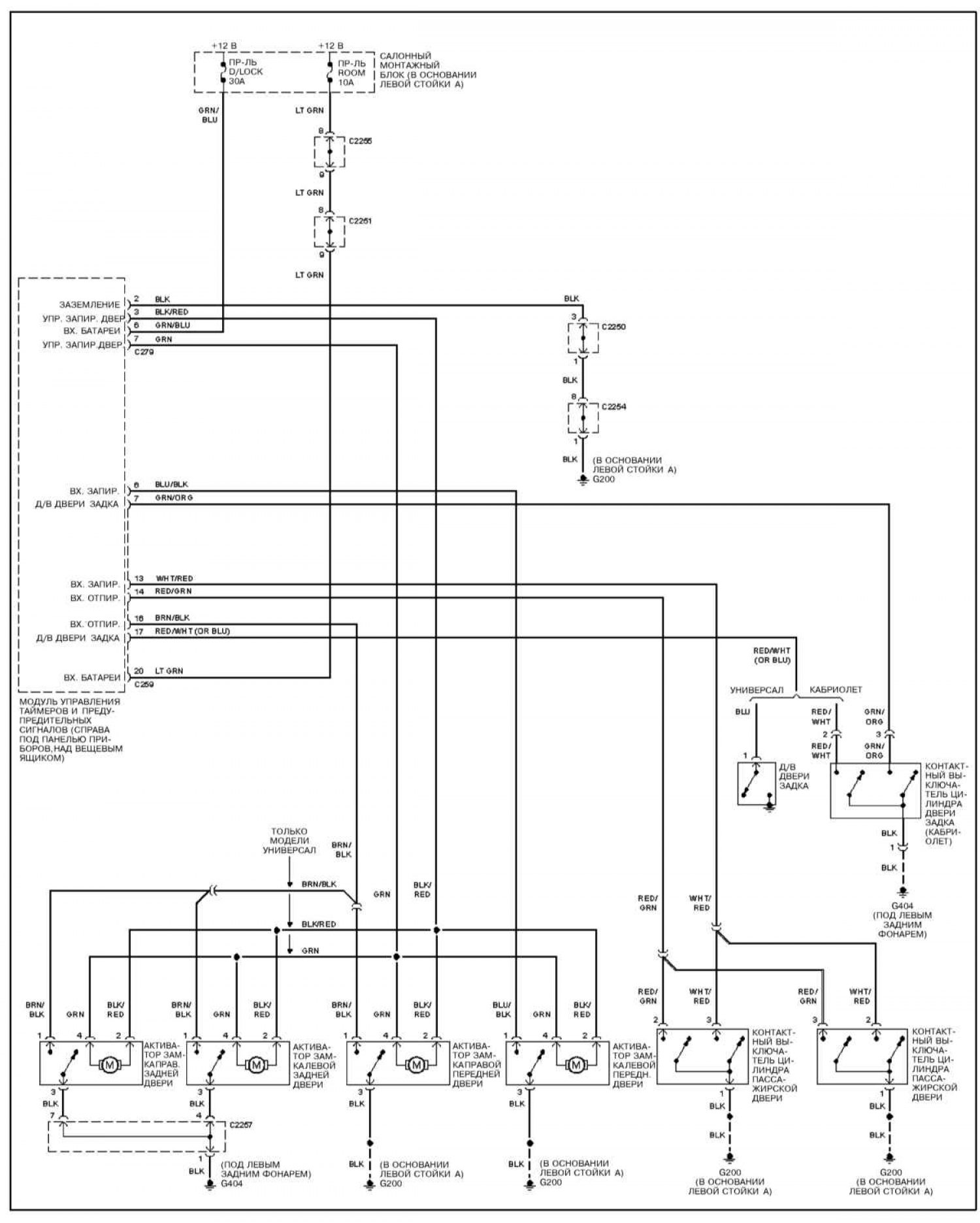
Электросхема единого замка (Kia Sportage NB-7)

0

Единый замок




Открыть большую картинку в новой вкладке »

Пояснения к электрическим схемам и обозначения элементов и электропроводки смотрите здесь →
Эту статью проверил автоэксперт Дмитрий Смирнов
Эта статья доступна на: английском, болгарском, белорусском, украинском, сербском, хорватском, румынском, польском, словацком, венгерском
Поделиться в соц. сетях:
Предыдущие
Спортейдж 1: Электрические схемы
Следующие

Электросхема радиоприемника
Электросхема электропривода стеклоподъемников (кабриолет)
Электросхема электропривода стеклоподъемников (универсал)
Электросхема системы предупреждения
Электросхема системы дополнительной безопасности (SRS)
Электросхема обогрева заднего стекла
Электросхема противоугонной системы
Еще статьи по теме мануалов для автомобилей Киа:

➤ Рычаг аварийного отпирания замка двери багажного отделения Киа Сид 1 (2006-2012)
➤ Электросхема системы пуска и зарядки Киа Церато 1 (2004-2009)
➤ Шарниры двери и ударная пластина замка двери Киа Оптима 1 (2000-2005)
➤ Электросхема центрального замка Киа Рио 1 (2000-2005)
➤ Система управления задержкой сигнала блокировки центрального замка и предупреждения о включённом освещении (ETACS) Киа Соренто 1 (2002-2009)
➤ Замена наружной ручки замка передней двери Киа Спектра (2000-2009)
Ссылка в разных форматах на эту статью
TextHTMLBB Code
Комментарии посетителей
Комментариев пока нет


Сколько будет 10 + 49 ?

       



Спортейдж 1 (1993-2005) 
  • Руководство по эксплуатации
  • Введение в руководство
  • Органы управления
  • Приемы эксплуатации
  • Техобслуживание и уход
  • Силовой агрегат
  • Бензиновые двигители
  • Дизельные двигатели
  • Система охлаждения
  • Отопление и кондиционирование
  • Система питания (бензин)
  • Система питания (дизель)
  • Системы управления двигателем
  • Система зажигания
  • Система пуска и заряда
  • Трансмиссия
  • Сцепление
  • Механическая коробка
  • Автоматическая коробка
  • Раздаточная коробка
  • Приводные валы и оси
  • Шасси
  • Тормозная система
  • Передняя подвеска
  • Задняя подвеска
  • Рулевое управление
  • Кузов
  • Экстерьер
  • Интерьер
  • Электрооборудование
  • Оборудование и приборы
  • Электрические схемы
 
   Автомобильный анекдот:
хочу ещё один
 
 
Мобильная версия · Сид 1 (ED) · Церато 1 (LD) · Оптима 1 (MS) · Рио 1 (DC) · Рио 2 (JB-p) · Соренто 1 (EX) · Спортейдж 1 (NB-7) · Спектра · Авелла · Кларус · Шума 1 · Новости автомобилей Kia · Современные технологии · Диагностика автомобилей · Электронные приборы · Новичок за рулем авто
 
Kmanual.net © 2018–2025 · Карта сайта: EN BG BY UA RS HR RO PL SK HU · Обратная связь · Поиск по сайту · В закладки · Автомобильные статьи