KManual.net
Русский English
Български
Беларускі
Український
Српски
Hrvatski
Română
Polski
Slovenský
Magyar
| Статьи | Карта | Контакты | Поиск | В закладки
АвтоВАЗ Лада Ауди Фольксваген Ленд Ровер Ниссан Рено
 
 
 
 
 
 
 
 
  Ceed   Cerato   Optima   Rio   Sorento   Soul   Sportage   Другие
 
Спортейдж 1 (1993-2005)
  • Главная
  • Киа Спортейдж
  • NB-7 (1993-2005)
  • Электрооборудование
  • Электрические схемы
  • Электросхема противоугонной системы

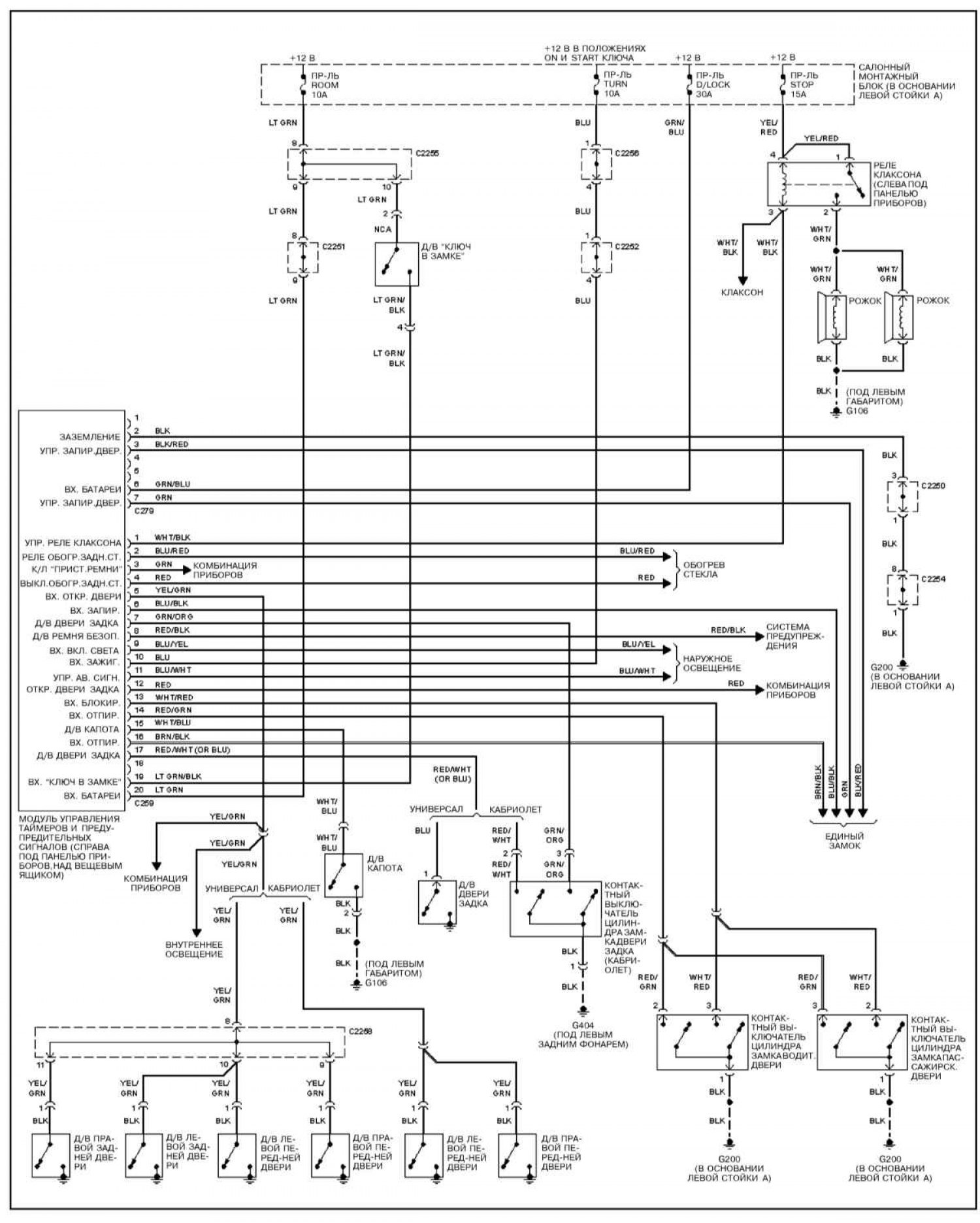
Электросхема противоугонной системы (Kia Sportage NB-7)

0

Противоугонная система




Открыть большую картинку в новой вкладке »

Пояснения к электрическим схемам и обозначения элементов и электропроводки смотрите здесь →
Эту статью проверил автоэксперт Дмитрий Смирнов
Эта статья доступна на: английском, болгарском, белорусском, украинском, сербском, хорватском, румынском, польском, словацком, венгерском
Поделиться в соц. сетях:
Предыдущие
Спортейдж 1: Электрические схемы
Следующие

Электросхема единого замка
Электросхема радиоприемника
Электросхема электропривода стеклоподъемников (кабриолет)
Электросхема электропривода стеклоподъемников (универсал)
Электросхема системы предупреждения
Электросхема системы дополнительной безопасности (SRS)
Еще статьи по теме мануалов для автомобилей Киа:

➤ Система противоугонной сигнализации Киа Сид 1 (2006-2012)
➤ Электросхема системы пуска и зарядки Киа Церато 1 (2004-2009)
➤ Электросхема системы запуска Киа Оптима 1 (2000-2005)
➤ Электросхема системы запуска и зарядки Киа Рио 1 (2000-2005)
➤ Заправка системы кондиционирования Киа Соренто 1 (2002-2009)
➤ Электросхема системы охлаждения Киа Шума 1 (1997-2001)
Ссылка в разных форматах на эту статью
TextHTMLBB Code
Комментарии посетителей
Комментариев пока нет


Сколько будет 46 + 28 ?

       



Спортейдж 1 (1993-2005) 
  • Руководство по эксплуатации
  • Введение в руководство
  • Органы управления
  • Приемы эксплуатации
  • Техобслуживание и уход
  • Силовой агрегат
  • Бензиновые двигители
  • Дизельные двигатели
  • Система охлаждения
  • Отопление и кондиционирование
  • Система питания (бензин)
  • Система питания (дизель)
  • Системы управления двигателем
  • Система зажигания
  • Система пуска и заряда
  • Трансмиссия
  • Сцепление
  • Механическая коробка
  • Автоматическая коробка
  • Раздаточная коробка
  • Приводные валы и оси
  • Шасси
  • Тормозная система
  • Передняя подвеска
  • Задняя подвеска
  • Рулевое управление
  • Кузов
  • Экстерьер
  • Интерьер
  • Электрооборудование
  • Оборудование и приборы
  • Электрические схемы
 
   Автомобильный анекдот:
хочу ещё один
 
 
Мобильная версия · Сид 1 (ED) · Церато 1 (LD) · Оптима 1 (MS) · Рио 1 (DC) · Рио 2 (JB-p) · Соренто 1 (EX) · Спортейдж 1 (NB-7) · Спектра · Авелла · Кларус · Шума 1 · Новости автомобилей Kia · Современные технологии · Диагностика автомобилей · Электронные приборы · Новичок за рулем авто
 
Kmanual.net © 2018–2025 · Карта сайта: EN BG BY UA RS HR RO PL SK HU · Обратная связь · Поиск по сайту · В закладки · Автомобильные статьи