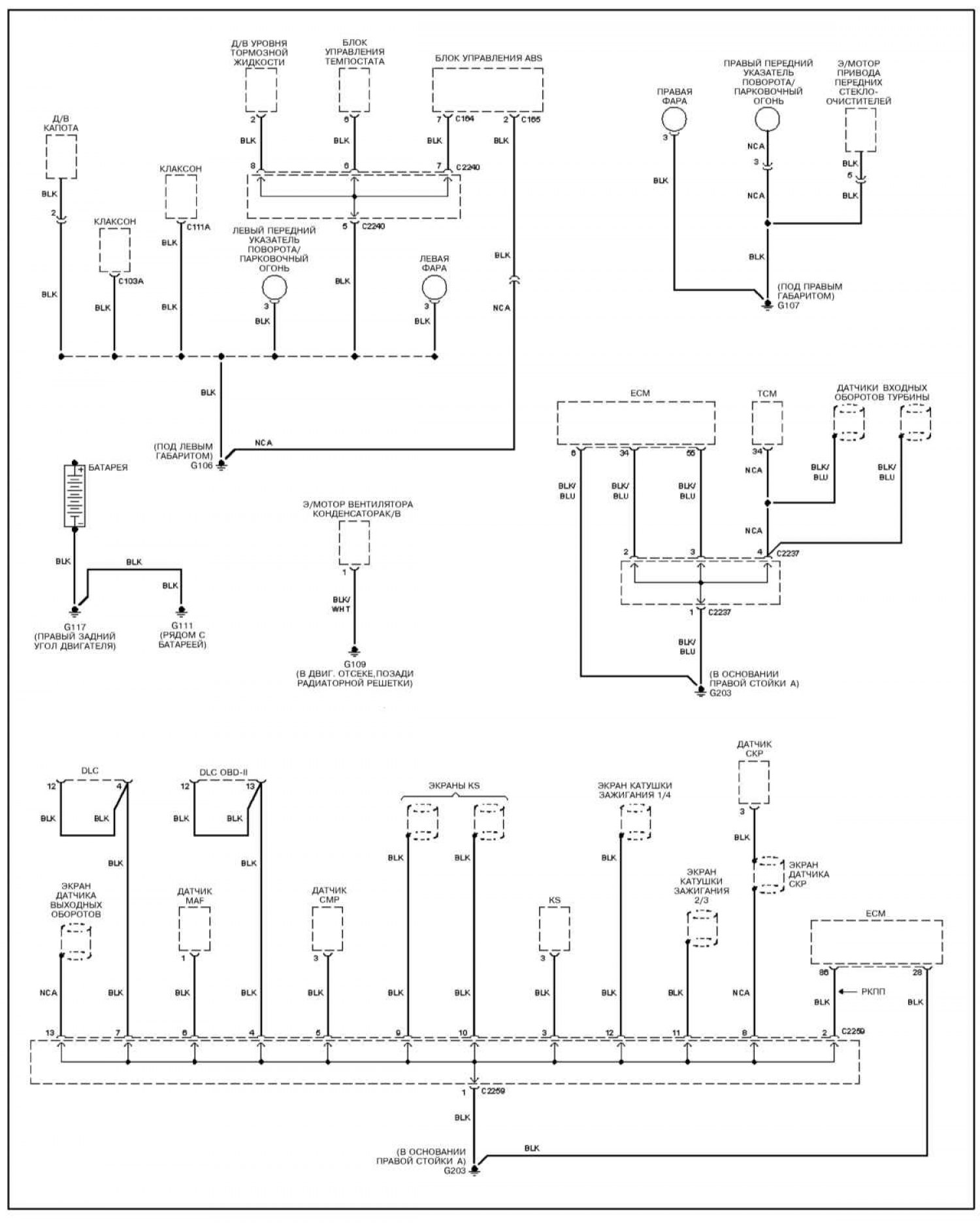
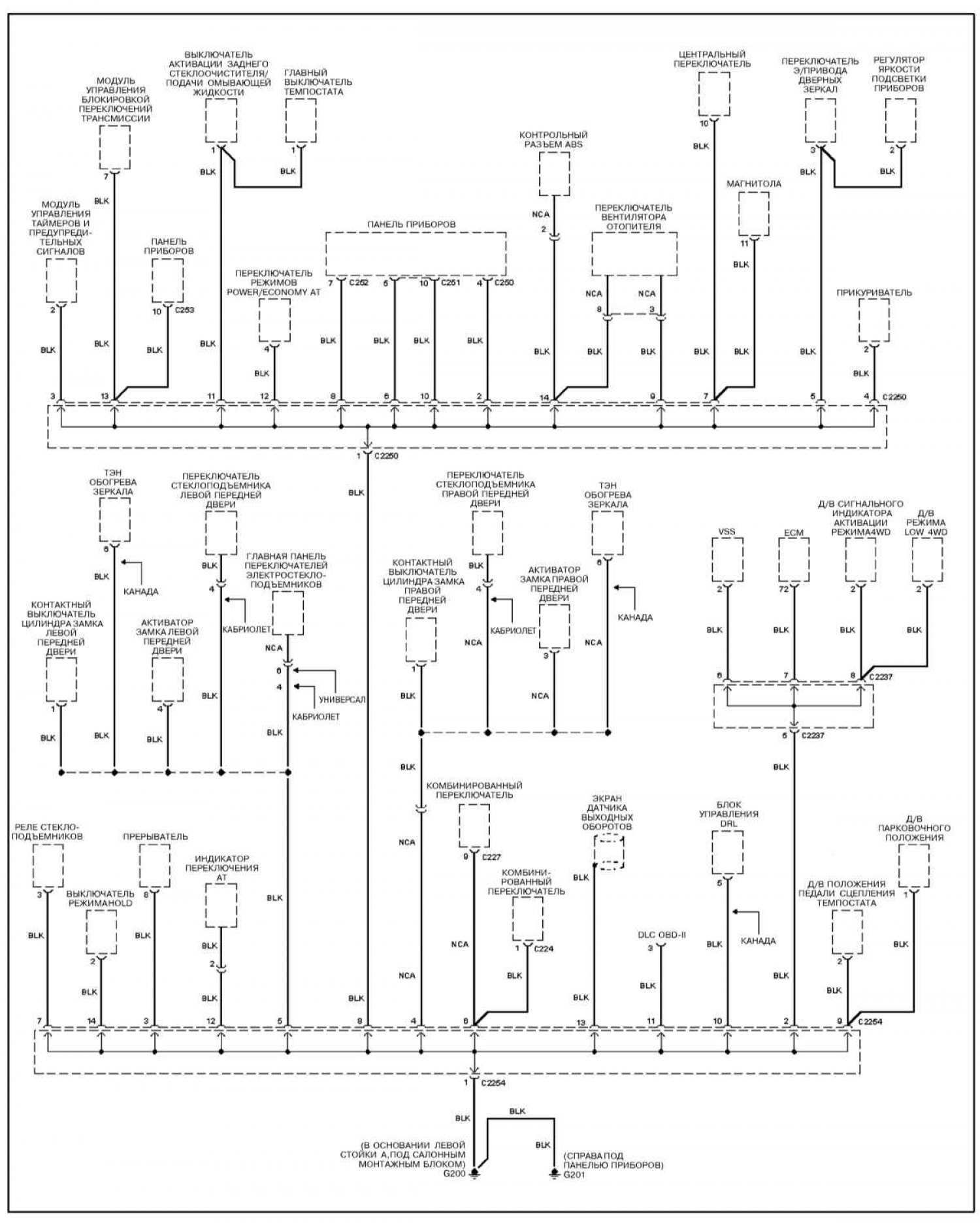
Распределение заземления

Открыть большую картинку в новой вкладке »

Открыть большую картинку в новой вкладке »

Открыть большую картинку в новой вкладке »
Пояснения к электрическим схемам и обозначения элементов и электропроводки смотрите здесь →



Пояснения к электрическим схемам и обозначения элементов и электропроводки смотрите здесь →