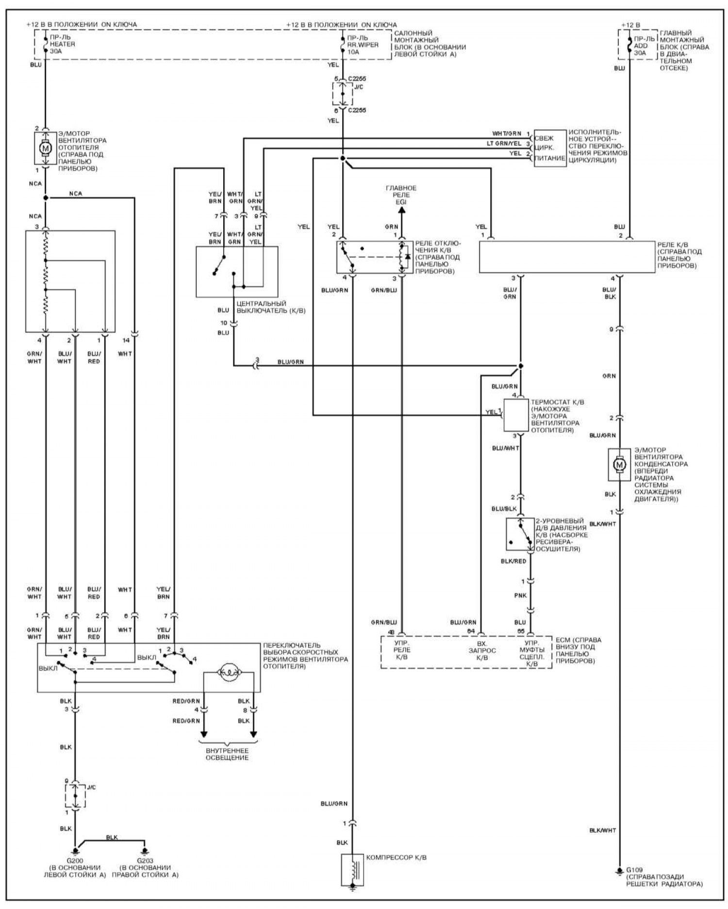
Система кондиционирования воздуха (К/В)

Открыть большую картинку в новой вкладке »
Пояснения к электрическим схемам и обозначения элементов и электропроводки смотрите здесь →

Пояснения к электрическим схемам и обозначения элементов и электропроводки смотрите здесь →