KManual.net
Русский English
Български
Беларускі
Український
Српски
Hrvatski
Română
Polski
Slovenský
Magyar
| Статьи | Карта | Контакты |  | В закладки
АвтоВАЗ Лада Ауди Фольксваген Ленд Ровер Ниссан Рено
 
 
 
 
 
 
 
 
  Ceed   Cerato   Optima   Rio   Sorento   Soul   Sportage   Другие
 
Спортейдж 1 (1993-2005)
  • Главная
  • Киа Спортейдж
  • NB-7 (1993-2005)
  • Электрооборудование
  • Электрические схемы
  • Электросхема темпостата

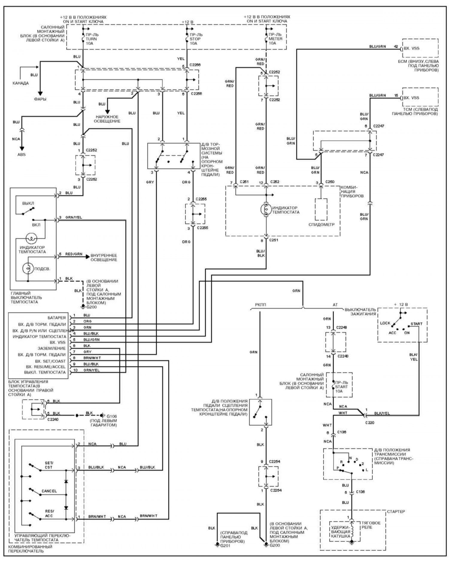
Электросхема темпостата (Kia Sportage NB-7)

0

Темпостат



Открыть большую картинку в новой вкладке »
Открыть большую картинку в новой вкладке »

Пояснения к электрическим схемам и обозначения элементов и электропроводки смотрите здесь →
Эту статью проверил автоэксперт Дмитрий Смирнов
Эта статья доступна на: английском, болгарском, белорусском, украинском, сербском, хорватском, румынском, польском, словацком, венгерском
Поделиться в соц. сетях:
Предыдущие
Спортейдж 1: Электрические схемы
Следующие

Электросхема система антиблокировки тормозов (ABS)
Электросхема блокировки переключения АТ
Электросхема автоматической трансмиссия (АТ)
Электросхема комбинации приборов
Электросхема линии данных компьютера
Электросхема бортового компьютера
Электросхема вентилятора конденсатора К/В
Электросхема системы отопления
Электросхема системы кондиционирования воздуха (К/В)
Электросхема наружного освещения (универсал)
Электросхема наружного освещения (кабриолет)
Электросхема фар
Еще статьи по теме мануалов для автомобилей Киа:

➤ Электросхема системы пуска и зарядки Киа Церато 1 (2004-2009)
➤ Электросхема системы запуска Киа Оптима 1 (2000-2005)
➤ Электросхема системы запуска и зарядки Киа Рио 1 (2000-2005)
➤ Электросхема системы охлаждения Киа Шума 1 (1997-2001)
Ссылка в разных форматах на эту статью
Комментарии посетителей
Комментариев пока нет


Сколько будет 43 + 23 ?

       



Спортейдж 1 (1993-2005) 
  • Руководство по эксплуатации
  • Введение в руководство
  • Органы управления
  • Приемы эксплуатации
  • Техобслуживание и уход
  • Силовой агрегат
  • Бензиновые двигители
  • Дизельные двигатели
  • Система охлаждения
  • Отопление и кондиционирование
  • Система питания (бензин)
  • Система питания (дизель)
  • Системы управления двигателем
  • Система зажигания
  • Система пуска и заряда
  • Трансмиссия
  • Сцепление
  • Механическая коробка
  • Автоматическая коробка
  • Раздаточная коробка
  • Приводные валы и оси
  • Шасси
  • Тормозная система
  • Передняя подвеска
  • Задняя подвеска
  • Рулевое управление
  • Кузов
  • Экстерьер
  • Интерьер
  • Электрооборудование
  • Оборудование и приборы
  • Электрические схемы
 
   Автомобильный анекдот:
хочу ещё один
 
 
Мобильная версия · Сид 1 (ED) · Церато 1 (LD) · Оптима 1 (MS) · Рио 1 (DC) · Рио 2 (JB-p) · Соренто 1 (EX) · Спортейдж 1 (NB-7) · Спектра · Авелла · Кларус · Шума 1 · Новости автомобилей Kia · Современные технологии · Диагностика автомобилей · Электронные приборы · Новичок за рулем авто
 
Kmanual.net © 2018–2026 · Карта сайта: EN BG BY UA RS HR RO PL SK HU · Обратная связь · Поиск по сайту · В закладки · Автомобильные статьи