Бензиновые модели
1. Снимите защиту картера.

2. Снимите крышку радиатора, откройте сливной вентиль (1) и спустите охлаждающую жидкость в приготовленную сливную емкость подходящего объема.

3. Отпустите крепежные хомуты и снимите верхний (1) и нижний (2) радиаторные шланги.
4. Отсоедините от радиатора идущий к расширительному бачку переливной шланг.

5. Выверните крепежные болты и снимите воздухозаборник впускного воздушного тракта (1) двигателя.

6. Выверните пять болтов крепления кожуха (1) вентиляторной сборки.
7. Выверните болты опорных кронштейнов и, подав вверх, извлеките радиатор из двигательного отсека.

8. Осмотрите теплообменник радиатора на наличие признаков развития утечек, деформаций ламелей и соединительных патрубков, и прочих механических повреждений. В случае необходимости замените радиатор, либо доставьте его в специализированную мастерскую для выполнения соответствующего восстановительного ремонта.
9. Внимательно изучите состояние радиаторных шлангов, в случае необходимости приготовьте замену.
10. Установка производится в обратном порядке, - проследите за надежностью фиксации радиаторных шлангов крепежными хомутами и за соблюдением требований Спецификаций Главы Системы охлаждения, отопления, вентиляции и кондиционирования воздуха к усилиям затягивания резьбового крепежа.
11. В заключение заправьте систему охлаждения свежей смесью (см. Главу Текущий уход и обслуживание), запустите двигатель, погрейте его до нормальной рабочей температуры, затем, - если требуется, - откорректируйте уровень теплоносителя.
12. Установите на место крышку радиатора и, не глуша двигатель, проверьте соответствующие компоненты охладительного тракта на наличие признаков развития утечек.
Дизельные модели
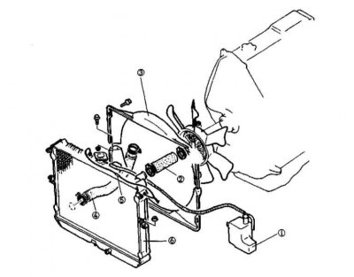
Детали установки радиатора на дизельных моделях
1 - Расширительный бачок с переливным шлангом
2 - Верхний радиаторный шланг
3 - Кожух вентиляторной сборки
4 - Нижний радиаторный шланг
5 - Разъем датчика уровня охлаждающей жидкости
6 - Радиатор
1. Опорожните систему охлаждения (см. Главу Текущий уход и обслуживание).
2. Общий принцип выполнения процедуры аналогичен описанному выше для бензиновых моделей. Демонтируйте компоненты, действуя в порядке их нумерации.
