Примечание. Данная процедура относится к числу тех, выполнение которых не требует снятия двигателя с автомобиля.
Детали установки компонентов привода ГРМ
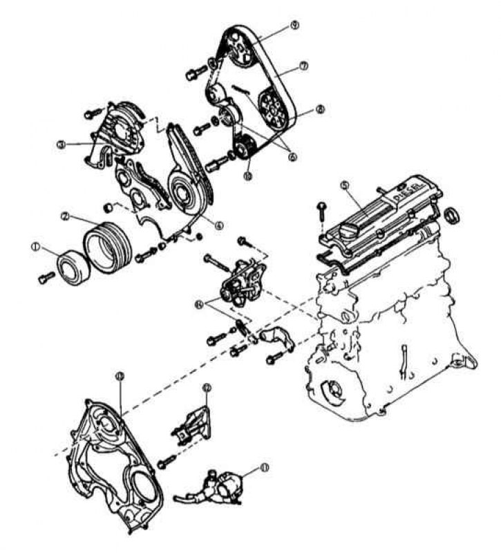
1 - Демпфер крутильных колебаний; 2 - Шкив коленчатого вала; 3 - Правая крышка привода ГРМ; 4 - Левая крышка привода ГРМ; 5 - Крышка головки цилиндров; 6 - Натяжной ролик с пружиной; 7 - Газораспределительный ремень; 8 - Зубчатое колесо привода ТНВД; 9 - Зубчатые колесо привода распределительного вала; 10 - Зубчатое колесо коленчатого вала; 11 - Термостат; 12 - Опорный кронштейн вентилятора системы охлаждения; 13 - Уплотнительная пластина; 14 - Водяной насос с опорным комм генератора
1. Снимите ремень привода ГРМ (см. Раздел Проверка состояния и замена ремня привода ГРМ в Главе Текущий уход и обслуживание).

2. С целью предотвращения риска ввода клапанов в контакт с поршнями при снятии зубчатых колес разверните коленчатый вал таким образом, чтобы установочная метка на его зубчатом колесе сместилась под 45° относительно риски на корпусе масляного насоса.

3. Отпустите болт крепления зубчатого колеса ТНВД - колесо может быть заблокировано от проворачивания путем продевания в отверстия в его спицах пары болтов (М8 х 1.25 х 30÷40) с вворачиванием их концов в резьбовое отверстие в опорном кронштейне насосной сборки.

4. При помощи специального съемника произведите демонтаж зубчатого колеса ТНВД.

5. Снимите крышку головки цилиндров и, удерживая распределительный вал от проворачивания за специально предусмотренные лыски, - постарайтесь не повредить ключом литье головки, - выверните крепежный болт и, действуя в манере аналогичной описанной в параграфе 4, снимите зубчатое колесо привода ГРМ.
6. С помощью специального приспособления заблокируйте от поворачивания маховик/приводной диск (см. иллюстрацию) и снимите зубчатое колесо с коленчатого вала.
7. При установке компонентов на место проследите за правильностью совмещения установочных меток (см. Раздел Проверка состояния и замена ремня привода ГРМ в Главе Текущий уход и обслуживание). Весь крепеж затягивайте с требуемым усилием.
