Внимание! Постарайтесь в процессе извлечения насосной сборки не повредить такие хрупкие ее компоненты, как топливозаборник и поплавок датчика запаса топлива! См. также предупреждение в начале Раздела Снятие и установка топливного бака!
1. Выполните процедуры Раздела Снятие и установка топливного бака.
2. Выверните восемь крепежных винтов крепления к баку посадочного фланца насосной сборки.

3. Аккуратно поворачивая и слегка наклоняя из стороны в сторону, высвободите насосную сборку из топливного бака, - постарайтесь не повредить топливозаборник и поплавок датчика запаса топлива, - и заверните в бумажное полотенце. Сразу же закупорьте установочное окно насосной сборки в топливном баке.
4. В случае необходимости отделите от насосной сборки сетчатый фильтр топливозаборника и снимите собственно насос.
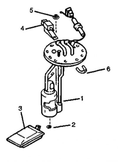
1 - Насос 2 - Стопорное кольцо 3 - Сетчатый фильтр 4 - Датчик давления 5 - Гайка 6 - Пылезащитная трубка датчика |
1 - Топливный шланг 2 - Крепежный хомут 3 - Насос 4 - Датчик давления |
5. Сборка и установка производятся в порядке, обратом порядку демонтажа компонентов, - подведенную к насосной сборке электропроводку зафиксируйте скотчем.
