Оглавление: Общая информация ⇣ Проверка давления масла ⇣
Общая информация
Примечание. См. также Раздел Дизельные модели.
К числу основных компонентов системы смазки двигателя относятся поддон картера, роторный масляный насос, маслоохладитель, полнопоточный масляный фильтр и маслотоки головки и блока цилиндров.
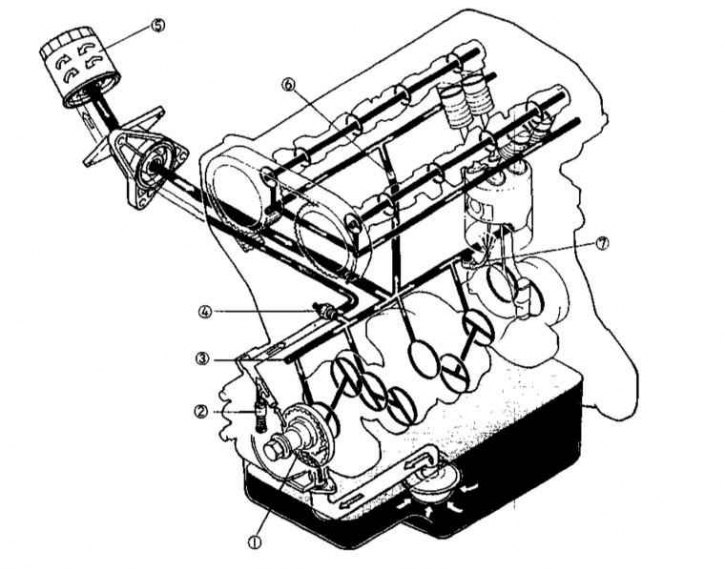
Схема организации системы смазки бензинового двигателя
1 - Масляный насос; 2 - Редукционный клапан; 3 - Главная масляная галерея; 4 - Датчик-выключатель давления масла; 5 - Масляный фильтр; 6 - Управляющая заглушка; 7 - Маслораспылитель охлаждения поршня
На рассматриваемых в настоящем Руководстве двигателях (DOHC) еще одним важным элементом системы смазки являются специальные маслораспылители, обеспечивающие интенсивный теплоотвод от поршневых сборок, - на каждый поршень предусмотрено по одному распылителю. Когда давление масла в двигателе достигает критического значения около 1.75 кГс/см², открываются специальные встроенные в выходные отверстия распылителей управляющие клапаны, в результате чего двигательное масло мелкодисперсно распыляется на внутренние поверхности поршней, обеспечивая отвод от последних избытка тепла.
Привод масляного насоса осуществляется непосредственно от коленчатого вала двигателя. Насос обеспечивает забор масла через сетчатый фильтр из поддона картера и подачу его в главную масляную галерею. Предварительно масло прогоняется через полнопоточный фильтр и маслоохладитель и подается в проложенную вдоль боковой поверхности блока цилиндров галерею, обеспечивая смазывание и охлаждение шеек коренных подшипников. Оставшаяся часть масла поднимается вверх к компонентам клапанного механизма. Подача смазки к шатунным подшипникам обеспечивается по специальным через специальные сверления в теле коленчатого вала. Смазывание компонентов, непосредственная подача масла к которым не предусмотрена, обеспечивается за счет разбрызгивания и стекания масла с прилегающих поверхностей. И, наконец, под действием силы тяжести масло вновь стекает в поддон картера двигателя, после чего описанный рабочий цикл повторяется.
Роторный масляный насос оборудован редукционным клапаном, обеспечивающим контроль давления в системе за счет перепускания избытка масла обратно в поддон катера.
Проверка давления масла

1. Отпустите крепежный винт и соедините электропроводку датчика-выключателя давления двигательного масла. Выверните датчик из картера двигателя.

2. Вверните в установочное отверстие датчика резьбовую насадку манометра.
3. Запустите двигатель и прогрейте его до нормальной рабочей температуры.
4. Поднимите обороты двигателя до 3000 в минуту и считайте показание манометра. Если результат измерения выходит за пределы допустимого диапазона (см. Спецификации Главы Двигатель), необходимо установить причину имеющей место неисправности и устранить последнюю.
5. Выверните насадку манометра и установите на место датчик-выключатель давления масла.
6. Установите на место датчик и восстановите исходное подсоединение электропроводки, - проследите за надежностью затягивания крепежного винта.
