Примечание. Данная процедура относится к числу тех, выполнение которых не требует снятия двигателя с автомобиля.
Снятие
1. Опорожните систему охлаждения (см. Главу Текущий уход и обслуживание).
2. Отсоедините отрицательный провод от батареи.
3. Слейте двигательное масло (см. Главу Текущий уход и обслуживание).
4. Снимите ремень привода ГРМ (см. Главу Текущий уход и обслуживание).
5. Снимите поддон картера, маслозаборник и маслоотражатель (см. Раздел Снятие и установка поддона картера).
6. Выверните два болта крепления рулевого насоса и четыре болта крепления его опорного кронштейна.
7. Снимите рулевой насос в сборе с опорным кронштейном.
8. Снимите с коленчатого вала зубчатое колесо привода ГРМ, - в случае необходимости воспользуйтесь съемником, предназначенным для демонтажа рулевого колеса.
9. Выверните четыре оставшихся крепежных болта и снимите сборку масляного насоса.

10. Снимите с насосной сборки уплотнительное кольцо (1).
Установка
1. Установите на насосную сборку НОВОЕ уплотнительное кольцо.

2. Наложите на сопрягаемую поверхность насосной сборки непрерывную подушку герметика.
3. Установите насос на двигатель и закрепите его четырьмя болтами, затянув последние с требуемым усилием (болты А: 22 Нм, болты В: 44.5 Нм).
4. Выверните два нижних, затем два верхних болта крепления компрессора К/В.
5. Отпустите три болта крепления опорного кронштейна компрессора К/В.
6. Установите опорный кронштейн рулевого насоса и закрепите его четырьмя болтами, затянув их вручную.
7. Затяните три болта крепления опорного кронштейна К/В.
8. Установите на место компрессор К/В, вручную затянув болты его крепления.
9. Затяните болты крепления компрессора (сначала верхние, затем нижние) с требуемым усилием (23.5 Нм).
10. Затяните с требуемым усилием (32.4) болты крепления опорного кронштейна рулевого насоса.
11. Установите рулевой насос и закрепите его двумя болтами, затянув последние с требуемым усилием (57.5 Нм).
12. Установите на место зубчатое колесо коленчатого вала, затянув большой центральный болт с требуемым усилием (162 Нм).
13. Дальнейшая установка производится в порядке, обратном порядку демонтажа компонентов. Не забывайте о необходимости соблюдения требований Спецификаций Главы Двигатель к усилиям затягивания резьбового крепежа.
14. Залейте в двигатель свежее моторное масло.
15. Запустите двигатель и проверьте его на наличие признаков развития утечек через стыки установленных компонентов.
16. В заключение проверьте правильность установки угла опережения зажигания, в случае необходимости произведите соответствующую корректировку (см. Главу Системы электрооборудования двигателя).
Обслуживание
1. Снимите сборку масляного насоса.
Разборка
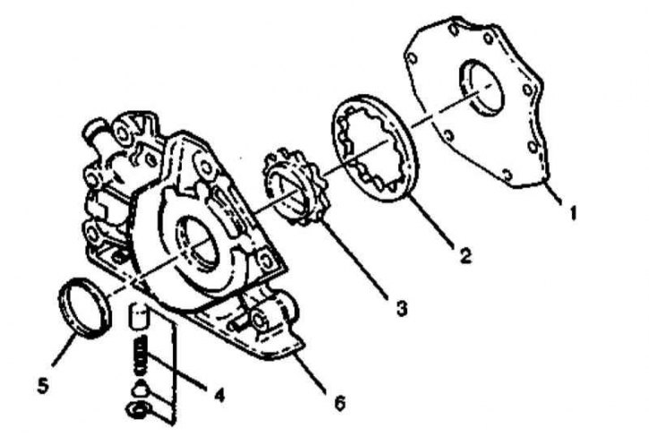
Конструкция масляного насоса
1 - Крышка; 2 - Наружный ротор; 3 - Внутренний ротор; 4 - Сборка редукционного клапана; 5 - Сальник; 6 - Корпус
1. Перенесите насосную сборку на верстак, выверните семь крепежных винтов и снимите крышку (1).
2. Извлеките внутренний (3) и наружный (2) роторы.
3. Извлеките стопорное кольцо и снимите компоненты редукционного клапана (седло, пружину и плунжер).
4. Извлеките сальник (5), - сальник подлежит замене в обязательном порядке (см. Раздел Замена сальников коленчатого вала).
Проверка
1. Внимательно осмотрите корпус и крышку насоса, в случае выявления трещин, деформаций и прочих механических повреждений замените дефектные компоненты.
2. Оцените степень износа плунжера сборки редукционного клапана, в случае необходимости произведите его замену.
3. Проверьте состояние пружины клапанной сборки, в случае выявления дефектов произведите замену. Измерьте свободную длину пружину, - если результат измерения превышает значение 45.5 мм, пружина также подлежит замене.
4. Произведите контрольные замеры:

- Измерьте величину осевого люфта роторов;

- Измерьте величину зазора между вершинами зубьев роторов;

- Измерьте величину люфта посадки наружного ротора в рабочей камере корпуса.
5. Сравните результаты измерений с требованиями Спецификаций Главы Двигатель, в случае необходимости произведите соответствующие замены.
Сборка
1. Установка производится в порядке, обратном порядку демонтажа компонентов. Перед посадкой в насосную сборку смажьте НОВЫЙ сальник чистым двигательным маслом. Крышка сажается на корпус через герметик. Проследите, чтобы крепежные винты были затянуты с требуемым усилием (7.5 Нм).
