Оглавление: Передний мост ⇣ Задний мост ⇣
Передний мост
Порядок демонтажа компонентов привода передних колес (1 из 2)
1 — Муфты свободного хода; 2 — Суппорт тормозного механизма; 3 — Тормозной диск; 4 — Колесная ступица; 5 — Наконечник рулевой тяги; 6 — Нижняя шаровая опора; 7 — Поворотный кулак с тормозным щитом; 8 — Левый приводной вал; 9 — Правый приводной вал; 10, 11 - Шплинты (подлежат замене в обязательном порядке)
Порядок демонтажа компонентов привода передних колес (2 из 2)
1 - Болт с шайбой; 2 - Муфта свободного хода; 3 - Стопорное кольцо; 4 - Дистанционная шайба; 5 - Установочная пластина; 6 - Контргайка; 7 - Винт; 8 - Тормозной диск; 9 - Колесная ступица; 10 - Внутренняя обойма наружного колесного подшипника; 11 - Наружная обойма наружного колесного подшипника; 12 - Наружная обойма внутреннего колесного подшипника; 13 - Внутренняя обойма внутреннего колесного подшипника; 14 - Наружный сальник; 15 - Болт с пружинной шайбой; 16 - Тормозной щит; 17 - Поворотный кулак; 18 - Игольчатый подшипник; 19 - Внутренний сальник; 20 - Дистанционная шайба; 21 - Левый приводной вал
Муфты свободного хода

1. Выверните крепежные болты, скиньте шайбы и снимите муфту с тормозного диска.

2. При помощи специальных щипцов снимите стопорное кольцо и извлеките дистанционную шайбу.

3. Выверните два крепежных винта и снимите установочную пластину.

4. Установка производится в обратном порядке, - стопорное кольцо перед установкой следует смазать с обеих сторон консистентной смазкой, на посадочную поверхность корпуса муфты нанесите герметик типа 3 bond No 1104. Проследите также за соблюдением требований Спецификаций Главы Трансмиссионная линия к усилиям затягивания резьбового крепежа (болты крепления муфты затягиваются в два приема).
Ступичные сборки
1. Снимите муфту свободного хода и ее установочные компоненты.
2. Отдайте ступичную гайку и снимите тормозной диск (см. Главу Тормозная система).

3. Снимите ступичную сборку.

4. Поддев отверткой, извлеките из ступичной сборки сальник.

5. При помощи специального съемника извлеките из ступицы внутренний и наружный подшипники, а также их наружные обоймы.
6. Оцените состояние ступичных болтов, - поврежденные компоненты замените.

7. Выпрессовывание ступичного болта.

8. Запрессовывание нового ступичного болта.
9. Набейте колесные подшипники смазкой и при помощи подходящих оправок застучите их в ступичную сборку.
10. При помощи оправки посадите в ступичную сборку новый сальник.

11. Смажьте уплотнительные кромки сальника и подшипниковые поверхности и установите ступичную сборку на свое штатное место.

12. Установите на место тормозной диск и при помощи специального приспособления затяните ступичную гайку так, чтобы ее можно было отпустить вручную.

13. При помощи динамометра замеряя усилие преднатяга подшипников, окончательно затяните ступичную гайку в соответствии с требованиями Спецификаций Главы Трансмиссионная линия.
14. В заключение замерьте величину бокового биения тормозного диска (см. иллюстрацию), - в случае необходимости (см. Спецификации к Главе Тормозная система) проточите, либо замените диск.
Тормозной щит

1. Выверните крепежные болты и снимите тормозной щит.
2. Установка производится в обратном порядке, - проследите за соблюдением требований Спецификаций Главы Трансмиссионная линия к усилиям затягивания резьбового крепежа.
Поворотные кулаки

1. Отдайте гайку стяжного болта, снимите пружинную шайбу, извлеките болт и высвободите из поворотного кулака шаровый палец опоры верхнего рычага подвески.
2. Извлеките шплинт фиксации шарового пальца наконечника рулевой тяги и при помощи специального съемника высвободите палец из поворотного кулака.

3. Извлечение шплинта фиксации шарового пальца наконечника рулевой тяги.

4. Выпрессовывание шарового пальца наконечника рулевой тяги из поворотного кулака.

5. При помощи съемника выпрессуйте из поворотного кулака шаровую опору нижнего рычага подвески.

6. Снимите поворотный кулак.

7. Поддев отверткой, извлеките из поворотного кулака внутренний сальник.

8. При помощи специального съемника (молотка со скользящим бойком) извлеките из сборки поворотного кулака игольчатый подшипник. Визуально оцените состояние подшипника, в случае выявления признаков износа и механических повреждений приготовьте замену.
9. Изучите состояние элементов поворотного кулака, - в случае выявления признаков чрезмерного износа или механических повреждений приготовьте сменную сборку.

10. При помощи подходящей оправки застучите в поворотный кулак игольчатый подшипник.

11. При помощи оправки посадите в кулак НОВЫЙ сальник.

12. Смажьте уплотнительные кромки сальника (2) и игольчатый подшипник (1).

13. Смазав с обеих сторон, посадите на цапфу приводного вала дистанционную шайбу.
14. Посадите на цапфу вала сборку поворотного кулака и заправьте в приемные отверстия пальцы верхней и нижней шаровых опор, а также наконечника рулевой тяги.
15. Затяните крепежные гайки с требуемым усилием (см. Спецификации Главы Трансмиссионная линия) и зафиксируйте их НОВЫМИ шплинтами, - под гайку стяжного болта крепления верхнего рычага подвески не забудьте подложить пружинную шайбу.
Приводные валы
1. Снимите поворотный кулак.

2. Отпустите гайку осевого болта крепления вилки нижней опоры стойки к нижнему рычагу подвески.

3. Отпустите гайки верхних стяжных болтов вилки.

4. При помощи молотка с мягким бойком раскройте верхний зажим вилки.

5. Пометьте положение приводного вала относительно картера дифференциала и извлеките его из последнего, поддев подходящим рычагом, - постарайтесь не повредить стопорное кольцо и пыльник шарнирной сборки.
6. Установка производится в обратном порядке, - проследите за соблюдением требований Спецификаций Главы Трансмиссионная линия к усилиям затягивания резьбового крепежа.
Выходной вал редуктора и его опорный подшипник
При снятии действуйте в порядке нумерации компонентов.
Порядок демонтажа компонентов при снятии выходного вала редуктора переднего моста (левый приводной вал снят)
1 - Болт с шайбой; 2 - Уплотнительное кольцо; 3 - Фиксатор; 4 - Пыльник; 5 - Кожух подшипника; 6 - Подшипник; 7 - Сальник; 8 - Выходной вал
1. Снимите левый приводной вал.

2. Выверните болты крепления кожуха подшипника к рукаву картера моста.

3. Высвободите выходной вал из боковой шестерни дифференциала, извлеките его из рукава, затем снимите уплотнительное кольцо с задней стороны кожуха подшипника.

4. Зажмите вал в тиски с мягкими губками и при помощи подходящих щипцов снимите с его цапфы стопорное кольцо.

5. Поддев отверткой, извлеките из кожуха подшипника старый сальник.

6. Высвободите выходной вал из кожуха подшипника.

7. Выпрессуйте из кожуха подшипник.
8. Внимательно осмотрите выходной вал, изучая его на наличие механических повреждений. Проверьте плавность и бесшумность хода подшипника.
9. Осмотрите кожух подшипника на наличие трещин и прочих повреждений.
10. Приготовьте сменные уплотнительные компоненты (сальник и уплотнительное кольцо).

11. При помощи подходящей оправки посадите в приемное гнездо кожуха НОВЫЙ сальник, - не забудьте смазать сальник перед установкой.
12. Запрессуйте выходной вал в подшипник.

13. Запрессуйте подшипник с посаженным в него валом в кожух.
14. Легонько обстучите сальник молотком с мягким бойком, затем заправьте в приемную канавку кожуха НОВОЕ уплотнительное кольцо.
15. Зафиксируйте вал НОВЫМ стопорным кольцом.
16. Заправьте вал в рукав картера моста, введя его в зацепление со шлицами боковой шестерни дифференциала, затем вверните и затяните с требуемым усилием (см. Спецификации Главы Трансмиссионная линия) болты крепления кожуха подшипника.
Редуктор (сборка главной передачи с дифференциалом и выходным валом)
При снятии действуйте в порядке нумерации компонентов.
Порядок демонтажа компонентов при снятии редуктора переднего моста
1 - Передний карданный вал; 2 - Левый приводной вал; 3 - Правый приводной вал; 4 - Редукторная сборка
Порядок разборки редуктора переднего моста
1 - Болт; 2 - Стопорная пластина; 3 - Крышка подшипника; 4 - Регулировочный винт; 5 - Наружная обойма подшипника; 6 - Гайка; 7 - Шайба; 8 - Соединительный фланец; 9 - Сальник; 10 - Передний подшипник; 11 - Наружная обойма подшипника; 12 - Ведущая шестерня главной передачи; 13 - Дистанционное кольцо; 14 - Задний подшипник; 15 - Наружная обойма подшипника; 16 - Дистанционная втулка; 17 - Картер редуктора; 18 - Боковой подшипник; 19 - Ведомая шестерня главной передачи; 20 - Ось сателлитов; 21 - Стопорный штифт; 22 - Коробка дифференциала; 23 - Боковая шестерня; 24 - Сателлиты; 25 - Упорная шайба
1. Вывесьте автомобиль над землей.
2. Слейте масло из картера дифференциала (см. Главу Текущий уход и обслуживание).
3. Отсоедините от переднего моста карданный вал (см. Часть Карданные валы).
4. Снимите сначала левый, затем правый приводные валы.
5. Подоприте сборку редуктора переднего моста тележечным домкратом.

6. Выверните опорные болты и снимите редукторную сборку.

7. В случае необходимости снимите опорный кронштейн и произведите замену его резиновой втулки.
8. В случае необходимости произведите разборку редуктора, - действуйте в порядке нумерации компонентов, - потребуются специальные съемники.
9. Сборка и установка производятся в порядке, обратном порядку демонтажа компонентов, - проследите за соблюдением требований Спецификаций Главы Трансмиссионная линия к усилиям затягивания резьбового крепежа, не забывайте заменять уплотнительные элементы.
Задний мост
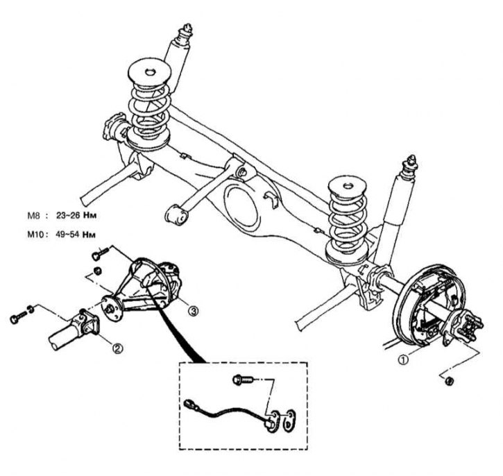
Порядок демонтажа компонентов привода задних колес (1 из 2)
1 - Тормозной барабан; 2 - Сборка полуоси; 3 - Тормозной щит с компонентами тормозного механизма; 4 - Сальник
Порядок демонтажа компонентов привода задних колес (2 из 2)
1 - Стопорная гайка; 2 - Стопорная шайба; 3 - Подшипник; 4 - Сальник; 5 - Держатель сальника; 6 - Полуось
Полуоси
1. Вывесьте автомобиль над землей.
2. Снимите тормозной барабан (см. Главу Тормозная система).

3. Отдайте гайки крепления держателя сальника.

4. При помощи съемника (молоток со скользящим бойком) извлеките полуось из рукава картера заднего моста.
5. Зажмите полуось в тиски с мягкими губками и при помощи зубила демонтируйте с вала стопорную гайку и стопорную шайбу.
1 - Стопорная гайка; 2 - Держатель сальника; 3 - Подшипник полуоси
Внимание! Гайка правой полуоси отпускается путем вращения против часовой стрелки, левой - по часовой стрелке! Левая гайка промаркирована литерой «L».
1 - Затянуть
2 - Отпустить

6. Уложите снятый вал в призмы и при помощи измерителя плунжерного типа проверьте его на наличие изгиба. Если величина радиального биения превышает предельное допустимое значение (1 мм), замените полуось.
7. Установка производится в обратном порядке, - обратите внимание, что правая и левая полуоси различаются по длине (см. Спецификации Главы Трансмиссионная линия). Проследите за правильностью ориентации держателя сальника и за соблюдением требований Спецификаций Главы Трансмиссионная линия к усилиям затягивания резьбового крепежа.
Редуктор (сборка главной передачи с дифференциалом)
При снятии действуйте в порядке нумерации компонентов.
Порядок демонтажа компонентов при снятии редуктора заднего моста
1 - Полуось; 2 - Карданный вал; 3 - Редуктор
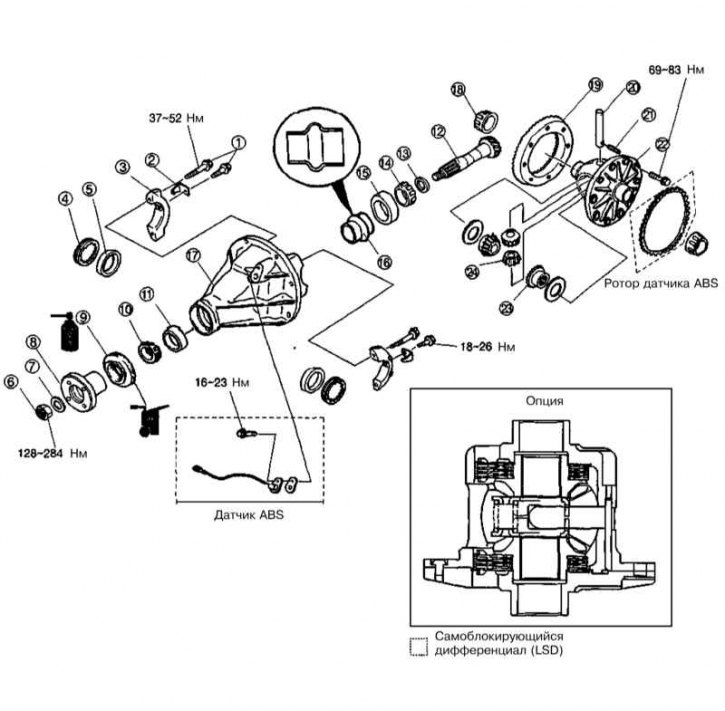
Порядок разборки редуктора заднего моста
1 - Болт; 2 - Стопорная пластина; 3 - Крышка подшипника; 4 - Регулировочный винт; 5 - Наружная обойма подшипника; 6 - Гайка; 7 - Шайба; 8 - Соединительный фланец; 9 - Сальник; 10 - Передний подшипник; 11 - Наружная обойма подшипника; 12 - Ведущая шестерня главной передачи; 13 - Дистанционное кольцо; 14 - Задний подшипник; 15 - Наружная обойма подшипника; 16 - Дистанционная втулка; 17 - Картер редуктора; 18 - Боковой подшипник; 19 - Ведомая шестерня главной передачи; 20 - Ось сателлитов; 21 - Стопорный штифт; 22 - Коробка дифференциала; 23 - Боковая шестерня; 24 - Сателлиты; 25 - Упорная шайба
1. Вывесьте автомобиль над землей.
2. Слейте масло из картера дифференциала (см. Главу Текущий уход и обслуживание).
3. Снимите полуоси.
4. Отсоедините от заднего моста карданный вал (см. Часть Карданные валы).

5. На автомобилях соответствующей комплектации отсоедините электропроводку от заднего датчика ABS. Снимите датчик.

6. Выверните крепежные болты и снимите редукторную сборку с картера заднего моста.
7. В случае необходимости произведите разборку редуктора, - действуйте в порядке нумерации компонентов, - потребуются специальные съемники.
8. Выполнение сборки и регулировок редуктора следует поручить специалистам СТО.
9. Установка производятся в порядке, обратном порядку демонтажа компонентов, - проследите за соблюдением требований Спецификаций Главы Трансмиссионная линия к усилиям затягивания резьбового крепежа, не забывайте заменять уплотнительные элементы.
