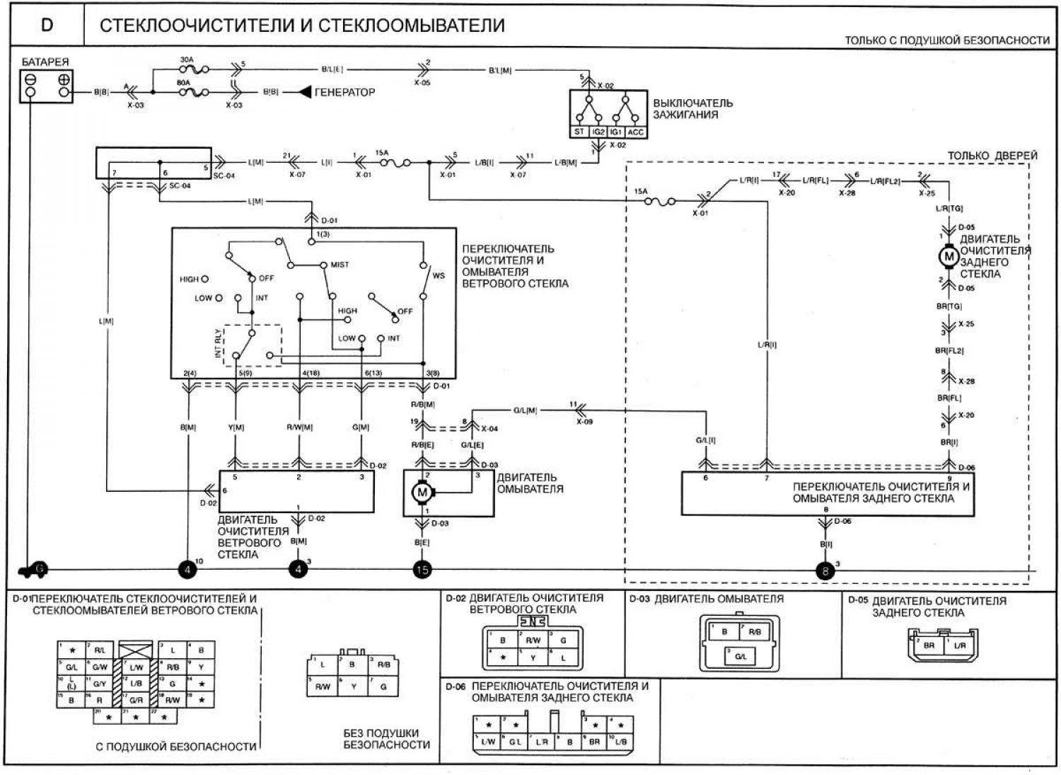
Электрасхема шклоачышчальнікаў і шклоамывальнікаў (Kia Rio DC)
0
Гэты артыкул даступны на: рускай, англійскай, балгарскай, украінскай, сербскай, харвацкай, румынскай, польскай, славацкай, венгерскай
Папярэднія
Наступныя
Яшчэ артыкулы па тэме мануалаў для аўтамабіляў Кіа:
➤ Электрасхема сістэмы пуску і зарадкі Кіа Cerato 1 (2004-2009)
➤ Электрасхема сістэмы запуску Кіа Optima 1 (2000-2005)
➤ Электрасхема размеркавання харчавання Кіа Sportage 1 (1993-2005)
➤ Электрасхема сістэмы астуджэння Кіа Shuma 1 (1997-2001)
Спасылка ў розных фарматах на гэты артыкул
Каментары наведвальнікаў
Каментароў пакуль няма
- Агульная інфармацыя
- Інструкцыя па эксплуатацыі
- Тэхнічнае абслугоўванне
- Сілавы агрэгат
- Рамонт рухавікоў
- Сістэма ахладжэння
- Сістэма змазкі
- Сістэма ўпырску паліва
- Сістэма пуску і зарада
- Трансмісія
- Счапленне і прывадныя валы
- Механічная скрынка
- Аўтаматычная скрынка
- Шасі
- Падвеска і колы
- Рулявое кіраванне
- Тармазная сістэма
- Кузаў
- Экстэр'ер
- Інтэр'ер
- Дзверы і вокны
- Кандыцыянер і абагравальнік
- Сістэмы бяспекі
- Электраабсталяванне
- Абсталяванне і прыборы
- Фары і асвятленне
- Электрычныя схемы
- Агульная інфармацыя
- Інструкцыя па эксплуатацыі
- Сілавы агрэгат
- Рамонт рухавіка
- Сістэма змазкі
- Сістэма ахладжэння
- Паліўная сістэма
- Сістэма запальвання
- Трансмісія
- Счапленне
- Механічная скрынка
- Аўтаматычная скрынка
- Прывадныя валы і восі
- Шасі
- Падвеска аўтамабіля
- Колы і шыны
- Рулявое кіраванне
- Тармазная сістэма
- Кузаў
- Экстэр'ер
- Інтэр'ер
- Сістэма кандыцыянавання
- Электраабсталяванне
- Абсталяванне і прыборы
- Сілавыя прылады
- Электрычныя схемы

