Снятие
1. Отключите провод от отрицательного вывода батареи.
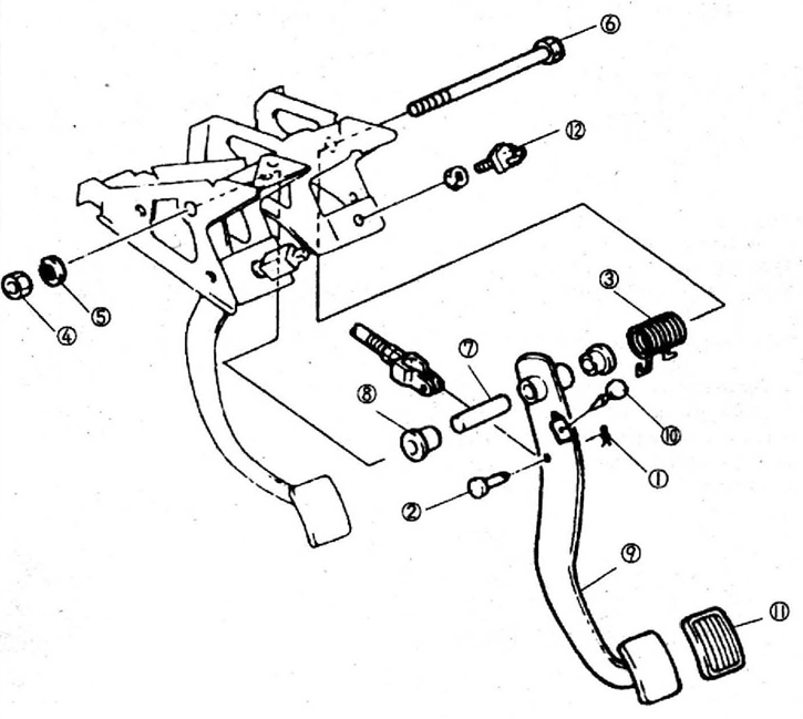
Снятие и установка педали тормоза
1 - шплинт;
2 - штифт;
3 - возвратная пружина;
4 - гайка;
5 - шайба;
6 - ось;
7 - проставка;
8 - втулка;
9 - педаль тормоза;
10 - резиновый ограничитель;
11 - накладка педали тормоза;
12 - выключатель стоп-сигнала.
2. Выньте шплинт из штифта педали тормоза, затем снимите штифт.
3. Снимите гайку крепления оси, стопорную и пружинную шайбы.
4. Снимите проставку с оси.
5. Снимите ось, сдвинув ее вправо.
6. Снимите тормозную педаль, возвратную пружину и дистанционные втулки педали тормоза.
7. При необходимости снимите втулки, накладку и резиновый ограничитель (буфер) педали тормоза.
Установка
1. Установите буфер, накладку и втулки педали тормоза.
2. Установите проставку педали тормоза и вставьте в нее ось, чтобы зафиксировать ее положение.
3. Установите возвратную пружину на педаль тормоза.
6. Установите шайбы и гайку крепления оси педалей тормоза.
7. Установите штифт и шплинт педали тормоза.
8. Подключите провод к отрицательному выводу батареи.
