KManual.net
Русский English
Български
Беларускі
Український
Српски
Hrvatski
Română
Polski
Slovenský
Magyar
| Статьи | Карта | Контакты | Поиск | В закладки
АвтоВАЗ Лада Ауди Фольксваген Ленд Ровер Ниссан Рено
 
 
 
 
 
 
 
 
  Ceed   Cerato   Optima   Rio   Sorento   Soul   Sportage   Другие
 
Спектра (2000-2009) Авелла (1994-2000) Кларус (1995-2001) Шума 1 (1997-2001)
  • Главная
  • Киа
  • Авелла (1994-2000)
  • Силовой агрегат
  • Система охлаждения
  • Электрическая схема вентилятора

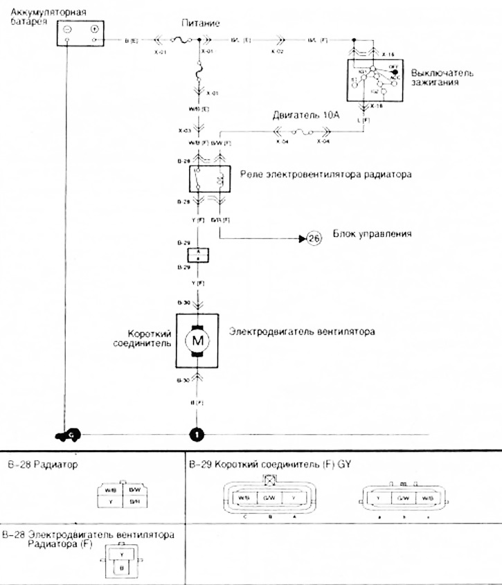
Электрическая схема вентилятора (Kia Avella)

0
Эту статью проверил автоэксперт Дмитрий Смирнов
Эта статья доступна на: английском, болгарском, белорусском, украинском, сербском, хорватском, румынском, польском, словацком, венгерском
Поделиться в соц. сетях:
Предыдущие
Авелла: Система охлаждения
Следующие

Термостат — проверка работы
Крышка радиатора
Охлаждающая жидкость двигателя
Схема циркуляции охлаждающей жидкости
Возможные неисправности, их причины и способы устранения
Вентилятор радиатора
Электрическая система вентилятора
Радиатор — снятие и установка
Термостат — снятие и установка
Насос охлаждающей жидкости
Датчик температуры охлаждающей жидкости
Реле электровентилятора
Еще статьи по теме мануалов для автомобилей Киа:

➤ Электрическая схема системы пуска двигателя Киа Сид 1 (2006-2012)
➤ Блок вентилятора отопителя — замена Киа Церато 1 (2004-2009)
➤ Проверка реле вентилятора конденсатора Киа Оптима 1 (2000-2005)
➤ Двигатель вентилятора радиатора — снятие и установка Киа Рио 1 (2000-2005)
➤ Проверка исправности функционирования муфты сцепления вентилятора системы охлаждения Киа Спортейдж 1 (1993-2005)
Ссылка в разных форматах на эту статью
TextHTMLBB Code
Комментарии посетителей
Комментариев пока нет


Сколько будет 18 + 14 ?

       



Спектра (2000-2009) 
  • Общая информация
  • Устройство автомобиля
  • Эксплуатация автомобиля
  • Неисправности в пути
  • Ежедневный уход (ЕУ)
  • Первое техобслуживание
  • Второе техобслуживание
  • Техническая информация
  • Силовой агрегат
  • Ремонт двигателя
  • Система охлаждения и смазки
  • Выхлопная система
  • Топливная система
  • Трансмиссия
  • Сцепление
  • Коробка передач
  • Приводы передних колес
  • Шасси
  • Передняя подвеска
  • Задняя подвеска
  • Рулевое управление
  • Тормозная система
  • Кузов
  • Экстерьер
  • Интерьер
  • Двери и окна
  • Подушки безопасности
  • Электрооборудование
  • Оборудование и приборы
  • Силовые устройства
  • Управление двигателем
  • Фары и освещение
  • Электрические схемы
 
Авелла (1994-2000) 
  • Руководство по эксплуатации
  • Устройства управления
  • Вождение автомобиля
  • Действия при поломке
  • Техническое обслуживание
  • Силовой агрегат
  • Ремонт двигателя
  • Система смазки
  • Система охлаждения
  • Забор воздуха и выхлоп
  • Система питания
  • Система зажигания
  • Система пуска двигателя
  • Аккумулятор и генератор
  • Трансмиссия
  • Сцепление
  • Механическая коробка B3
  • Механическая коробка B5
  • Приводные валы и оси
  • Шасси
  • Рулевое управление
  • Тормозная система
 
Кларус (1995-2001) 
  • Силовой агрегат
  • Ремонт двигателя
  • Система смазки
  • Система охлаждения
  • Системы питания и выпуска
  • Топливная система
  • Система зажигания
  • Трансмиссия
  • Сцепление
  • Механическая коробка
  • Автоматическая коробка G4A–EL
  • Автоматическая коробка 50–40 LE
  • Приводные валы и оси
  • Шасси
  • Рулевое управление
  • Тормозная система
  • Подвеска автомобиля
  • Колеса и шины
  • Кузов
  • Экстерьер
  • Интерьер
  • Кондиционер воздуха
  • Электрооборудование
  • Оборудование и приборы
  • Электрические схемы
 
Шума 1 (1997-2001) 
  • Силовой агрегат
  • Ремонт двигателя
  • Система смазки
  • Система охлаждения
  • Системы питания и выпуска
  • Топливная система
  • Система зажигания
  • Трансмиссия
  • Сцепление
  • Механическая коробка
  • Автоматическая коробка
  • Приводные валы и оси
  • Шасси
  • Рулевое управление
  • Колеса и шины
  • Тормозная система
  • Подвеска автомобиля
  • Кузов
  • Экстерьер
  • Интерьер
  • Двери и окна
  • Кондиционер воздуха
  • Электрооборудование
  • Оборудование и приборы
  • Силовые устройства
  • Стеклоочистители и омыватели
  • Электрические схемы
 
   Автомобильный анекдот:
хочу ещё один
 
 
Мобильная версия · Сид 1 (ED) · Церато 1 (LD) · Оптима 1 (MS) · Рио 1 (DC) · Рио 2 (JB-p) · Соренто 1 (EX) · Спортейдж 1 (NB-7) · Спектра · Авелла · Кларус · Шума 1 · Новости автомобилей Kia · Современные технологии · Диагностика автомобилей · Электронные приборы · Новичок за рулем авто
 
Kmanual.net © 2018–2025 · Карта сайта: EN BG BY UA RS HR RO PL SK HU · Обратная связь · Поиск по сайту · В закладки · Автомобильные статьи