Коробка передач кинематически соединяется с двигателем посредством фрикционного сцепления, состоящего из нажимного диска с центральной нажимной (тарельчатой) пружиной и ведомого диска диаметром 180 мм для двигателя модели В3 и 200 мм — для модели В5. Первичный вал коробки передач входит в шлицевое отверстие ступицы ведомого диска сцепления и опирается на шарикоподшипник, заполненный долговечной смазкой.
Выключение сцепления осуществляется благодаря снятию усилия, оказываемого нажимным диском на ведомый диск, при нажатии на педаль сцепления, которая в свою очередь с помощью троса связана с рычагом, вилкой и подшипником выключения сцепления. Педаль сцепления вместе с тормозной педалью укреплена на кронштейне, приваренном к полу автомобиля. Обе педали могут поворачиваться относительно кронштейна вокруг общей оси — болта, закрепленного в неподвижном положении гайкой и двумя шайбами От верхнего конца педали трос идет к рычагу, установленному на картер сцепления.
Механизм сцепления работает следующим образом:
- Когда выжата педаль сцепления трос поворачивает рычаг, который установлен на одном валу с вилкой выключения сцепления.
- При повороте рычага вилка перемещает подшипник выключения сцепления, пока он не коснется нажимного диска и не выключит его.
- Когда педаль отпускают, пружины, прикрепленные к кронштейну и рычагу, возвращают элементы привода сцепления в исходное положение.
Свободный ход педали сцепления регулируют, перемещая трос через рычаг. Гайку на поводке троса используют для изменения положения пальца, вставленного в рычаг вследствие чего увеличиваются или уменьшается длина троса, т. е. регулируется свободный ход педали.
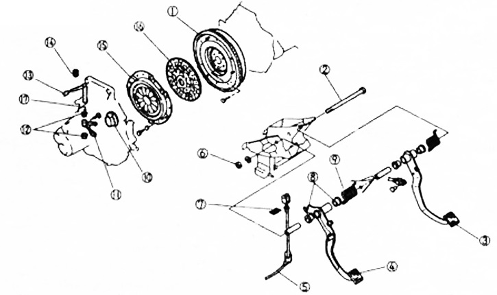
Устройство сцепления
Привод сцепления
Элементы сцепления
1 - маховик;
2 - ось педалей;
3 - тормозная педаль;
4 - педаль сцепления;
5 - трос сцепления;
6 - гайка;
7 - зажим;
8 - втулки;
9 - пружина педали сцепления;
10 - подшипник выключения сцепления;
11 - вилка выключения сцепления;
12 - втулки;
13 - рычаг выключения сцепления;
14 - возвратная пружина;
15 - нажимной диск;
16 - ведомый диск.
