Диаметр переднего отверстия трубы подачи тормозной жидкости:
- Передний левый и задний правый тормоза: 12 мм
- Передний правый и задний левый тормоза: 10 мм
Насос с двумя контурами обеспечивает требуемое давление, а блок клапанов распределяет давление, передаваемое к колесным тормозным механизмам.

Главное реле
Главное реле при включенном зажигании подает питание на блок управления ABS.

Реле двигателя
Реле двигателя по сигналам блока управления ABS подает питание на двигатель насоса.
Диод (D1)
Защищает реле двигателя от высокого напряжения при подаче питания на двигатель насоса через реле двигателя, чтобы предотвратить износ или заедание контактов.
Диод (D2)
Включает контрольную лампу ABS при размыкании цепи блока управления ABS.
Самодиагностика ABS
Блок управления ABS запускает программу самодиагностики после включения зажигания. Поиск неисправности в каждой цепи и в каждом узле происходит посредством сравнения параметра системы с его предельным значением, заданным внутри блока управления ABS. Блок управления ABS сохраняет код неисправности и выводит четыре цифры этого кода с помощью контрольной лампы ABS при соединении с корпусом вывода ABS диагностического разъема.
Проверка кодов самодиагностики

1. При выключенном зажигании соедините проводом контакт L диагностического разъема с выводом корпуса.
2. Включите зажигание и отсоедините провод. Программа самодиагностики начнет работу.

3. Через 1,2 с после начала работы программы самодиагностики контрольная лампа мигнет один раз, и еще через 2,5 с начнется вывод кодов неисправностей.
Внимание! Код неисправности – это четыре цифры, которые непрерывно выводятся, пока контакт L не будет снова соединен с корпусом.
Внимание! Для вывода следующего кода соедините проводом вывод L с корпусом на 2,5 с, затем отключите провод.
Внимание! После вывода всех кодов лампа будет непрерывно мигать в течение 2,5 с.
Внимание! Для прекращения вывода кодов неисправностей соедините проводом контакт L с корпусом не менее, чем на 2,5 с, затем отключите провод и выключите зажигание.
Внимание! Информация о некоторых неисправностях, хранящаяся в блоке управления ABS, может быть потеряна, если автомобиль двигался со скоростью более 30 км/час.
4. С помощью списка кодов неисправностей определите неисправный узел и отремонтируйте его в соответствии с процедурами самодиагностики.
5. После завершения ремонта сотрите коды неисправностей, хранящиеся в блоке управления ABS.
Как считать коды неисправностей

Считывайте четыре цифры кода неисправности по рисунку включений и выключений сигнальной лампы ABS.
Стирание кодов неисправностей
В блоке управления ABS предусмотрена программа автоматического стирания кода неисправности, которая работает в два этапа.
1. Следует правильно выполнить вывод кода неисправности и вывести все сохраненные коды.
2. После отключения всех соединений (провод и т.п.) разгоните автомобиль до скорости 30 км/час при включенном зажигании.
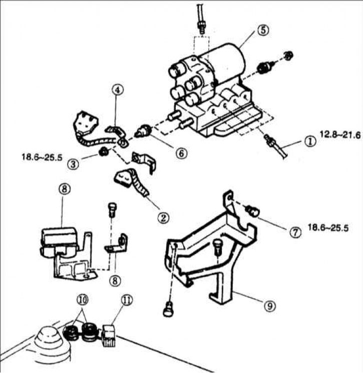
Гидравлический блок управления (HCV)
1 – тормозная трубка; 2 – разъем; 3 – гайка; 4 – скоба; 5 – гидравлический блок управления HCV; 6 – втулка; 7 – болт; 8 – скоба реле ABS; 9 – скоба ABS; 10 – главное реле ABS; 11 – реле двигателя ABS.
Снятие
1. Отсоедините провод от отрицательной клеммы аккумуляторной батареи.
2. Отключите разъем от гидравлического блока управления.
3. Отсоедините все тормозные трубопроводы.
4. Отверните гайку, затем снимите гидравлический блок управления.
Установка
Установка проводится в последовательности, обратной снятию.
Момент затяжки: 18,6–25,5 Н·м
Датчик частоты вращения
Датчик частоты вращения обнаруживает вращение колеса и состоит из постоянного магнита и считывающей катушки. Датчики частоты вращения передних колес крепятся к приводному валу, датчики частоты вращения задних колес – к шпинделю задней ступицы.
![]() | ![]() |
При прохождении зубьев ротора около датчика изменяется магнитное поле датчика, в результате чего вырабатывается импульс напряжения. Это напряжение пропорционально частоте вращения колеса, а его период может изменяться. Определяя период, можно получить данные о скорости.

Контрольная лампа ABS
Контрольная лампа ABS, расположенная в комбинации приборов, загорается на 2 с после включения зажигания.
Если контрольная лампа ABS не гаснет через 2 с после включения зажигания или загорается периодически, значит в ABS имеются нарушения.
При наличии нарушений тормозная система работает как стандартная тормозная система.



