Насос усилителя рулевого управления, устанавливаемый с двигателем FE DOHC
1 – впускной патрубок; 2 – уплотнительное кольцо; 3 – соединительный штуцер; 4 – уплотнительное кольцо; 5 – регулирующий клапан; 6 – пружина; 7 – корпус насоса (задняя часть); 8 – уплотнительное кольцо; 9 – статорное кольцо; 10 – лопасть; 11 – ротор; 12 – боковая пластина; 13 – уплотнительное кольцо; 14 – уплотнительное кольцо; 15 – штифт; 16 – корпус насоса (передняя часть).
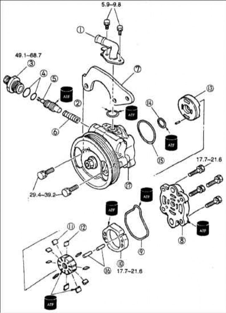
Насос усилителя рулевого управления, устанавливаемый с двигателем Т8 DOHC
1 – впускной патрубок; 2 – уплотнительное кольцо; 3 – соединительный штуцер; 4 – уплотнительное кольцо; 5 – регулирующий клапан; 6 – пружина; 7 – кронштейн; 8 – корпус насоса (задняя часть); 9 – уплотнительное кольцо; 10 – статорное кольцо; 11 – лопасть; 12 – ротор; 13 – боковая пластина; 14 – уплотнительное кольцо; 15 – уплотнительное кольцо; 16 – штифт; 17 – корпус насоса (передняя часть).
Разборка
Разборку насоса проводите в последовательности, показанной на рисунке, с учетом следующего. В случае обнаружения неисправности какой-либо детали замене подлежит весь узел масляного насоса.
Внимание! При сборке необходимо использовать новую прокладку и уплотнительные кольца.
Проверка
1. Очистите все детали насоса соответствующим растворителем.
2. Если имеются поврежденные детали насоса, замените насос в сборе.
3. Если шкив поврежден или деформирован, замените его.
4. Если имеются утечки жидкости около уплотнительного кольца, замените его.
5. Если повреждены или изношены шлицы вала или шкива, замените соответствующие детали.
Сборка
1. Сборку проводите в последовательности, обратной показанной на рисунке, с учетом следующего.
2. Смажьте тонким слоем жидкости ATF DEXRON II все замененные детали, включая масляное уплотнение и уплотнительное кольцо.
