Оглавление: Снятие ⇣ Установка ⇣
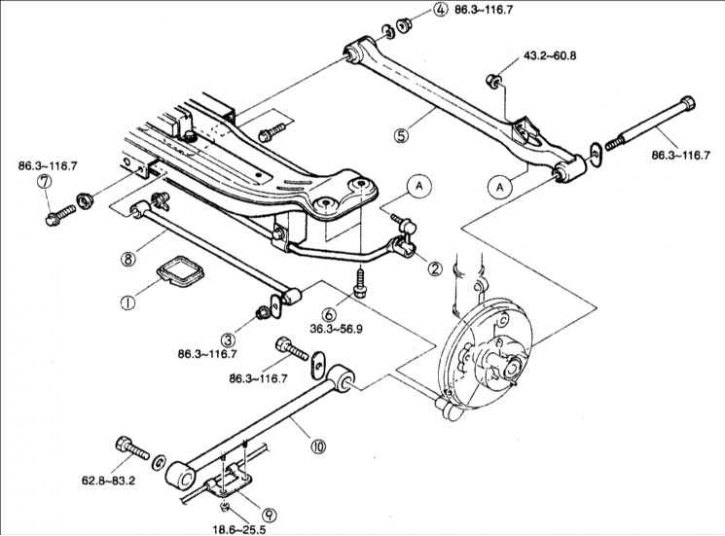
1 – крышка; 2 – тяга стабилизатора; 3 – болт с шайбой и гайка; 4 – гайка, пластина–крышка и регулировочный болт с пластиной; 5 – поперечная тяга (задняя); 6 – болт (поперечины); 7 – болт с шайбой и гайка; 8 – поперечная тяга (передняя); 9 – скоба троса тормоза; 10 – продольная тяга.
Снятие
1. Поднимите домкратом заднюю часть автомобиля и установите ее на надежные опоры.
2. Снимите колеса.
3. Снятие проводите в последовательности, показанной на рисунке.

4. Перед отворачиванием гаек нанесите установочные метки на пластину–крышку и поперечину.

5. Подведите домкрат под поперечину, а затем отверните гайки.
Внимание! Не допускайте падения поперечины.
6. Проверьте состояние всех деталей и, при необходимости, отремонтируйте или замените их.
Установка
7. Установку проводите в последовательности, обратной показанной на рисунке, с учетом следующего.

8. Установите пластину–крышку так, чтобы она была ориентирована в том же направлении, что и вырез на регулировочном болте с пластиной и пластине–крышке.
Момент затяжки: 86–117 Н·м
9. Установите колеса.
Момент затяжки: 88–118 Н·м
Внимание! Затянув крепежные болты и гайки поперечной тяги и продольной тяги не до конца, опустите автомобиль и окончательно затяните все болты и гайки требуемыми моментами в ненагруженном состоянии.
10. Установив поперечную и продольную тяги, измерьте параметры регулировки колес и при необходимости выполните регулировку.
