Оглавление: Снятие ⇣ Установка ⇣
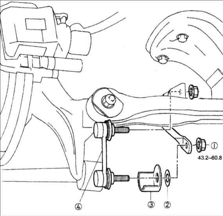
1 – гайка; 2 – установочная шайба; 3 – предохранительная втулка; 4 – тяга стабилизатора.
Снятие
1. Поднимите домкратом заднюю часть автомобиля и установите ее на надежные опоры.
2. Снимите колеса.
3. Снятие проводите в последовательности, показанной на рисунке.
4. Проверьте состояние всех деталей и, при необходимости, отремонтируйте или замените их.
Установка
5. Установка проводится в последовательности, обратной снятию, с учетом следующего.
6. Установите колеса.
Момент затяжки: 88–118 Н·м
