Оглавление: Срабатывание системы ⇣ Компоненты системы ⇣ Перед заменой компонентов ⇣ Запрещение разборки компонентов и…⇣ Работа с модулем подушки безопасности ⇣ Использование щупа ⇣ Отработавшая подушка безопасности ⇣ Неисправность подушки безопасности ⇣ Утилизация автомобиля ⇣ Дистанционное приведение в действие…⇣ Снятие и установка ⇣ Подушка безопасности водителя ⇣ Подушка безопасности пассажира ⇣ Отключение разъема с двойным замком ⇣ Регулировка разъема со спиральной…⇣
1 – модуль подушки безопасности; 2 – спиральная пружина; 3 – узел подушки безопасности; 4 – контрольная лампа подушки безопасности.
Для достижения максимальной эффективности работы SRS (дополнительной системы безопасности) на базе подушки безопасности необходимо правильно отрегулировать сидение и рулевое колесо, а также надеть ремень безопасности. В случае столкновения датчик регистрирует ударную нагрузку, превышающую заданное значение, и включает генераторы, которые наполняют подушки безопасности, чтобы защитить водителя и пассажира.
Подушка безопасности наполняется при сильном лобовом ударе. Подушка безопасности устроена так, что она выпускает газ сразу же после того, как наполняется, чтобы не перекрывать обзор. Подушка безопасности не срабатывает при ударах сбоку или сзади, а также при опрокидывании автомобиля.
Неисправность в системе может быть обнаружена с помощью контрольной лампы подушки безопасности.
В исправном состоянии лампа включается при включении зажигания и выключается через 6–8 с. В случае неисправности лампа начинает мерцать или остается включенной.
Срабатывание системы
Тип столкновения автомобиля: лобовой удар или удар под углом не более 30° при большей, чем указано ниже, скорости.
Скорость автомобиля при столкновении: зависит от жесткости объекта, с которым происходит столкновение. Если объект жесткий (не деформируется), то система срабатывает при скорости, превышающей 25 км/час, при строго лобовом столкновении.
Столкновение с жестким объектом на скорости 25 км/час соответствует столкновению с другим автомобилем на скорости 50 км/час.
Условия, при которых система не срабатывает:
- боковой удар;
- удар сзади;
- опрокидывание;
- удар о бордюр;
- удар со стороны днища при езде с большой скоростью по неровной дороге;
- столкновение, когда ключ не находится в замке зажигания (не подается питание).
Компоненты системы
В состав системы входят модуль подушки безопасности, блок управления, контрольная лампа, проводка и узел спиральной пружины.
Блок управления подушки безопасности
Блок управления подушки безопасности работает на основе измерения в одной точке. В его состав входят датчик ускорения и предохранительный датчик. Блок регистрирует импульс ударной нагрузки и включает подушку безопасности. Компоненты:
- ЦП и память;
- дополнительный источник питания;
- датчик ускорения и предохранительный датчик.
Подушка безопасности срабатывает, когда и датчик ускорения, и предохранительный датчик регистрируют импульс ударной нагрузки, достаточный для включения. Дополнительный источник питания предусмотрен на случай, если при столкновении провода будут оторваны от батареи. Система проводит самотестирование электрических компонентов и разъемов с помощью ЦП. При появлении неисправности включается контрольная лампа подушки безопасности, а код неисправности записывается во внутреннюю память. Для считывания содержимого памяти необходимо использовать внешний модуль диагностики. Необходимые функции для взаимодействия с такими модулями диагностики обеспечиваются блоком управления.
Подушка безопасности может сработать только, если ключ находится в положении "ВКЛ" (ON) или "АККУМУЛЯТОР" (АСС). Для обслуживания системы необходимо установить ключ в положение "ЗАПЕРТО" (LOCK) или вынуть его из замка зажигания, отсоединить провод от отрицательной клеммы батареи и подождать не менее 1 мин. Следует тщательно затягивать болты крепления до указанного момента, чтобы блок управления или его скоба не сдвинулись, например, при аварии. Момент затяжки должен быть не менее 8 Н·м.
Контрольная лампа подушки безопасности
Контрольная лампа подушки безопасности включается при повороте ключа из положения "АККУМУЛЯТОР" в положение "ВКЛ" на 6–8 с. В это время производится самотестирование электрических компонентов и разъемов системы. Если неисправность не выявлена, то через 6–8 с лампа выключается, а в случае выявления неисправности – остается включенной или мерцает.
Самотестирование проводится и во время езды, причем при необходимости также выдается предупреждение.
Если ключ находится в положении "ВКЛ", а лампа не включилась, следует проверить контрольную лампу, комбинацию приборов и всю систему. При включении зажигания следует проверять, включилась ли лампа, так как система не выдает отдельного предупреждения.
Проводка и узел спиральной пружины
Проводка передает энергию батареи в блок управления подушки безопасности. Она обеспечивает питание для включения подушки безопасности при столкновении – для подушки безопасности водителя – через спиральную пружину, а для подушки безопасности пассажира – непосредственно.
Модуль подушки безопасности водителя
Модуль подушки безопасности водителя установлен в рулевом колесе. Его конструкция такова, что подушка безопасности наполняется при сильном лобовом ударе и сразу же выпускает газ, чтобы не перекрывать обзор и не препятствовать управлению автомобилем. Модуль не подлежит техническому обслуживанию: если из подушки безопасности вышел газ или требуется ее ремонт, то следует заменить весь модуль в сборе. В состав модуля входят генератор, установочная пластина со стопорным кольцом, подушки и крышки рулевого колеса.

Разъем со спиральной пружиной
Разъем со спиральной пружиной встроен в комбинированный переключатель, обеспечивая надежное подключение модуля подушки безопасности водителя к проводке автомобиля и вместе с тем, не мешая повороту рулевого колеса при управлении автомобилем. Разъем со спиральной пружиной, встроенный в комбинированный переключатель, может быть заменен только в составе единой сборки.
Генератор
Модуль подушки безопасности при столкновении наполняется в результате воспламенения твердого топлива, при горении которого выделяется газ азот. Детонатор включается электрическим током и воспламеняет усилитель поджига, который, в свою очередь, воспламеняет таблетки топлива. Фильтр с радиатором охлаждает и фильтрует газообразный азот, поступающий в подушки безопасности.

Установочная пластина со стопорным кольцом
Установочная пластина со стопорным кольцом служит для крепления узла подушки безопасности к генератору и герметизации их соединения.
Для крепления кожуха и установки всего модуля на рулевое колесо служит установочная скоба. Эти детали являются компонентами модуля подушки безопасности и не подлежат техническому обслуживанию.
Крышка на рулевом колесе
Под крышкой находится блок подушки безопасности. При срабатывании подушки происходит разрыв крышки по перфорации. Крышка является компонентом системы SRS, не подлежащим обслуживанию и ремонту.
Модуль подушки безопасности пассажира
Модуль подушки безопасности переднего пассажира установлен в панели приборов непосредственно над вещевым ящиком. Сняв вещевой ящик, можно получить доступ к четырем крепежным болтам модуля подушки безопасности. Вывернув болты, можно вытянуть модуль подушки безопасности из панели приборов, а затем отключить от проводки автомобиля. Модуль не подлежит техническому обслуживанию: если из подушки безопасности вышел газ или требуется ее ремонт, то следует заменить весь модуль в сборе.

Модуль подушки безопасности пассажира значительно больше модуля подушки безопасности водителя, так как для защиты пассажира на переднем сидении при столкновении подушка безопасности должна заполнить большее пространство салона. Из–за этого различия в размерах генератор модуля подушки безопасности пассажира больше по размеру и имеет цилиндрическую форму.
Электрическая система
Система подушки безопасности питается непосредственно от батареи. Система может работать при любом положении выключателя зажигания, включая положения "ВЫКЛ" (OFF) и "ЗАПЕРТО" (LOCK).
Система также может работать, если сидение водителя свободно. Электрическая система выполняет три основные функции:
- регистрирует столкновение;
- тестирует систему для определения ее готовности;
- подает ток на детонатор.
- Электрическая система состоит из:
- блока управления подушкой безопасности;
- монитора диагностики;
- датчиков (удара и предохранительный);
- устройства резервного питания;
- контрольной лампы подушки безопасности;
- проводки и узла соединителя;
- узла детонатора.
Перед заменой компонентов
1. Отключите провод от отрицательной клеммы батареи и изолируйте его.
2. Подождите не менее 1 мин, чтобы разрядился резервный источник питания блока управления.
Внимание! Электрическая цепь срабатывания системы питается непосредственно от батареи. Для предотвращения самопроизвольного срабатывания и возможных травм персонала перед обслуживанием системы или заменой любых ее компонентов батарея должна быть отключена и резервный источник питания – разряжен.

3. Отключите разъем со спиральной пружиной.
Запрещение разборки компонентов и ремонта проводки

1. Разборка компонентов системы подушки безопасности для технического обслуживания не предусмотрена. Если модулем диагностики выявлена неисправность компонента, то после проверки разъемов и проводки следует заменить соответствующий компонент. Не разбирайте никакие компоненты.

2. Если при проверке проводимости выявлен обрыв цепи, замените проводку. Не пытайтесь ремонтировать проводку.
Работа с модулем подушки безопасности

1. Не используйте омметр для проверки модуля подушки безопасности. Это может вызвать самопроизвольное срабатывание подушки безопасности.

2. Помещая работоспособный модуль подушки безопасности на любую поверхность, всегда кладите его оболочкой вверх, чтобы уменьшить перемещение модуля в случае его самопроизвольного срабатывания.

3. При переноске работоспособного модуля подушки безопасности всегда направляйте его оболочку от себя, чтобы предотвратить травмы в случае его самопроизвольного срабатывания.

4. Работая с отработавшим модулем подушки безопасности, надевайте перчатки и защитные очки, поскольку на отработавшем модуле подушки безопасности может быть едкий натр – побочный продукт реакции генерации газа.
Использование щупа

При проверке применяйте в качестве щупа тонкий проводник, чтобы не повредить разъем.
Отработавшая подушка безопасности
Для обслуживания автомобиля, в котором сработала подушка безопасности, отработавшую подушку безопасности следует заменить на новую.
Отработавшую подушку безопасности следует снимать следующим образом.
1. Сработавшую подушку безопасности следует оставить примерно на 15 мин для охлаждения, так как ее температура очень высока.
2. Не допускайте контакта отработавшей подушки безопасности с водой.
3. Работая с отработавшей подушкой безопасности, всегда надевайте перчатки и защитные очки.
4. Отработавшую подушку безопасности можно выбрасывать так же, как и любую деталь, подлежащую утилизации.
5. По окончании работы вымойте руки водой с мягким мылом.
Внимание! Работая с отработавшей подушкой безопасности, следует принимать меры предосторожности. После срабатывания на поверхности подушки безопасности может быть едкий натр – побочный продукт реакции генерации газа, вызывающий раздражение кожи.

Неисправность подушки безопасности
Если диагностика выявила неисправность подушки безопасности, то неисправную подушку безопасности следует заменить на новую. Такую подушку безопасности нельзя просто выбросить. Она должна быть возвращена в KIA motor company для правильной утилизации. Не пытайтесь привести подушку безопасности в действие, возвратите ее в соответствии с инструкцией, прилагаемой к сменной подушки безопасности.
Утилизация автомобиля
В некоторых автомобилях, поврежденных или изношенных до такой степени, что они не подлежат ремонту, могут находиться несработавшие подушки безопасности. Это может произойти при ударе сзади или сбоку, при опрокидывании или эксплуатации автомобиля после выработки ресурса. Перед утилизацией автомобиля подушки безопасности следует привести в действие в соответствии с процедурой, описанной ниже.
Дистанционное приведение в действие подушки безопасности
Эта процедура должна применяться для подготовки к утилизации автомобиля с неотработавшей подушкой безопасности, однако она неприменима для автомобилей, в которых повреждена проводка или отсутствуют некоторые компоненты системы.
Внимание! Дистанционное приведение в действие подушки безопасности должно производиться вне помещения с персоналом, находящимся не ближе 6 м, для обеспечения безопасности и из–за громкого звука, которым сопровождается срабатывание подушки безопасности.
1. Снимите подушки безопасности с рулевого колеса в соответствии с приведенными указаниями.
2. Обрежьте разъем подушки безопасности и снимите изоляцию с концов проводов на 25 мм.
3. Подсоедините к проводам модуля подушки безопасности два провода длиной не менее 6 м.
4. Поместите подушки безопасности оболочкой вверх на плоскую поверхность в отдаленной зоне: например, на стоянке или в поле.
Внимание! Не размещайте подушки безопасности оболочкой вниз, так как сила отдачи при ее срабатывании может вызвать рикошет и привести к травмам.
5. Оставаясь на расстоянии не менее 6 м, приведите подушки безопасности в действие, подключив другие концы проводов к автомобильной батарее с напряжением 12 В.
6. В случае успешного приведения в действие раздастся громкий звук и будет виден материал подушки. Перед тем, как подойти к подушке безопасности выждите 15 мин для ее остывания и рассеяния продуктов сгорания.
Подушка безопасности отработала и может быть утилизирована обычным способом.
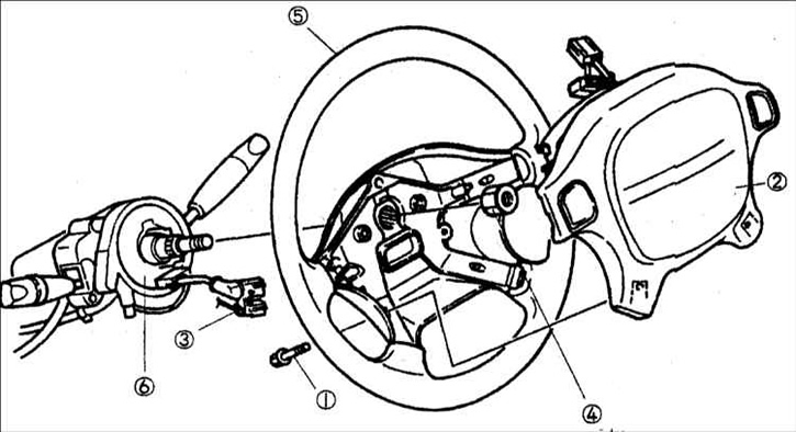
Снятие и установка
1. Установите передние колеса в среднее положение.
2. Снятие проводите в последовательности, показанной на рисунке.
Внимание! Электрическая цепь, служащая для срабатывания системы, питается непосредственно от батареи. Для предотвращения самопроизвольного срабатывания и возможных травм персонала перед обслуживанием системы или заменой любых ее компонентов батарея должна быть отключена и резервный источник питания – разряжен.
Внимание! Отключите провод от отрицательной клеммы батареи, изолируйте и подождите не менее 1 мин, чтобы разрядился резервный источник питания блока управления.
Подушка безопасности водителя
1 – болт; 2 – модуль подушки безопасности; 3 – разъем подушки безопасности; 4 – гайка рулевого колеса; 5 – рулевое колесо; 6 – спиральная пружина.
Подушка безопасности пассажира
1 – болт; 2 – крышка; 3 – разъем.
Отключение разъема с двойным замком
В системе подушки безопасности применяются разъемы с двойным замком.
Эти разъемы разъединяются следующим образом.
1. Нажмите на оранжевую кнопку и отсоедините оранжевый разъем.

2. Нажмите на синюю кнопку и отсоедините синий разъем.
3. Соединение разъемов производится в последовательности, обратной разъединению.
Регулировка разъема со спиральной пружиной
Каждый раз, когда снимается рулевое колесо, перед его повторной установкой установите разъем со спиральной пружиной следующим образом.
1. Установите передние колеса в среднее положение.

2. Поверните разъем со спиральной пружиной по часовой стрелке до упора.
Внимание! Разъем со спиральной пружиной может быть поврежден при чрезмерной затяжке.

3. Поверните разъем со спиральной пружиной против часовой стрелки на 2,75 оборота.

4. Совместите стрелку на поворотной пластине разъема со спиральной пружиной со стрелкой на гнезде разъема.

5. Установите рулевое колесо, убедившись, что оно правильно совмещено с рулевым валом.
Внимание! Разъем со спиральной пружиной может быть поврежден, если рулевое колесо установлено со смещением от среднего положения.

Проверьте, работает ли звуковой сигнал. Если звуковой сигнал не работает, снимите модуль подушки безопасности и проверьте соединения разъемов модуля подушки безопасности и выключателя звукового сигнала.
После технического обслуживания системы убедитесь в ее исправности, выполнив проверку с помощью контрольной лампы системы подушки безопасности.
Если система исправна, контрольная лампа включается при включении зажигания, а затем через 4–8 с выключается.
Если лампа остается включенной или мигает, еще раз проверьте систему подушки безопасности.
