Последовательность снятия навесных агрегатов с двигателя и моторного отсека
1 – нижний защитный кожух двигателя; 2 – впускной воздушный канал; 3 – воздушный фильтр; 4 – аккумуляторная батарея и опора батареи; 5 – трос акселератора; 6 – трос управления дроссельной заслонкой (А/Т); 7 – шланг радиатора; 8 – шланг расширительного бачка охлаждающей жидкости; 9 – разъем вентилятора системы охлаждения; 10 – труба жидкости АTF (А/Т); 11 – кронштейн радиатора; 12 – радиатор; 13 – ремень усилителя рулевого управления и компрессора кондиционера; 14 – масляный насос усилителя рулевого управления и кронштейн масляного насоса; 15 – компрессор кондиционера.
Расположение электрических разъемов в моторном отсеке
1 – датчика кислорода; 2 – распределителя зажигания; 3 – стартера; 4 – датчика давления масла; 5 – генератора; 6, 11, 14 – провод соединения с "массой"; 7 – инжектора; 8 – датчика обогрева; 9 – датчика холостого хода; 10 – привода; 12 – клапана продувки; 13 – датчика температуры охлаждающей жидкости; 15 – датчика скорости; 16 – датчика замедления.
Расположение шлангов
1 – шланги отопителя; 2 – вакуумный шланг вакуумного усилителя тормозов; 3 – шланг клапана продувки; 4 – топливные шланги.
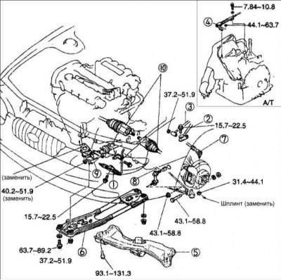
Опоры двигателя, приводные валы, подвеска и наконечник рулевой тяги
1 – рабочий цилиндр сцепления; 2 – тяга управления коробкой передач (М/Т); 3 – удлинительная штанга (М/Т); 4 – трос управления дроссельной заслонкой (А/Т); 5 – поперечина; 6 – опора двигателя; 7 – наконечник рулевой тяги; 8 – управляющая тяга стабилизатора; 9 – приемная выхлопная труба; 10 – приводной вал.
Опоры двигателя
1 – опора двигателя № 1; 2 – опора двигателя № 2; 3 – опора двигателя № 3; 4 – опора двигателя № 4.
Внимание! Снимите давление в топливной системе
Снятие
1. Отсоедините провод от отрицательной клеммы аккумуляторной батареи.
2. Слейте охлаждающую жидкость из двигателя, масло из двигателя и коробки передач с главной передачей.
3. Последовательно отсоедините и снимите:
- нижний защитный кожух двигателя;
- впускной воздушный канал;
- воздушный фильтр;
- аккумуляторную батарею и опору батареи;
- трос акселератора;
- трос управления дроссельной заслонкой (А/Т);
- шланг радиатора;
- шланг расширительного бачка охлаждающей жидкости;
- разъем вентилятора системы охлаждения;
- трубу жидкости АTF (А/Т);
- кронштейн радиатора;
- радиатор;
- ремень усилителя рулевого управления и компрессора кондиционера;
- масляный насос усилителя рулевого управления и кронштейн масляного насоса;
- компрессор кондиционера.
4. Отсоедините электрические провода и разъемы:
- датчика кислорода;
- распределителя зажигания;
- стартера;
- датчика давления масла;
- генератора;
- провод соединения с "массой";
- инжектора;
- датчика обогрева;
- датчика холостого хода;
- привода;
- клапана продувки;
- датчика температуры охлаждающей жидкости;
- датчика скорости;
- датчика замедления.
5. Отсоедините следующие шланги:
- шланги отопителя;
- вакуумный шланг от вакуумного усилителя тормозов;
- шланг клапана продувки; – топливные шланги.

6. Снимите наконечники рулевых тяг:
- снимите шплинт и ослабьте гайку крепления цапфы шарового шарнира;
- с помощью съемника снимите наконечник рулевой тяги с поворотного кулака.
Внимание! При сборке установите новый шплинт.
7. Последовательно отсоедините и снимите:
- рабочий цилиндр сцепления;
- тягу управления коробкой передач (М/Т);
- удлинительную штангу (М/Т);
- трос управления дроссельной заслонкой (А/Т);
- поперечину;
- опору двигателя;
- наконечник рулевой тяги;
- управляющую тягу стабилизатора;
- приемную выхлопную трубу;
- приводной вал.

8. Перед снятием опоры двигателя поддержите двигатель с помощью специального инструмента.
9. Снимите опоры двигателя.
10. Поднимите двигатель с коробкой передач и ведущим мостом как единый узел и достаньте его из моторного отсека.
Внимание! Соблюдайте осторожность, чтобы не повредить другие детали, расположенные рядом с двигателем.
Установка
1. Установка производится в последовательности, обратной снятию.
2. После установки залейте масло в коробку передач с главной передачей и охлаждающую жидкость в двигатель.
3. Пустите двигатель и проверьте на холостом ходу угол опережения зажигания, а также отсутствие утечек масла и охлаждающей жидкости.
4. После дорожного испытания еще раз проверьте уровни масла и охлаждающей жидкости.
