Оглавление: Зубчатый ремень двигателя FE DOHC ⇣ Зубчатый ремень двигателя Т8 DOHC ⇣ Снятие ⇣ Проверка ⇣ Шкивы коленчатого и…⇣ Установка ⇣
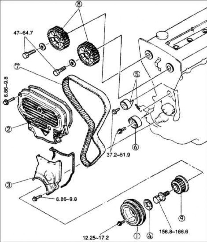
Зубчатый ремень двигателя FE DOHC
1 – шкив гасителя колебаний; 2 – верхний защитный кожух зубчатого ремня; 3 – нижний защитный кожух зубчатого ремня; 4 – направляющая зубчатого ремня; 5 – натяжное устройство зубчатого ремня и пружина; 6 – холостой шкив зубчатого ремня; 7 – зубчатый ремень; 8 – шкивы распределительных валов; 9 – шкив зубчатого ремня.
Зубчатый ремень двигателя Т8 DOHC
1 – шкив водяного насоса; 2 – шкив коленчатого вала; 3 – направляющая пластина зубчатого ремня; 4 – верхний защитный кожух зубчатого ремня; 5 – нижний защитный кожух зубчатого ремня; 6 – зубчатый ремень; 7 – натяжное устройство зубчатого ремня и пружина; 8 – холостой шкив; 9 – шкивы распределительных валов; 10 – шкив зубчатого ремня.
Снятие

1. Специальным инструментом заблокируйте маховик от проворачивания, отверните болт и снимите шкив гасителя колебаний.
2. На двигателе T8 DOHC отверните три болта и снимите шкив водяного насоса.
3. Отверните винты и снимите верхний защитный кожух зубчатого ремня.
4. Отверните винты и снимите нижний защитный кожух зубчатого ремня.
5. Снимите направляющую зубчатого ремня.
6. Ослабьте стопорный болт крепления натяжного устройства и снимите пружину натяжного устройства.
7. Ослабьте стопорный болт крепления натяжного устройства и снимите пружину натяжного устройства.

Внимание! Отметьте направление вращения зубчатого ремня для повторной установки его в первоначальное положение.
Внимание! Не допускайте попадания на ремень масла или смазки.
8. Снимите зубчатый ремень.

9. Отверните болт и снимите шкив распределительного вала, предварительно отверткой зафиксировав распределительный вал от проворачивания.
10. Снимите шкив зубчатого ремня с коленчатого вала.
Проверка
Проверка зубчатого ремня
1. Замените зубчатый ремень, если он загрязнен маслом или смазочным материалом.
2. Проверьте зубчатый ремень на отсутствие повреждений, износа, расслоения, трещин на зубьях и в основании зубьев, а также на дефекты на торцах и обратной стороне ремня. При наличии дефектов, замените зубчатый ремень.
![]() |
![]() |
Внимание! Сильно не перегибайте зубчатый ремень и не меняйте направление его вращения.
Внимание! Не позволяйте маслу и смазочному материалу входить в контакт с зубчатым ремнем, так как это приведет к его разрушению.
Механизм натяжения зубчатого ремня и направляющий ролик

Проверьте ролик механизма натяжения и направляющий ролик на плавность вращения и отсутствие шума при вращении. При необходимости, замените ролик механизма натяжения или направляющий ролик.
Внимание! Не проводите чистку ролика механизма натяжения или направляющего ролика зубчатого ремня с использованием очищающих жидкостей. Допускается притирание роликов чистой мягкой ветошью. Не поцарапайте рабочие поверхности роликов, так как это приведет к преждевременному износу зубчатого ремня.
Пружина механизма натяжения

Измерьте длину пружины механизма натяжения в свободном состоянии. Если длина пружины отличается от номинального значения, замените ее.
Длина пружины в свободном состоянии: 55,6 мм
Шкивы коленчатого и распределительных валов

Проверьте шкивы коленчатого и распределительных валов на отсутствие износа, деформации или других дефектов зубьев и, при необходимости, замените их.
Внимание! Не проводите чистку шкивов с использованием очищающих жидкостей.
Внимание! При необходимости, используйте для их очистки чистую мягкую ветошь.
Верхний и нижний кожухи зубчатого ремня
Проверьте верхний и нижний кожухи зубчатого ремня на отсутствие трещин и, при необходимости, замените их.
Установка

1. Установите шкивы распределительных валов, при этом метка I на шкиве распределительного вала впускных клапанов и метка Е на шкиве распределительного вала выпускных клапанов должны быть совмещены с установочными штифтами.
2. Закрепите шкивы распределительных валов болтами, при этом гаечным ключом за лыски удерживайте распределительные валы от проворачивания.
Момент затяжки:
- FE DOHC: 47–65 Н·м
- Т8 DOHC: 49–60,8 Н·м

3. Совместите установочные метки на шкивах распределительных валов с установочными метками на пластине уплотнений.

Внимание! При установке шкива распределительного вала с впускных клапанов, совмещайте метку "I". При установке шкива распределительного вала с выпускных клапанов совмещайте метку "Е".
4. Измените направление действия специального инструмента, блокирующего маховик от проворачивания.
5. Установите шпонку на коленчатый вал.
6. Установите шкив зубчатого ремня на коленчатый вал.
Момент затяжки: 157–167 Н·м
7. Снимите специальный инструмент, блокирующий маховик от проворачивания.

8. Совместите установочную метку на шкиве зубчатого ремня с меткой на кронштейне насоса.
9. Установите холостой шкив зубчатого ремня.
Момент затяжки: 37–52 Н·м
10. Установите натяжное устройство зубчатого ремня и пружину натяжного устройства.

11. Зафиксируйте натяжное устройство в положении, при котором пружина полностью растянута.

12. Установите зубчатый ремень так, чтобы он был натянут со стороны натяжного устройства и между двумя шкивами распределительных валов.
Внимание! Если зубчатый ремень используется повторно, его следует установить так, чтобы он вращался в первоначальном направлении. Проверьте, чтобы на ремне не было масла, смазки или загрязнений.
13. Ослабьте болт крепления натяжного устройства.
14. Проверните коленчатый вал на два оборота в направлении вращения.
15. Проверьте правильность совмещения установочных меток. Если метки совмещены неправильно, снимите зубчатый ремень и натяжное устройство и повторно установите его.

16. Проверните коленчатый вал до совмещения метки "S" с правой стороны шкива коленчатого вала с установочной меткой на направляющей пластине (FE DOHC). Проверните коленчатый вал на два оборота в направлении вращения, чтобы проверить правильность совмещения установочной отметки на шкиве зубчатого ремня с меткой на кронштейне масляного насоса (Т8 DOHC).
17. Затяните болт крепления натяжного устройства зубчатого ремня.
Момент затяжки: 37–52 Н·м

18. Проверьте прогиб зубчатого ремня. Если прогиб не соответствует техническим требованиям, ослабьте стопорный болт натяжного устройства и повторите этапы 3–5, описанные выше. При необходимости замените пружину натяжного устройства.
Прогиб ремня:
- FE DOHC: 7,5–8,5 мм /98 Н (10 кгс)
- Т8 DOHC: 9,0–11,5 мм /98 Н (10 кгс)

19. Установите направляющую пластину зубчатого ремня на шкив зубчатого ремня коленчатого вала.
20. Установите нижний и верхний защитные кожухи зубчатого ремня и новые прокладки.
Момент затяжки:
- FE DOHC: 6,86–9,8 Н·м
- Т8 DOHC: 7,84–10,8 Н·м


