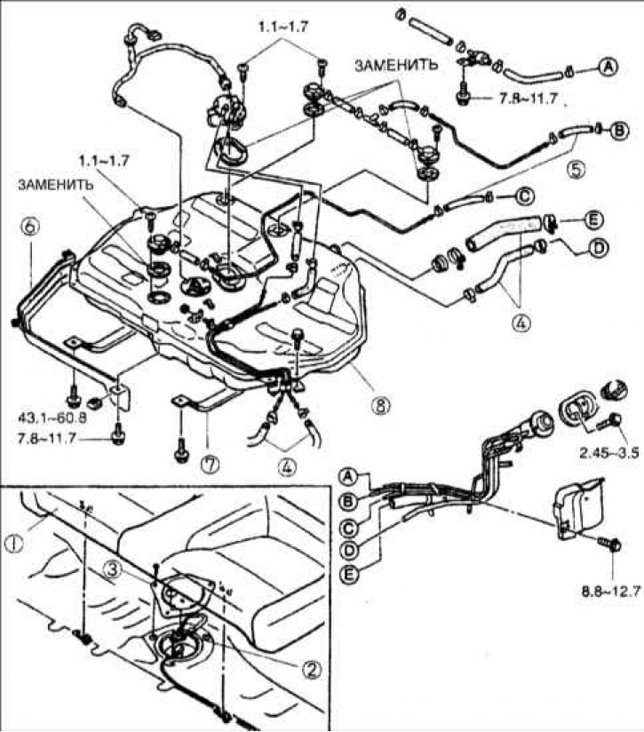
1 – заднее сидение; 2 – разъем топливного насоса; 3 – крышка; 4 – топливный шланг; 5 – шланг системы удаления паров топлива; 6 – гаситель пульсаций; 7 – кронштейн топливного бака; 8 – топливный бак.
Внимание! Перед отсоединением трубопроводов снимите давление в топливной системе.
Внимание! Бензин взрывоопасен, поэтому при работе с элементами топливной системы обеспечьте нормальную вентиляцию рабочего места, не пользуйтесь огнем, искрящими устройствами, открытыми пожароопасными световыми приборами и не курите.
Внимание! Очистите топливный бак от паров топлива.
Внимание! Перед снятием слейте топливо из топливного бака.
Снятие
1. Снимите давление в топливной системе.
2. Отсоедините провод от отрицательной клеммы аккумуляторной батареи.
3. Снимите подушку заднего сидения.
4. Отсоедините разъемы от блока подачи топлива.
5. Выверните три винта крепления крышки.
6. Отсоедините два топливных шланга от блока подачи топлива.
7. Поднимите автомобиль.
8. Установите домкрат под топливным баком.
9. Отсоедините топливные шланги от топливного бака.
10. Выверните болты крепления кронштейнов топливного бака.
Внимание! Закройте все открывшиеся отверстия топливного бака для того, чтобы исключить выход из бака паров топлива.
11. Снимите топливный бак из-под автомобиля.
Внимание! Даже в пустом топливном баке есть пары топлива, которые взрывоопасны, поэтому соблюдайте осторожность. Обеспечьте нормальную вентиляцию рабочего места, не пользуйтесь огнем, искрящими устройствами, открытыми пожароопасными световыми приборами и не курите. Как можно скорее очистите топливный бак от паров топлива.
12. Визуально проверьте все детали топливного бака и, при необходимости, отремонтируйте или замените их.
13. Установка топливного бака проводится в последовательности, обратной снятию.
