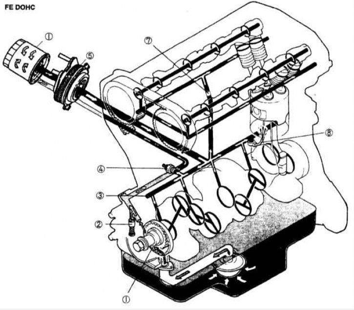
Система смазки двигателя FЕ DOHC
1 – масляный насос; 2 – перепускной клапан; 3 – главный канал подачи масла; 4 – датчик давления масла; 5 – масляный теплообменник; 6 – масляный фильтр; 7 – пробка маслосборника; 8 – распылитель масла.
Система смазки состоит из масляного поддона, масляного насоса, масляного фильтра и различных каналов. Масляный насос приводится в действие от коленчатого вала. Перепускной клапан в масляном насосе поддерживает давление в системе смазки двигателя на определенном уровне и при его превышении открывается перепускной клапан и часть масла стекает обратно в масляный поддон. В фильтре имеется перепускной клапан, через который в случае сильного загрязнения фильтра неочищенное масло поступает сразу в масляную магистраль.
Очищенное масляным фильтром масло поступает в главную масляную магистраль. Далее поток масла разделяется на два потока. Один поток масла подается к коренным подшипникам коленчатого вала, а через просверленные каналы смазывает и шатунные подшипники. Для охлаждения поршней масло через распылители разбрызгивается на нижнюю часть поршней.
Второй поток масла по каналам подается к головке блока цилиндров для смазки подшипников распределительных валов и в гидравлические толкатели.
После прохождения через головку и блок цилиндров масло стекает в масляный поддон.
