KManual.net
Русский English
Български
Беларускі
Український
Српски
Hrvatski
Română
Polski
Slovenský
Magyar
| Статьи | Карта | Контакты |  | В закладки
АвтоВАЗ Лада Ауди Фольксваген Ленд Ровер Ниссан Рено
 
 
 
 
 
 
 
 
  Ceed   Cerato   Optima   Rio   Sorento   Soul   Sportage   Другие
 
Спектра (2000-2009) Авелла (1994-2000) Кларус (1995-2001) Шума 1 (1997-2001)
  • Главная
  • Киа
  • Кларус (1995-2001)
  • Силовой агрегат
  • Системы питания и выпуска
  • Система снижения токсичности отработавших газов

Система снижения токсичности отработавших газов (Kia Clarus)

0
Чтобы уменьшать выбросы вредных веществ (СО, НС и МОХ) в атмосферу вместе с отработавшими газами используются следующие системы снижения токсичности отработавших газов:
  • система вентиляции картера (PCV);
  • система улавливания паров топлива;
  • система рециркуляции отработавших газов.

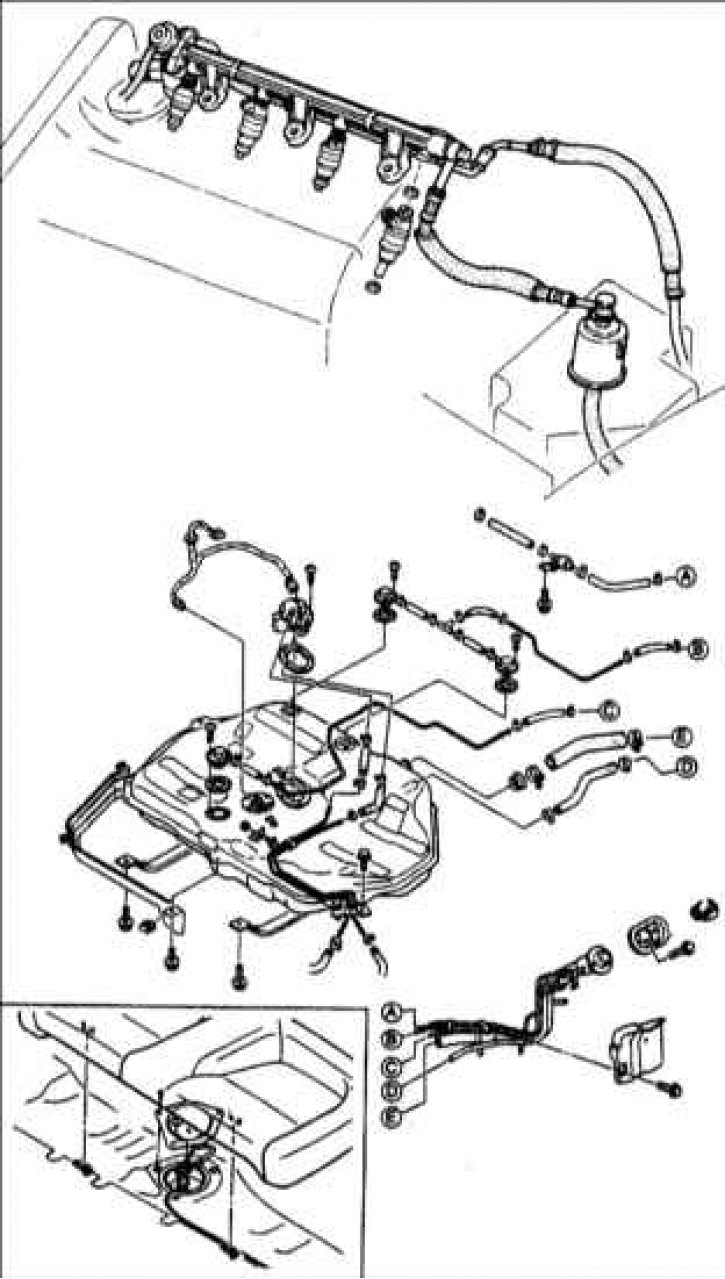
Расположение элементов системы контроля и снижения токсичности отработавших газов в моторном отсеке



Система снижения токсичности отработавших газов
Эту статью проверил автоэксперт Дмитрий Смирнов
Эта статья доступна на: английском, болгарском, белорусском, украинском, сербском, хорватском, румынском, польском, словацком, венгерском
Поделиться в соц. сетях:
https://918kiss-original.app/
Предыдущие
Кларус: Системы питания и выпуска
Следующие

Коды неисправностей
Функция самодиагностики
Предварительные проверки двигателя
Описание конструкции многоточечного впрыска топлива
Системы контроля и снижения токсичности отработавших газов
Элементы системы выпуска отработавших газов
Система вентиляции картера (PCV)
Проверка клапана системы вентиляции картера (PCV)
Система улавливания паров топлива
Проверка системы улавливания паров топлива
Проверка клапана системы улавливания паров топлива
Проверка фильтра с активированным углем
Еще статьи по теме мануалов для автомобилей Киа:

➤ Устройство системы контроля и снижения токсичности отработавших газов Киа Сид 1 (2006-2012)
➤ Технические данные системы контроля и снижения токсичности отработавших газов Киа Церато 1 (2004-2009)
➤ Система выпуска отработавших газов автомобилей с каталитическим нейтрализатором Киа Оптима 1 (2000-2005)
➤ Система выпуска отработавших газов — снятие и установка Киа Рио 1 (2000-2005)
➤ Система снижения токсичности — общая информация Киа Соренто 1 (2002-2009)
➤ Проверка исправности функционирования компонентов систем управления двигателем / снижения токсичности отработавших газов Киа Спортейдж 1 (1993-2005)
Ссылка в разных форматах на эту статью
Комментарии посетителей
Комментариев пока нет


Сколько будет 39 + 19 ?

       



Спектра (2000-2009) 
  • Общая информация
  • Устройство автомобиля
  • Эксплуатация автомобиля
  • Неисправности в пути
  • Ежедневный уход (ЕУ)
  • Первое техобслуживание
  • Второе техобслуживание
  • Техническая информация
  • Силовой агрегат
  • Ремонт двигателя
  • Система охлаждения и смазки
  • Выхлопная система
  • Топливная система
  • Трансмиссия
  • Сцепление
  • Коробка передач
  • Приводы передних колес
  • Шасси
  • Передняя подвеска
  • Задняя подвеска
  • Рулевое управление
  • Тормозная система
  • Кузов
  • Экстерьер
  • Интерьер
  • Двери и окна
  • Подушки безопасности
  • Электрооборудование
  • Оборудование и приборы
  • Силовые устройства
  • Управление двигателем
  • Фары и освещение
  • Электрические схемы
 
Авелла (1994-2000) 
  • Руководство по эксплуатации
  • Устройства управления
  • Вождение автомобиля
  • Действия при поломке
  • Техническое обслуживание
  • Силовой агрегат
  • Ремонт двигателя
  • Система смазки
  • Система охлаждения
  • Забор воздуха и выхлоп
  • Система питания
  • Система зажигания
  • Система пуска двигателя
  • Аккумулятор и генератор
  • Трансмиссия
  • Сцепление
  • Механическая коробка B3
  • Механическая коробка B5
  • Приводные валы и оси
  • Шасси
  • Рулевое управление
  • Тормозная система
 
Кларус (1995-2001) 
  • Силовой агрегат
  • Ремонт двигателя
  • Система смазки
  • Система охлаждения
  • Системы питания и выпуска
  • Топливная система
  • Система зажигания
  • Трансмиссия
  • Сцепление
  • Механическая коробка
  • Автоматическая коробка G4A–EL
  • Автоматическая коробка 50–40 LE
  • Приводные валы и оси
  • Шасси
  • Рулевое управление
  • Тормозная система
  • Подвеска автомобиля
  • Колеса и шины
  • Кузов
  • Экстерьер
  • Интерьер
  • Кондиционер воздуха
  • Электрооборудование
  • Оборудование и приборы
  • Электрические схемы
 
Шума 1 (1997-2001) 
  • Силовой агрегат
  • Ремонт двигателя
  • Система смазки
  • Система охлаждения
  • Системы питания и выпуска
  • Топливная система
  • Система зажигания
  • Трансмиссия
  • Сцепление
  • Механическая коробка
  • Автоматическая коробка
  • Приводные валы и оси
  • Шасси
  • Рулевое управление
  • Колеса и шины
  • Тормозная система
  • Подвеска автомобиля
  • Кузов
  • Экстерьер
  • Интерьер
  • Двери и окна
  • Кондиционер воздуха
  • Электрооборудование
  • Оборудование и приборы
  • Силовые устройства
  • Стеклоочистители и омыватели
  • Электрические схемы
 
   Автомобильный анекдот:
хочу ещё один
 
 
Мобильная версия · Сид 1 (ED) · Церато 1 (LD) · Оптима 1 (MS) · Рио 1 (DC) · Рио 2 (JB-p) · Соренто 1 (EX) · Спортейдж 1 (NB-7) · Спектра · Авелла · Кларус · Шума 1 · Новости автомобилей Kia · Современные технологии · Диагностика автомобилей · Электронные приборы · Новичок за рулем авто
 
Kmanual.net © 2018–2026 · Карта сайта: EN BG BY UA RS HR RO PL SK HU · Обратная связь · Поиск по сайту · В закладки · Автомобильные статьи