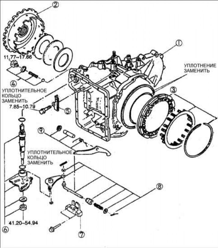
Последовательность разборки автоматической коробки передач (этап 1)
1 – преобразователь крутящего момента; 2 – вал масляного насоса; 3 – датчик уровня ATF и трубка заполнения маслом; 4 – генератор импульсов; 5 – датчик замедления и разъем; 6 – блок разъемов (генератора импульсов, датчика температуры масла и электромагнитных клапанов); 7 – трубка и шланги для масла; 8 – масляный поддон и прокладка; 9 – маслоприемник; 10 – кожух корпуса управляющих клапанов; 11 – трос дроссельной заслонки; 12– разъем электромагнитного клапана (на боковой стороне корпуса клапанов); 13 – корпус управляющих клапанов; 14 – масляный насос и прокладка.
Последовательность разборки автоматической коробки передач (этап 2)
1 – шток поршня; 2 – пружинное упорное кольцо; 3 – блок муфт; 4 – тормозная лента 2–4; 5 – малая солнечная шестерня и одноходовая муфта 1; 6 – анкерная распорка и ось; 7 – сервопривод ленты; 8 – одноходовая муфта 2 и узел втулки планетарной передачи; 9 – пружинное упорное кольцо; 10 – внутренняя шестерня; 11 – муфта 3–4; 12 – вал турбины.
Последовательность разборки автоматической коробки передач (этап 3)
1 – картер коробки передач; 2 – выходная гильза; 3 – тормоз для низкой скорости и заднего хода; 4 – пробка, уплотнение, пружина и фиксирующий шарик; 5 – кронштейн; 6 – вал и пластина ручного клапана; 7 – опора приводного механизма; 8 – парковочный рычаг; 9 – парковочная защелка.
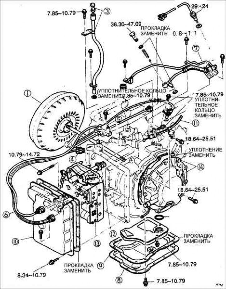
Последовательность разборки автоматической коробки передач (этап 4)
1 – дифференциал; 2 – аккумулятор 2–3; 3 – цилиндрический штифт; 4 – отражательная перегородка; 5 – корпус подшипника; 6 – паразитная шестерня;7 – выходное зубчатое зацепление; 8 – защитный кожух подшипников; 9 – кольца подшипников; 10 – регулировочная прокладка; 11 – масляное уплотнение; 12 – кожух преобразователя.
Внимание! Не пролейте трансмиссионную жидкость ATF при снятии преобразователя крутящего момента.

1. Снимите преобразователь момента, вынув его из кожуха.
2. Вытолкните рукой вал масляного насоса.
3. Снимите измеритель уровня трансмиссионной жидкости ATF и трубку для заполнения маслом.
4. Снимите уплотнительное кольцо с трубки для заполнения маслом.

5. Снимите шланг сапуна.

6. Соберите специальный инструмент.

7. Закрепите на масляном насосе соответствующим образом серьги, как показано на рисунке.

Внимание! Не наклоняйте коробку передач в одну сторону в процессе разборки, так как она может внезапно перевернуться и нанести травму.

8. Поднимите коробку передач и закрепите ее на специальном инструменте.

9. Снимите генератор импульсов и датчик замедления.
Внимание! Не потеряйте пружину и стальной шарик.
10. Выверните болт крепления разъема.

11. Снимите прокладки, масляные трубки, пружину и стальной шарик.
Внимание! Перед переворачиванием коробки передач снимите масляный поддон. Это гарантирует, что все посторонние включения и частицы останутся в поддоне.

12. Выверните болты и снимите масляный поддон и прокладку:
- a. исследуйте все посторонние включения и частицы, найденные в поддоне и на магните, чтобы определить состояние деталей коробки передач. Наличие частиц износа сцепления свидетельствует об износе пластины привода или тормозных лент. Стальные частицы на магните свидетельствуют об износе подшипников, шестерен или пластины привода. Наличие алюминиевых частиц свидетельствует об износе втулок или картера коробки передач;
- b. При наличии большого количества посторонних включений и частиц замените преобразователь крутящего момента и тщательно проверьте состояние деталей коробки передач.

13. Снимите маслоприемник и уплотнительное кольцо.

14. Снимите кожух и прокладку корпуса управляющих клапанов.
15. Отсоедините разъемы соленоидов и разъем датчика температуры ATF.

16. Снимите блок разъемов.
Внимание! Ослабляйте болты равномерно и постепенно.

17. Снимите корпус управляющих клапанов в виде цельного блока.

18. Снимите масляный насос и прокладку.

19. Снимите блок муфт в сборе:
- снимите пружинное упорное кольцо вала турбины;

- потяните за барабан заднего и переднего хода и снимите блок муфт.

20. Снимите малую солнечную шестерню и одноходовую муфту 1.
Внимание! Используйте отрезок проволоки для крепления тормозной ленты так, чтобы она не была повреждена при вытягивании.

21. Снимите тормозную ленту 2–4.

22. Потяните за ось, поддерживающую анкерную распорку, и снимите распорку.

23. Снимите шток поршня с сервопривода ленты

24. Снимите сервопривод следующим образом:
- снимите специальным инструментом пружинное упорное кольцо;
- снимите сервопривод и пружину.

25. Снимите одноходовую муфту 2 и узел втулки водила планетарной передачи следующим образом:
- снимите пружинное упорное кольцо;

- снимите одноходовую муфту 2 вместе с узлом втулки водила планетарной передачи;
- снимите фрикционный диск.
26. Снимите внутреннюю шестерню следующим образом:
- снимите пружинное упорное кольцо;

- извлеките внутреннюю шестерню из выходной гильзы.

27. Снимите муфту 3–4 в сборе следующим образом:
- снимите уплотнительное кольцо с вала турбины со стороны кожуха преобразователя;

- извлеките вал турбины для снятия узла муфты 3–4;
- снимите муфту 3–4.

28. Выверните болты, а затем кожух коробки передач посредством легкого постукивания пластиковым молотком.

29. Снимите выходную гильзу с выходной шестерни.
30. Снимите вал ручного клапана и пластину ручного клапана следующим образом:
Внимание! Не потеряйте пружину и фиксирующий шарик.

- снимите пробку, прокладку, пружину и фиксирующий шарик;

- снимите кронштейн;

- выверните болты и вытолкните вал ручного клапана;
- снимите гайку, шайбу, промежуточное кольцо и пластину ручного клапана.

31. Снимите опору приводного механизма.

32. Снимите пружинное упорное кольцо и вспомогательный парковочный рычаг.

33. Снимите парковочную защелку следующим образом:
- снимите пружинное упорное кольцо;
- потяните за парковочный вал и снимите пружину и парковочную защелку.

34. Снимите узел дифференциала.
35. Снимите аккумулятор 2–3.

36. Снимите пружину обратного клапана и обратный клапан.

37. Снимите кожух подшипника следующим образом:
- выверните болт, показанный на рисунке, для получения доступа к цилиндрическому штифту;
- выбейте цилиндрический штифт пробойником;
- снимите кожух подшипников посредством легкого постукивания пластиковым молотком.

38. Снимите паразитную и выходную шестерни выбиванием их со стороны преобразователя крутящего момента.

39. Снимите блок кожуха подшипников следующим образом:
- снимите болты блока кожуха подшипников;
- снимите кожух преобразователя со специального инструмента (кронштейна для коробки передач);

- выдавите блок кожуха подшипников из кожуха преобразователя момента используя подходящую трубу (диаметром около 80 мм).
Внимание! Установите кольца подшипников при последующей сборке для регулировки предварительной нагрузки.
