Оглавление: Рычаг селектора ⇣ Разборка, проверка и сборка ⇣
Рычаг селектора
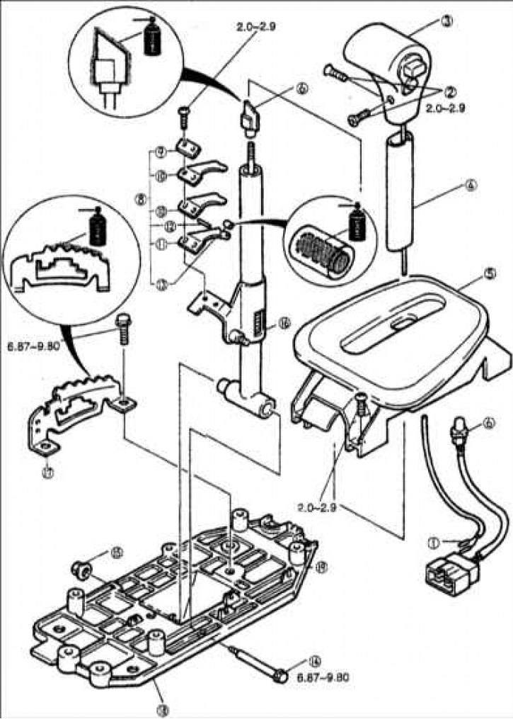
1 – разъем; 2 – винты; 3 – головка рычага селектора; 4 – кожух; 5 – индикаторная панель; 6 – лампа индикатора положения; 7 – кулачок; 8 – роликовый фиксатор в сборе; 9 – вспомогательная пластина; 10 – упругая пластина, верхняя; 11 – упругая пластина; 12 – штифт; 13 – роликовый фиксатор; 14 – ось; 15 – гайка; 16 – рычаг селектора; 17 – направляющая пластина; 18 – кронштейн рычага селектора.
Разборка, проверка и сборка
1. Разберите рычаг селектора в последовательности, показанной на рисунке.
2. Вставьте тонкий кусочек металла со стороны контактов разъема и выдавите вниз штифт для их фиксации.

3. Вытолкните контакты из разъема.
4. Проверьте состояние деталей и, при необходимости, отремонтируйте или замените их.
5. Сборка проводится в последовательности, обратной разборке.
6. Нанесите консистентную смазку с внутренней стороны фиксатора и установите его на упругую пластину.
7. Переместите рычаг селектора в положение Р.

8. Установите в свободном состоянии упругую пластину, верхнюю упругую пластину и вспомогательную пластину.

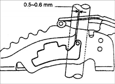
9. Отрегулируйте зазор между направляющей пластиной и направляющим штифтом и затяните винты.
Момент затяжки: 2,0–2,9 Н·м
10. Установите в свободном состоянии кулачок на толкатель.
Внимание! Зазор уменьшается при поворачивании кулачка по часовой стрелке.
11. Отрегулируйте зазор между направляющей пластиной и направляющим штифтом поворачиванием кулачка.

12. Установите головку рычага селектора и удостоверьтесь, что зазор соответствует указанным значениям.
13. В противном случае, повторите сборку, начиная с шага 2.
14. Снимите головку рычага селектора

15. Нанесите консистентную смазку на кулачок, как показано на рисунке.
16. Переместите рычаг селектора в положение Р.

17. Совместите установочные винты в ползунке с отверстиями в индикаторной панели. Установите толстый провод для поддержки ползунка.
18. Временно установите индикаторную панель на кронштейн рычага селектора.

19. Затяните винты индикаторной панели в порядке, указанном на рисунке.
Момент затяжки: 2,0–2,9 Н·м
20. Снимите провод.
21. Удостоверьтесь, что положение рычага селектора соответствует индикаторной панели в каждом положении.
