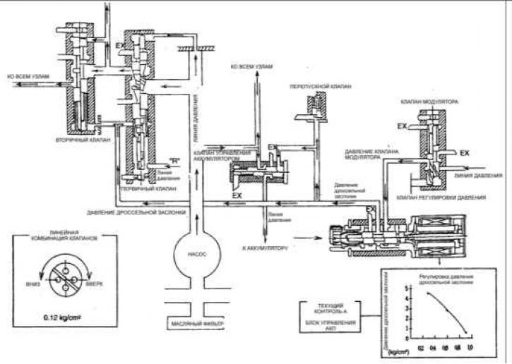
Схема гидравлической системы автоматической коробки передач
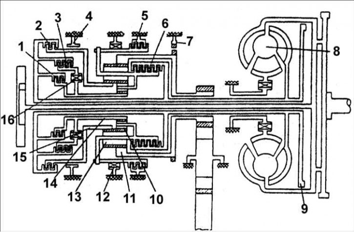
1 – муфта для движения по инерции; 2 – муфта заднего хода; 3 – муфта переднего хода; 4 – тормоз 2–й/ 4–й передачи; 5 – тормоз 1–й передачи и заднего хода; 6 – муфта 3–4; 7 – парковочная шестерня; 8 – преобразователь крутящего момента; 9 – поршень амортизатора; 10 – короткая шестерня; 11 – кольцевая шестерня; 12 – одноходовая муфта №2; 13 – длинная шестерня; 14 – малая солнечная шестерня; 15 – большая солнечная шестерня; 16 – одноходовая муфта №1.
Приводное усилие от двигателя передается зубчатой передаче через систему преобразования крутящего момента.
Электронная система управления обеспечивает подачу блоком управления выходного сигнала, наиболее подходящего для текущих условий вождения, на клапаны (4 шт) таким образом, что гидравлическая цепь может быть включена в соответствии с электрическими сигналами от различных датчиков на входе.
Блок РСМ управляет работой каждого узла посредством подачи давления гидравлической системой управления с преобразованием его в приводное усилие при помощи планетарной зубчатой передачи, которая обеспечивает наилучший режим для текущих условий движения.
Преобразованное усилие передается приводному валу и колесам через дифференциал.
Рабочий узел | Назначение | |
| Муфта переднего хода | 01 | Соединяет входной вал с задней планетарной кольцевой шестерней |
| Муфта прямого сцепления | С2 | Соединяет входной вал с планетарной солнечной шестерней |
| Муфта понижающей передачи | СЗ | Соединяет водило планетарного зацепления с планетарной солнечной шестерней понижающей передачи |
| Тормоз 2–й передачи при движении по инерции | 81 | Блокирует планетарную солнечную шестерню |
| Тормоз 2–й передачи | В2 | Блокирует левое вращение планетарной солнечной шестерни |
| Тормоз 1–й передачи и заднего хода | ВЗ | Блокирует переднюю планетарную кольцевую шестерню |
| Тормоз понижающей передачи | В4 | Блокирует планетарную солнечную шестерню понижающей передачи |
| Одноходовая муфта №1 | F1 | Блокирует левое вращение планетарной солнечной шестерни при функционировании тормоза 2–й передачи |
| Одноходовая муфта №2 | F2 | Блокирует левое вращение передней планетарной кольцевой шестерни |
| Одноходовая муфта №3 | F3 | Блокирует правое вращение планетарной солнечной шестерни понижающей передачи |

Конструкция и назначение клапанов

