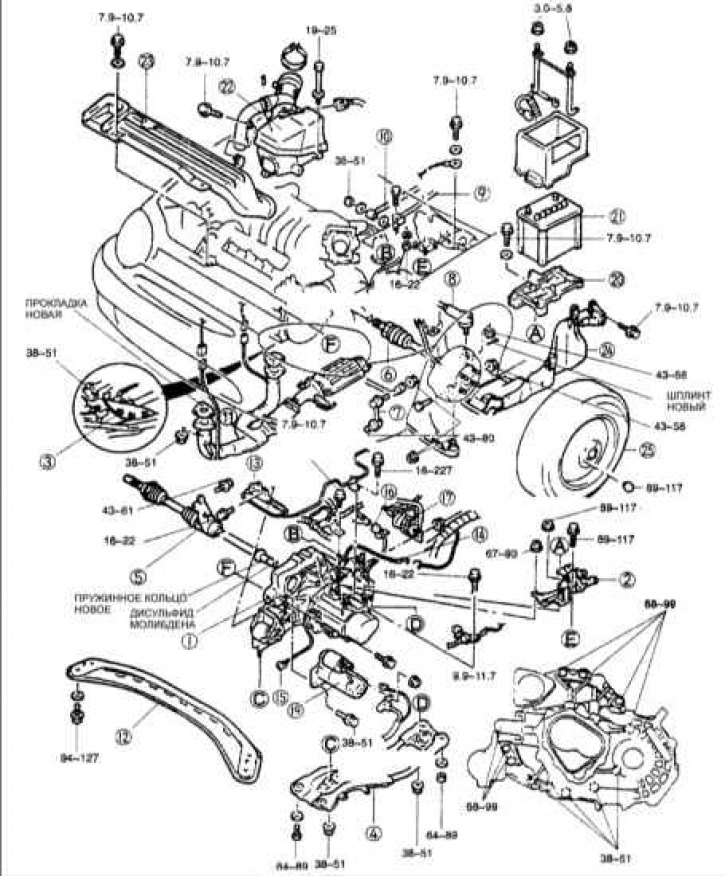
Последовательность установки коробки передач
1 – коробка передач; 2 – опора № 4 двигателя; 3 – нижний щиток; 4 – монтажный кронштейн двигателя; 5 – приводной вал и промежуточный вал; 6 – приводной вал; 7 – серьга крепления стабилизатора; 8 – наконечник рулевой тяги; 9 – тяга управления переключением передач; 10 – тяга переключения передач; 11 – выхлопная труба; 12 – поперечина; 13 – рабочий цилиндр сцепления; 14 – датчик спидометра автомобиля (ведомая шестерня спидометра); 15 – разъем выключателя фонаря заднего хода; 16 – разъем выключателя нейтрального положения; 17 – топливный фильтр; 18 – кронштейн жгута проводов; 19 – стартер; 20 – опора аккумуляторной батареи; 21 – аккумуляторная батарея; 22 – воздушный фильтр в сборе; 23 – резонансный воздухопровод; 24 – брызговик; 25 – колесо и шина.
Установка
1. Поднимите автомобиль в горизонтальном положении и закрепите его надежными опорами.
2. Установите коробку передач в последовательности, показанной на рисунке
3. Залейте требуемое количество трансмиссионного масла указанного типа.
4. Прогрейте двигатель и коробку передач, проверьте отсутствие утечки масла и работу коробки передач.

5. На домкрате поднимите коробку передач и установите ее под автомобилем. Медленно поднимая и перемещая к двигателю, установите коробку передач на место.

6. Закрепите коробку передач на двигателе.
Момент затяжки: 68–99 Н·м
7. Слегка затяните болты опоры № 4 двигателя.
Монтажный кронштейн двигателя
Внимание! При установке монтажного кронштейна двигателя вставьте резьбовые шпильки опор № 1 и № 2 двигателя в установочные отверстия.

1. Выровняйте в установочных отверстиях резьбовые шпильки опор № 1 и № 2 двигателя и вверните болты и гайки, как показано на рисунке.
Момент затяжки:
- А: 38–51 Н·м
- В: 64–89 Н·м

2. Затяните гайки крепления опоры № 4 двигателя.
Момент затяжки:
- А: 67–93 Н·м
- В: 28–40 Н·м
3. Снимите приспособления ОК201 170 АА0 (опору двигателя).
Приводной вал и промежуточный вал

1. Установите пружинное стопорное кольцо так, чтобы разрез был совмещен с верхней частью канавки.
Внимание! Острые края стопорного кольца приводного вала могут порезать или повредить масляное уплотнение. Будьте осторожны при установке приводного вала в коробку передач.
2. Смажьте кромку масляного уплотнения трансмиссионным маслом и установите приводной вал.

3. Потянув за приводной вал, проверьте, чтобы вал правильно встал на место. Он не должен выдвигаться.
4. Вставьте промежуточный вал в коробку передач.

5. Закрепите опору промежуточного вала на блоке цилиндра.
Момент затяжки: 43–61 Н·м
6. Подсоедините нижний рычаг к поворотному кулаку и затяните зажимной болт.
Момент затяжки: 44–58 Н·м
Серьга крепления стабилизатора

Установите серьгу крепления стабилизатора.
Момент затяжки: 44–60 Н·м
Наконечник рулевой тяги

1. Установите цапфы шаровых шарниров левого и правого наконечников рулевых тяг в поворотные кулаки и закрепите их гайками.
Момент затяжки: 43–56 Н·м
2. Шплинтами зафиксируйте гайки от отворачивания.
Тяга управления переключением передач и тяга переключения передач

1. Подсоедините к коробке передач тягу переключения передач.
Момент затяжки: 38–51 Н·м
2. Подсоедините к коробке передач тягу управления переключением передач.
Момент затяжки: 16–22 Н·м
Разъем выключателя фонаря заднего хода
1. Установите разъем выключателя фонаря заднего хода и кронштейн для клемм заземления.

2. Подсоедините разъем выключателя фонаря заднего хода.
3. Подсоедините провод соединения с "массой".
Момент затяжки: 16–22 Н·м
После прогрева двигателя выполните следующее
Проверьте уровень масла. Проведите дорожные испытания автомобиля и проверьте уровни жидкостей.
1. Отсутствие необычного шума на каждой передаче.
2. Возможность плавного переключения передач.
3. Отсутствие самопроизвольного выключения передач.
4. Спидометр работает нормально.
5. Фонари заднего хода работают нормально.
